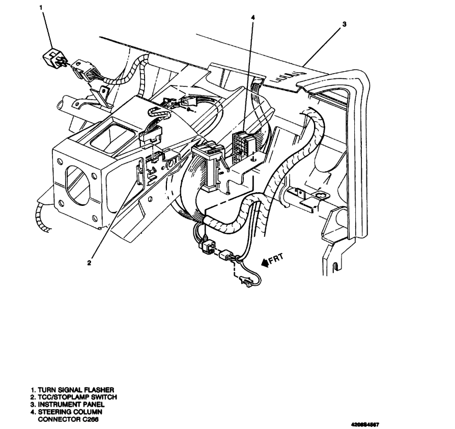
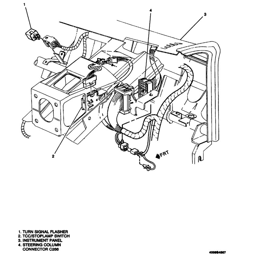
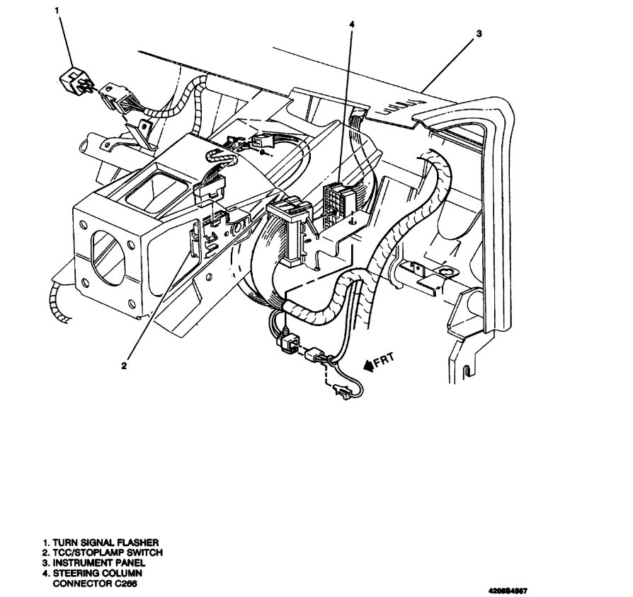
C2500 Cheyenne. Truck comes with a four prong trailer attachment and I was wiring lights on a trailer to plug into the factory four prong trailer outlet on my truck. Turn signal stopped working. I checked fuses, etc. My turn signals stopped working. I have asked and received lots of feedback as to where it is located but cannot find it. Even went to a salvage yard and could not find it. Does anyone know where the turn signal flasher is located on my truck?I think it would be same location for that year Chevrolet 1500, van or suburban, so if someone has a picture, that would be great. I have seen pictures indicating driver side to right of steering column and to left of steering column but cannot find it. I cannot cross reference the convenience center in my manual. Where is the convenience center? Much appreciated.
Jul 21, 2011 at 9:53 PM
