how to install tachometer.

1995 CHEVROLET S-10
89,000 MILES
Avatar
FRYEBABY623
  • MEMBER
  • 5 POSTS
I have 95 chevy s10. 2.2 4cyl manual. I need to install a tach instrument cluster and my truck did not come with one stock. I know i need to install a wire to my ignition coil but i have 2 coils. One is for the # 1 and 2 cyl and the other is for 3 and 4 cylinder. Which one should i attach new wire to?
May 6, 2012 at 6:14 PM
Advertisement
Avatar
ASEMASTER6371
  • CERTIFIED EXPERT
  • 52,796 POSTS
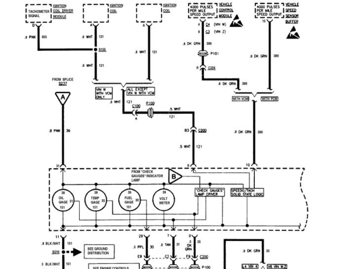
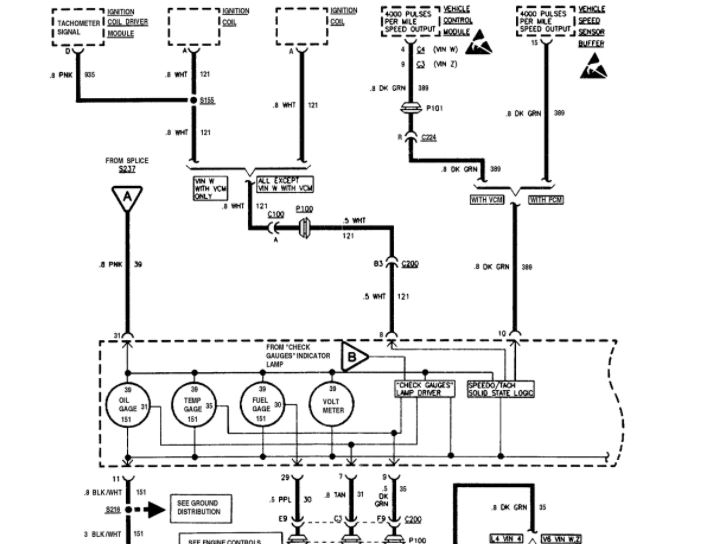
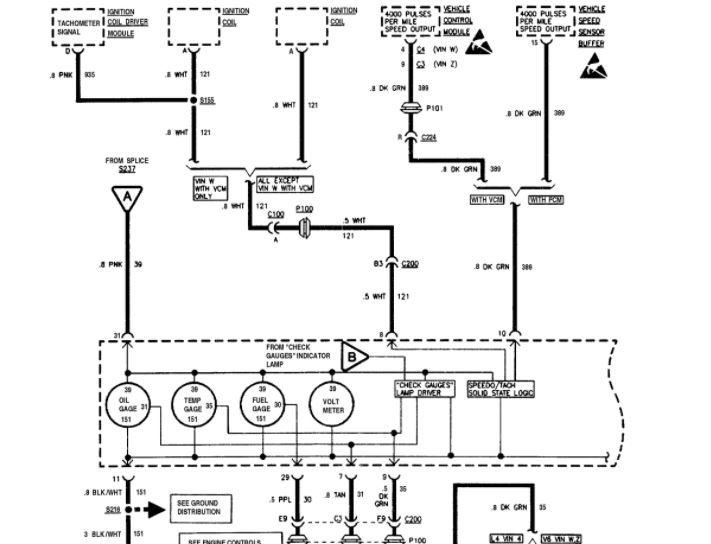
You should connect the wire (might be yellow) to the #1 coil trigger wire which is the white wire.

Please let us know happens so it will help others.
May 6, 2012 at 6:20 PM
Avatar
CHEYVROCKS
  • MEMBER
  • 4 POSTS
I found this link helpful.
I have a 1997 Chevy S10 2.2 without a Tach.
I bought another cluster with a Tach in hopes of just plug and play, but after reading this maybe not?
I have not tried to plug and play yet. I was looking at the diagram provided which is helpful and read about the white possibly yellow wire I might need to run.
I am not clear if this wire runs from the back of the connector that the Cluster assembly plugs into, that would make sense but where on the cluster end would that be?
A little more detail on each end needing to be connected would be gratefully appreciated.
I hope to try to plug and play in a few days. we see I guess.
Feb 14, 2018 at 1:17 PM
Advertisement
Avatar
ASEMASTER6371
  • CERTIFIED EXPERT
  • 52,796 POSTS
I doubt it will be a plug and play. They did not universalize the harness until later where all options were pre wired.

Roy
Feb 14, 2018 at 1:19 PM
Avatar
CHEYVROCKS
  • MEMBER
  • 4 POSTS
Roy,
Thank you, do you have a diagram at the cluster connector where the wire goes?
Feb 14, 2018 at 1:40 PM
Avatar
ASEMASTER6371
  • CERTIFIED EXPERT
  • 52,796 POSTS
White wire from ignition coil. diagram attached

Roy
Feb 14, 2018 at 1:45 PM
Avatar
CHEYVROCKS
  • MEMBER
  • 4 POSTS
Roy,

Thank You again.
I have a friend whos a certified BMW and GMC mechanic coming to visit Tuesday. I will let him look at the diagrams and hopefully fix me up.
I WILL UPDATE THE RESULTS HERE AFTER HE IS DONE.
CHEVYROCKS
Feb 14, 2018 at 1:54 PM
Avatar
ASEMASTER6371
  • CERTIFIED EXPERT
  • 52,796 POSTS
your welcome. We are here to help

Roy
Feb 14, 2018 at 1:55 PM
Avatar
ARLIE BENSON
  • MEMBER
  • 11 POSTS
I tried to hook my tach up to the white wire and I get nothing. I read somewhere I may need a different tach
Apr 2, 2018 at 10:51 AM
Avatar
ASEMASTER6371
  • CERTIFIED EXPERT
  • 52,796 POSTS
Ok, where did you hook up the tach wire?? did you ground the tach as well??

Roy
Apr 2, 2018 at 10:53 AM
Avatar
ARLIE BENSON
  • MEMBER
  • 11 POSTS
I have a good ground hooked up. I have tried it on the white wire on the ICM. I used the inline splice.
Apr 2, 2018 at 6:51 PM
Avatar
ARLIE BENSON
  • MEMBER
  • 11 POSTS
I guess I am not even sure at this point if the tach even works. The illumination comes on when I start the truck but no needle movement.
Apr 2, 2018 at 6:53 PM
Avatar
ASEMASTER6371
  • CERTIFIED EXPERT
  • 52,796 POSTS
Attached is the diagram for the tach.

is there a pink wire at the module??

Roy
Apr 2, 2018 at 7:02 PM
Avatar
ARLIE BENSON
  • MEMBER
  • 11 POSTS
I believe the pink wire is on the plug with two wires in it
Apr 2, 2018 at 7:05 PM
Avatar
ASEMASTER6371
  • CERTIFIED EXPERT
  • 52,796 POSTS
2 wires??? that may go back to the instrument cluster connector. that means it is in the harness that connects to the dash.

connector diagram attached. pin 8

Roy
Apr 2, 2018 at 7:12 PM
Avatar
ARLIE BENSON
  • MEMBER
  • 11 POSTS
This is one plug
Apr 2, 2018 at 7:16 PM
Avatar
ARLIE BENSON
  • MEMBER
  • 11 POSTS
This is the other connector
Apr 2, 2018 at 7:19 PM
Avatar
ASEMASTER6371
  • CERTIFIED EXPERT
  • 52,796 POSTS
which white wire did you connect it to??

Roy
Apr 2, 2018 at 7:25 PM
Avatar
ARLIE BENSON
  • MEMBER
  • 11 POSTS
White wire on the end
Apr 2, 2018 at 7:28 PM
Avatar
ARLIE BENSON
  • MEMBER
  • 11 POSTS
Am I supposed to splice it or cut it out and just have it going to the tach
Apr 2, 2018 at 7:29 PM
Avatar
ASEMASTER6371
  • CERTIFIED EXPERT
  • 52,796 POSTS
you are supposed to tie into it. if you cut it out, it would run only on 2 cylinders

Roy
Apr 2, 2018 at 7:30 PM
Avatar
ARLIE BENSON
  • MEMBER
  • 11 POSTS
Ok I tried tying into it...I just didn’t get any movement from the tach
Apr 2, 2018 at 7:41 PM
Avatar
ASEMASTER6371
  • CERTIFIED EXPERT
  • 52,796 POSTS
I mentioned before about going to the back of the dash for the wire. I would try that. if it still does not work, then your tach is no good.

Roy
Apr 2, 2018 at 7:44 PM
Avatar
ARLIE BENSON
  • MEMBER
  • 11 POSTS
How would I test the tach to make sure it worked other than power, ground and illum
Apr 2, 2018 at 7:44 PM
Avatar
ASEMASTER6371
  • CERTIFIED EXPERT
  • 52,796 POSTS
The only way is to check it on another car.

it sounds like your tach is the issue here. it is not processing the signal

Roy
Apr 2, 2018 at 7:49 PM
Avatar
ARLIE BENSON
  • MEMBER
  • 11 POSTS
Thank you for your help sir
Apr 2, 2018 at 7:50 PM
Avatar
ASEMASTER6371
  • CERTIFIED EXPERT
  • 52,796 POSTS
No problem. glad to help

Roy
Apr 2, 2018 at 7:52 PM