Only starts when it wants

1995 CHEVROLET MONTE CARLO
103 MILES • AUTOMATIC
Avatar
BRANDIDEAN88
  • MEMBER
  • 2 POSTS
I Have a 95 monte carlo, sometimes it wont start and if i wait about 2 minutes itll start right up. My friend had the car for 4 years before me and it did it to her maybe 4 or 5 times and now it does it everyday sometimes twice. Its had new starter new switch. My boyfriend is a mechanic but somehow cant figure anything out he says steering column but i dont want to pay that much if its not it. When it does that if he shorts the starter out it will die then crank in a few minutes. A ground wire came loose a while back and cause my fan motors, air, speedometer nd all kinds of stuff to mess up. Maybe the car has electrical problems still?
Feb 4, 2011 at 4:54 PM
Advertisement
Avatar
JDL
  • CERTIFIED EXPERT
  • 16,098 POSTS
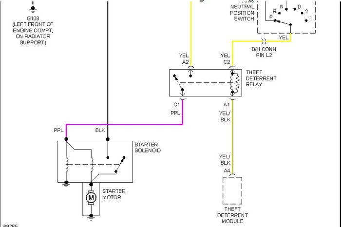
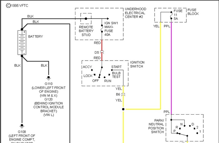
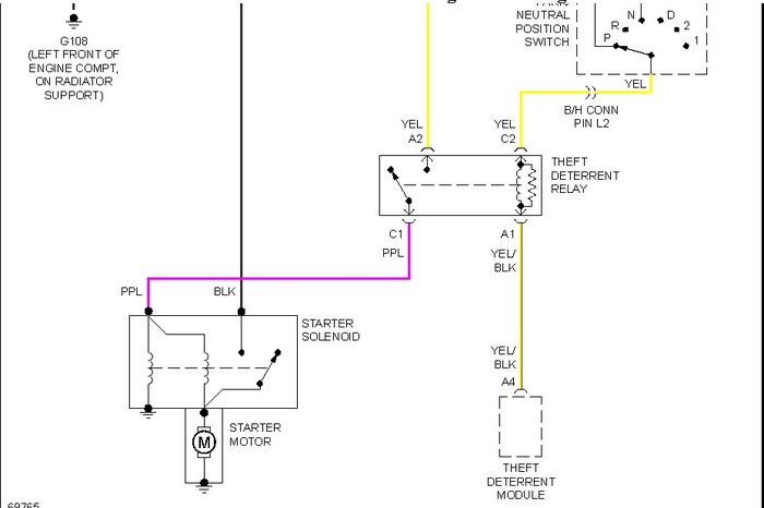
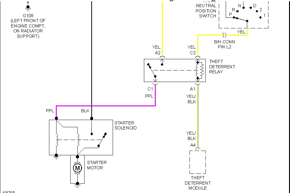
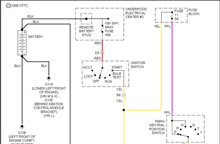
Did your mechanic friend talk about the security system? That is one possibility. Check trouble codes. If your fully obd1 compliant, you can check some codes yourself. The security system may shut down the starter as well as the fuel injectors. So even if you can crank it, it still won't start, if security system is issue. I can give you wiring diagram for starter circuit, if you think it will help?
Feb 4, 2011 at 5:11 PM
Avatar
BRANDIDEAN88
  • MEMBER
  • 2 POSTS
Yeah the wiring diagram might help, maybe he can check it and I will mention the security system. Thanks
Feb 4, 2011 at 5:25 PM
Advertisement
Avatar
JDL
  • CERTIFIED EXPERT
  • 16,098 POSTS
The wiring diagram is below, click on the link to enlarge.
Feb 4, 2011 at 5:37 PM