Hello,
To remove the rear differential, lift the rear end and support it with jack stands on the frame.
Take off the U straps that hold the U-joint.
Then remove the lower shock bolts.
Remove the brake lines that goes from the body to the axle.
Also remove the parking brake cables.
Then you will have to support the axle with a jack.
Take off the upper control arm bolts, then the lower control arm at the axle.
Here is a helpful article:
https://www.2carpros.com/articles/how-a-differential-works
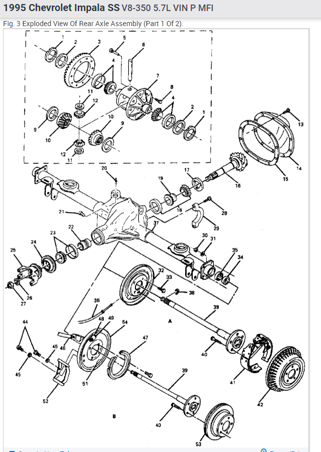
I have attached diagrams for your reference.
Please let me know of any questions.
Thank you.
Images (Click to enlarge)
Sep 4, 2021 at 10:33 AM