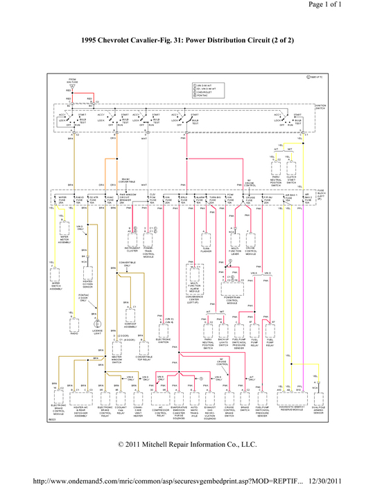
a guy from a auto store told me to hook my radiator fan up to the erls fuse to make it run instead of a toggle switch. i did (mistake), i started the car and everything worked fine till the 5th time i started it. it smoked from under the dash. now it will turn over but wont fire, the wipers and radio wont work. i have the dash out now looking for where it smoked and everything looks fine. i think i may of fried the pcm but since thats in the wheel well......help please
Dec 30, 2011 at 10:41 PM

