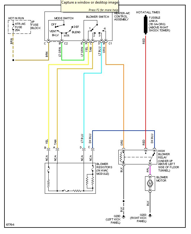
the car drives perfectly but the heater is not working and where the oil for the engine is located there is steam coming out of it but no smoke comes out of the muffler and the car over heats after a while it only cools down when the fan turns on and the fan turns on only when i turn the a/c on i tried everything i change the thermostat i change the hose i flush the radiator i even change the oil still the fan does not cut on when the engine gets hot
Dec 8, 2011 at 1:56 AM



