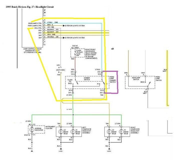
Hello,
I was wondering if I could get the wiring diagram for the headlights to the headlight switch in the car? I can't find one anywhere.
It is a 1995 Riviera with a floor shifter if that helps. Thank you!
Thank you!
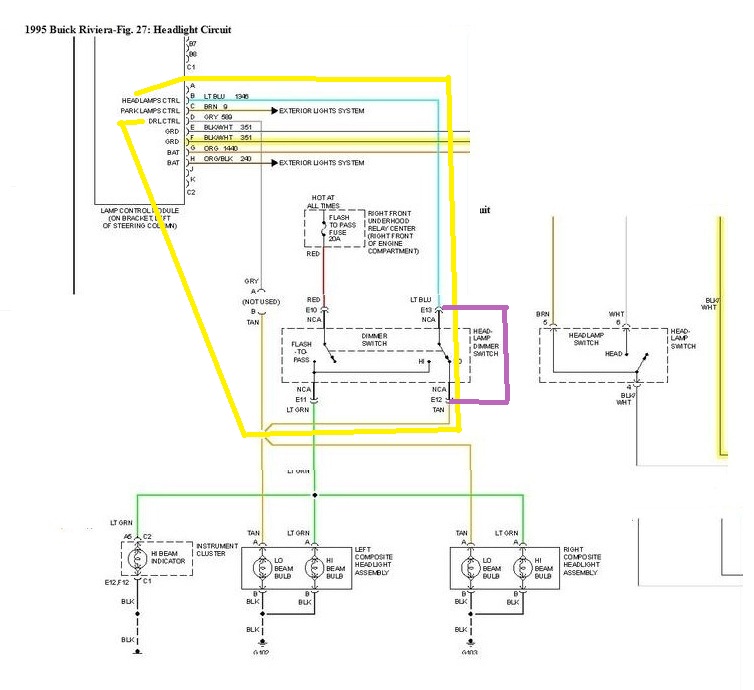
I was wondering if I could get the wiring diagram for the headlights to the headlight switch in the car? I can't find one anywhere.
It is a 1995 Riviera with a floor shifter if that helps. Thank you!
Thank you!
Nov 23, 2012 at 3:44 AM



