Why are my brake lights not turning on?

1995 BMW 316
90,000 MILES
Avatar
ANONYMOUS
  • MEMBER
  • 1 POST
my brake lights won't come on.
Mar 12, 2013 at 5:53 AM
Advertisement
Avatar
SQM
  • CERTIFIED EXPERT
  • 6,383 POSTS
Hello,

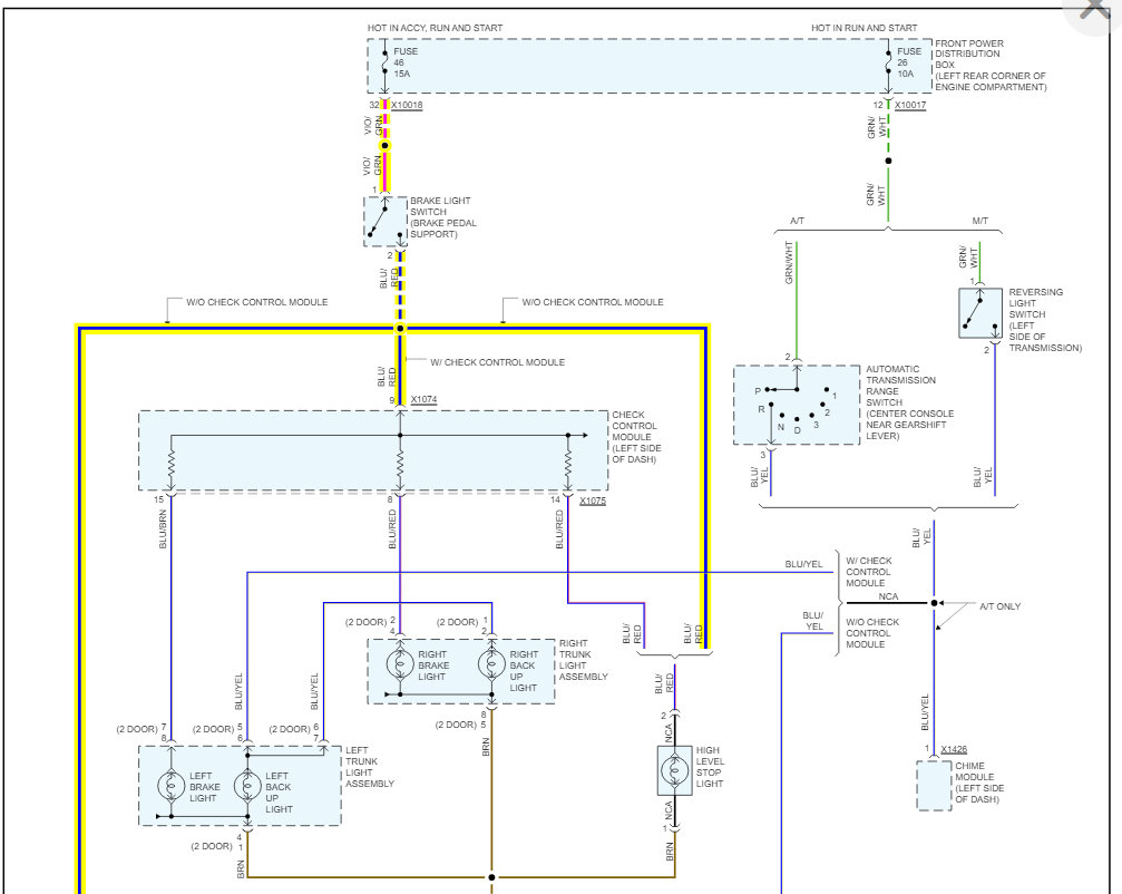
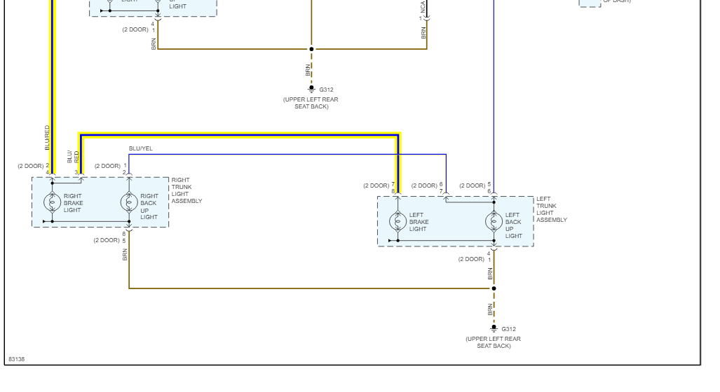
This issue could be due to a faulty brake light switch.
The brake light switch is located behind the brake pedal and when the brake gets depressed the switch gets pushed, which triggers the brake light.
A malfunctioning switch will prevent any of the brake lights from coming on.

https://youtu.be/RBCDVfzNQGk

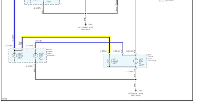
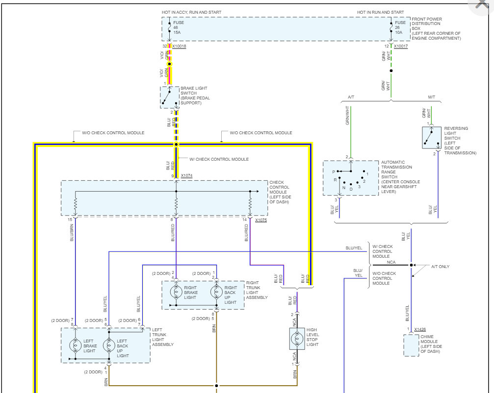
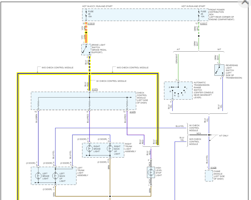
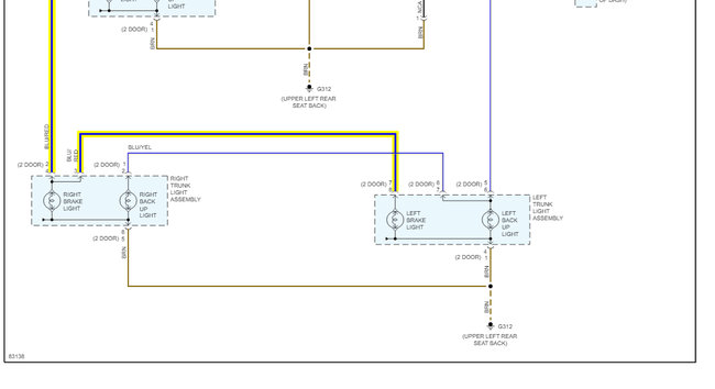
I have attached diagrams for your reference.

Please let me know if you have any questions.
Thank you.
Jan 21, 2022 at 9:33 PM