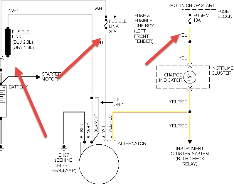
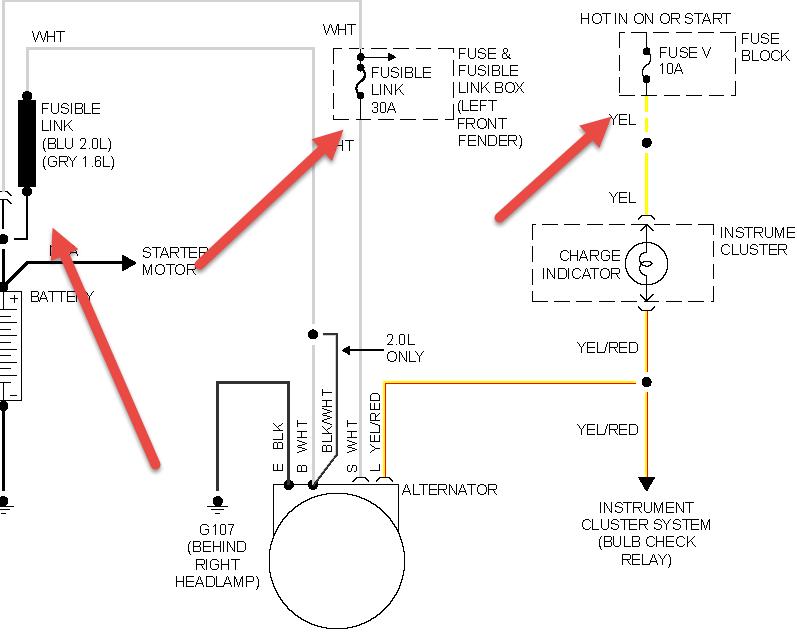
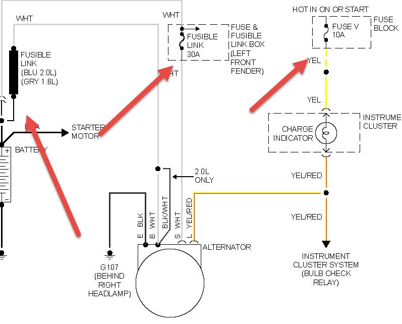
1994 nissan senta 1.6 liter engine 5speed manual transmission, stater wont work, (brand new. is currently wired directly to battery) brand new ignition switch. dash lights, lighter, an other various lights on panel wont work. fuses are good. radiator fan does not turn on.. wtf? wrong
Sep 8, 2014 at 4:18 PM
