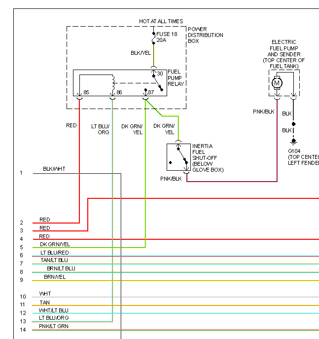
Im not getting power to the fuel pump. I have using a circut tester checked for power at, the pump, the inertial cutoff switch and the relay. The relay has power at least to it's socket. No power at all to the rest of the system. The relay appears to be working I can feel it clicking anyway. I connected the fuel pump to an alternate 12 volt source and it does work. I can't figure out where it's grounded. Initially I thought the fuel pump was bad as it was not getting any gas to the rail. I replaced the fuel pump only to discover the the old one still worked. A little lost here.
Oct 11, 2012 at 4:19 PM
