No fuel injector pulse

1994 JEEP CHEROKEE
165,000 MILES • 6 CYL • 4WD • MANUAL
Avatar
CJ782
  • MEMBER
  • 2 POSTS
4.0 1994 Jeep Cherokee,No fuel injector pulse, 40 lbs fuel pressure at the fuel rail, changed crankshaft position indicator, PCM is tested good, There is also spark at the spark plugs.
Nov 15, 2010 at 2:45 AM
Advertisement
Avatar
JACOBANDNICKOLAS
  • CERTIFIED EXPERT
  • 110,175 POSTS
It sounds like lost the ASD relay so the computer is not getting power. Here is a guide and some diagrams (below) so you can get the problem fixed.

https://www.2carpros.com/articles/how-to-check-an-electrical-relay-and-wiring-control-circuit

and

https://www.2carpros.com/articles/how-to-check-a-car-fuse

Please run some tests and get back to us so we can keep helping you.

Cheers, Ken
Nov 15, 2010 at 2:46 AM
Avatar
CJ782
  • MEMBER
  • 2 POSTS
You guys are so smart! hit it on the money it was the ASD relay. I tested it and it was not working so I got a new one and I am off and running! I love 2Carpros
Nov 15, 2010 at 2:59 AM
Advertisement
Avatar
ASEMASTER6371
  • CERTIFIED EXPERT
  • 52,796 POSTS
the pump may have failed. check for power back at the pump to verify

Roy
Sep 13, 2017 at 10:38 AM (Merged)
Avatar
WOLFREDRUNNING
  • MEMBER
  • 4 POSTS
1996 jeep cherokee 4.0l auto 4x4....113,000 miles. tested fuel pressure at test port on fuel rail- no pressure. removed fuel tank and tested fuel pump - ok.....replaced ECU, coil cap and rotor, fuel pump relay.....checked and tested all fuses and relay....was able to attain fuel pressure of 46 psi by jumping fuel pump relay....terminals 85-86....87-30......but still no spark to plugs...any suggestions.....?
Sep 13, 2017 at 10:38 AM (Merged)
Avatar
RASMATAZ
  • CERTIFIED EXPERT
  • 75,992 POSTS
[quote:c4831f7355="wolfredrunning"]1996 jeep cherokee 4.0l auto 4x4....113,000 miles. tested fuel pressure at test port on fuel rail- no pressure. removed fuel tank and tested fuel pump - ok.....replaced ECU, coil cap and rotor, fuel pump relay.....checked and tested all fuses and relay....was able to attain fuel pressure of 46 psi by jumping fuel pump relay....terminals 85-86....87-30......but still no spark to plugs...any suggestions.....?[/quote:c4831f7355]

Check the ASD relay it powers both fuel/spark.
Sep 13, 2017 at 10:38 AM (Merged)
Avatar
RASMATAZ
  • CERTIFIED EXPERT
  • 75,992 POSTS
[quote:64ceab88f5="rasmataz"][quote:64ceab88f5="wolfredrunning"]1996 jeep cherokee 4.0l auto 4x4....113,000 miles. tested fuel pressure at test port on fuel rail- no pressure. removed fuel tank and tested fuel pump - ok.....replaced ECU, coil cap and rotor, fuel pump relay.....checked and tested all fuses and relay....was able to attain fuel pressure of 46 psi by jumping fuel pump relay....terminals 85-86....87-30......but still no spark to plugs...any suggestions.....?[/quote:64ceab88f5]

Check the ASD relay it powers both fuel/spark.[/quote:64ceab88f5]


.was able to attain fuel pressure of 46 psi by jumping fuel pump relay....terminals 85-86....87-30......but still no spark to plugs...any suggestions.....?

When you turn key to On do you hear the fuel pump for a few secs.?

Turn key On Look for power at coil positive terminal-do you have it, if so check the crankshaft position sensor at left side of tranny. Inspect it

No power at coil check 20amp fuse in power distribution box. and inspect also the fuel pump relay and ASD relay. When you turn key On this relays should click- The computer energizes both relays.

The Cam sensor is in the distributor.
Sep 13, 2017 at 10:38 AM (Merged)
Avatar
NOMIC
  • MEMBER
  • 10 POSTS
ok i just replaced a transmission on this same vehicle and had the same problem its the crank shaft possition sensor it cost's approx $84 the part # is css308 if you have any more questions here is my yahoo id newpcexpress
Sep 13, 2017 at 10:38 AM (Merged)
Avatar
RASMATAZ
  • CERTIFIED EXPERT
  • 75,992 POSTS
From: rasmataz
To: wolfredrunning
Posted: Mon Aug 27, 2007 4:13 am
Subject: Re: 1996 jeep cherokee no start
Find the PCM at A2 pin out when key is On is should have battery voltage. If not the PCM is gone.

A2 also supplies the relays power, not there, the relays will not transfer power to coil / pump/injectors thru wire at ASD dark green/orange and F/P relay dark green/white.

Good Luck

_________________
Be patient you're not the only one that needs our help. So hang On. we'll get to you. Am the only female moderator in here so give me a break.
Sep 13, 2017 at 10:38 AM (Merged)
Avatar
WOLFREDRUNNING
  • MEMBER
  • 4 POSTS
[quote:6ea09c78a9="rasmataz"]From: rasmataz
To: wolfredrunning
Posted: Mon Aug 27, 2007 4:13 am
Subject: Re: 1996 jeep cherokee no start
Find the PCM at A2 pin out when key is On is should have battery voltage. If not the PCM is gone.

A2 also supplies the relays power, not there, the relays will not transfer power to coil / pump/injectors thru wire at ASD dark green/orange and F/P relay dark green/white.

Good Luck

_________________
Be patient you're not the only one that needs our help. So hang On. we'll get to you. Am the only female moderator in here so give me a break.[/quote:6ea09c78a9]
Sep 13, 2017 at 10:38 AM (Merged)
Avatar
RICK A
  • MEMBER
  • 5 POSTS
Electrical problem
1993 Jeep Cherokee 6 cyl All Wheel Drive Automatic 216000 miles

I have a 93 jeep cherokee, it always has had to turn over several times before starting, then a couple of weeks ago it would have to turn over maybe 40 times before starting, then a week ago you would have to turn the key on and let it sit for a couple of mins. and it would start, then it took 5 mins. then it quit, no fire, {0 volts to coil} no power to the fuel pump {0 volts back at pump}. I ran a jumper to the pump, and it puts out enough pressure to make the bypass work, I was told that if fuel pressure is not up it will not fire the injectors or spark plugs, however I found no sending unit in the fuel system that would read back to the computer, and stop it from firing.
Sep 13, 2017 at 10:38 AM (Merged)
Avatar
RASMATAZ
  • CERTIFIED EXPERT
  • 75,992 POSTS
Hi rick a and welcome to 2carpros

Test the ignition switch and the ASD relay-The ASD relay powers the coil/fuel pump relay/fuel pump/injectors
Sep 13, 2017 at 10:38 AM (Merged)
Avatar
RICK A
  • MEMBER
  • 5 POSTS
[quote:dc65875a6c="rasmataz"]Hi rick a and welcome to 2carpros

Test the ignition switch and the ASD relay-The ASD relay powers the coil/fuel pump relay/fuel pump/injectors[/quote:dc65875a6c]

when 12vdc is applied to relay it snaps in, and there is connection between front and rear pins, also when key is on I have 12vdc on pin 85 or 86 to snap in the relay, still no fire.
Sep 13, 2017 at 10:38 AM (Merged)
Avatar
RASMATAZ
  • CERTIFIED EXPERT
  • 75,992 POSTS
Check for power at the injector harness dark green and orange wire and tell me if you have it-
Sep 13, 2017 at 10:38 AM (Merged)
Avatar
RICK A
  • MEMBER
  • 5 POSTS
[quote:79af81c970="rasmataz"]Check for power at the injector harness dark green and orange wire and tell me if you have it-[/quote:79af81c970] is that dark green with orange stripe? I pulled the strip off of the harness that feeds the injectors, and I am not sure if this is where I should be looking, there is an orange wire that goes to to a unit on the intake and there was no voltage there, however I did notice now that the security light is on in the dash panel. we have not noticed this before, a friend of mine has a little snap on computer that checks all components, but it would not access the cars computer, after we found no fuel pressure, there was place on little diagnostic machine that would turn the fuel pump on, it said fuel pump on connect gauge, there was still no pressure, so with no pressure, we naturally thought the pump was bad, finally checked for voltage at pump and had none, thats when I ran wire back and made the pump run, only to find no fire. could the cars computer be the culprit?
Sep 13, 2017 at 10:38 AM (Merged)
Avatar
RICK A
  • MEMBER
  • 5 POSTS
there were 0 vdc no matter if the engine turned over or if you just had turned on the key.

Earlier you said no power at coil-it doesn't matter whether the CPS is good or no good-it will never start if the coil has no power it will not produce the secondary surge to the plugs-
Sep 13, 2017 at 10:38 AM (Merged)
Avatar
SHAWNW7
  • MEMBER
  • 2 POSTS
While driving my vehicle it just stalled and wont restart. At one point I was able to make it run by assisting it with starter fluid. However at this point I do not have fuel pressure or spark. By the way, it is the coil over system not the rotor type ignition. I am trying to determine if it is in the fuse panel (under hood). I have switched out the relays to no avail. My point of troubleshooting is currently at the Automatic Shutdown Relay (ADS). With the key on (or off) I have power to the number thirty cavity (fused cavity) of said relay. I believe I should have power to either the eighty five or eighty seven cavity (output cavity) with the power off. If that is the case and there is no power to that cavity what would cause that?

Thanks, Shawn
Sep 13, 2017 at 10:38 AM (Merged)
Avatar
RASMATAZ
  • CERTIFIED EXPERT
  • 75,992 POSTS
Do you hear the fuel pump come On when key at run position-if not you have a power problem -If so do a fuel pressure check-no pressure or not within specs replace the pump.

Get a noid lite from the parts store hook it up to the injector/s harness and crank engine over is it flashing?
Sep 13, 2017 at 10:38 AM (Merged)
Avatar
CARADIODOC
  • CERTIFIED EXPERT
  • 34,306 POSTS
You are further along than most people would get, but you need to understand how the system works.

The ASD relay feeds the ignition coils, injectors, and fuel pump or pump relay. The ASD relay is turned on by the Engine Computer for one second when you turn on the ignition switch, then again during engine rotation, (cranking or running). No spark causes about two percent of crank / no-starts. No fuel pressure causes about three percent of crank / no-starts. ninety five percent of those failures are caused by loss of spark and fuel pressure.

The first clue is you still should have some fuel pressure from that one-second burst when you turn on the ignition switch. That is why fuel pressure isn't a good clue for no-starts.

The place to start is by checking if the ASD relay is turning on during cranking. The easiest way to do that is to watch the voltage at the ignition coil or any injector. I am not sure of the wire color, but you will find the same color wire at every injector and for one of the coil wires. On most vehicles that is a dark green/orange wire, but yours might be different. Use a test light for this because most digital voltmeters do not respond fast enough. Back-probe one of those wires. You should see the test light turn on full brightness for one second when you turn on the ignition switch, then again when you crank the engine. Let me know what you find.

Have you read the diagnostic fault codes?
Sep 13, 2017 at 10:38 AM (Merged)
Avatar
RASMATAZ
  • CERTIFIED EXPERT
  • 75,992 POSTS
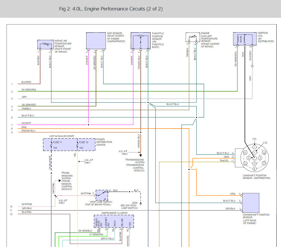
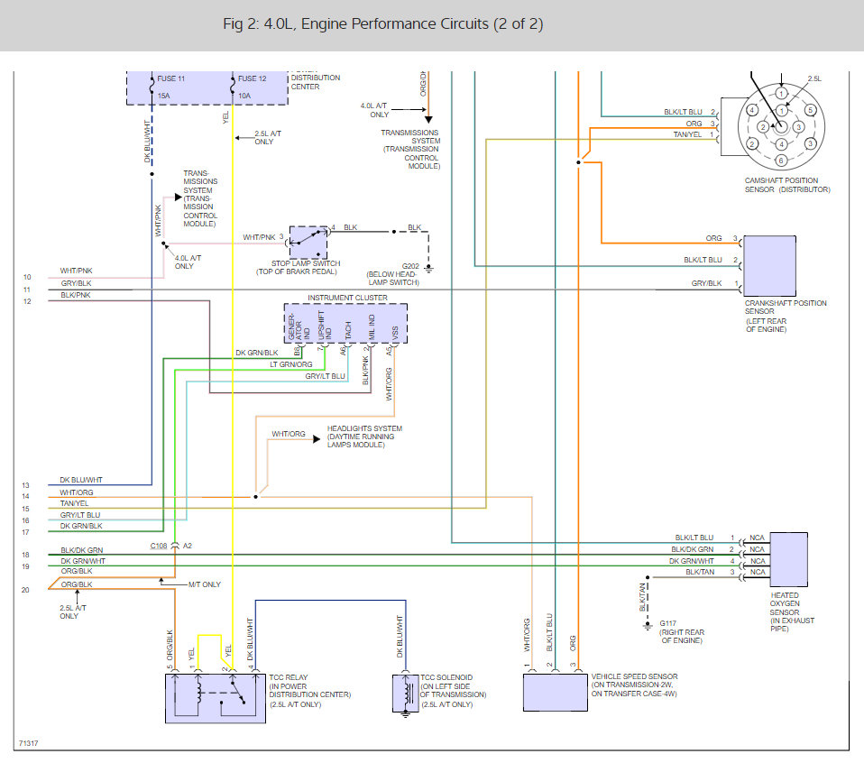
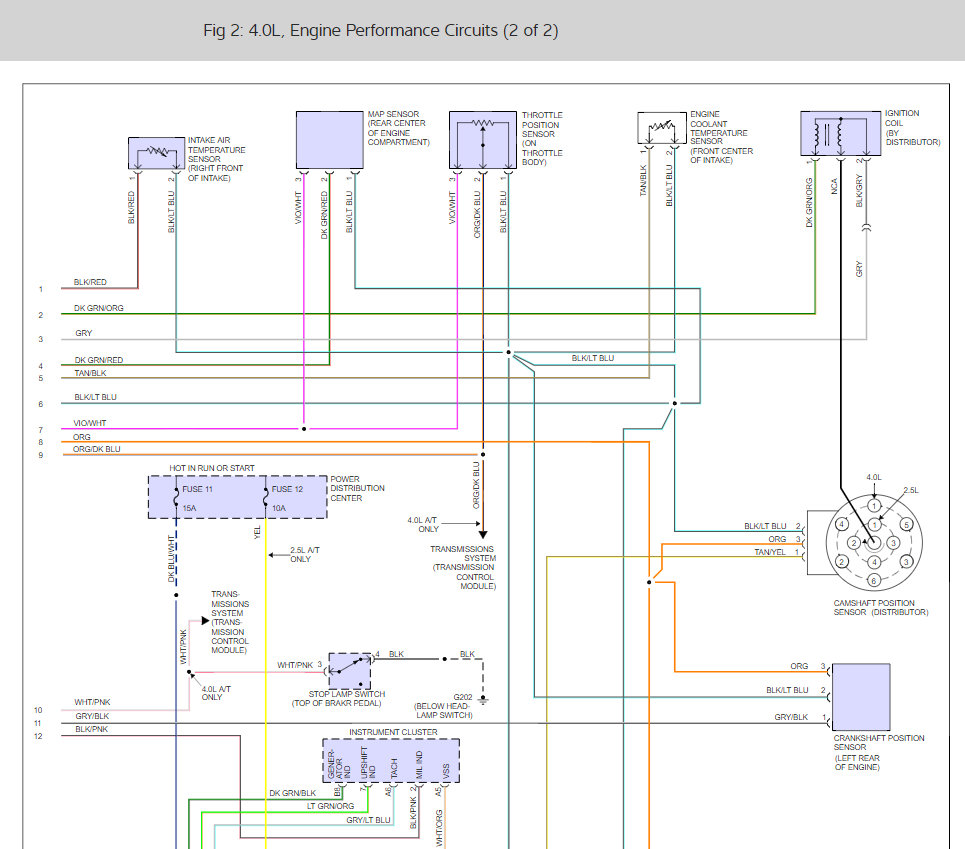
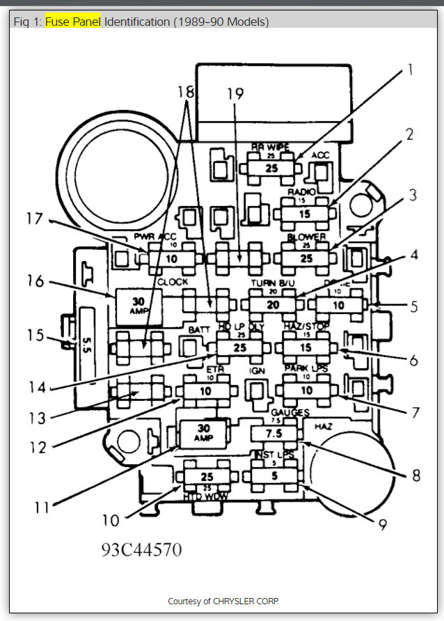
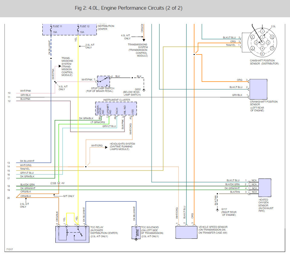
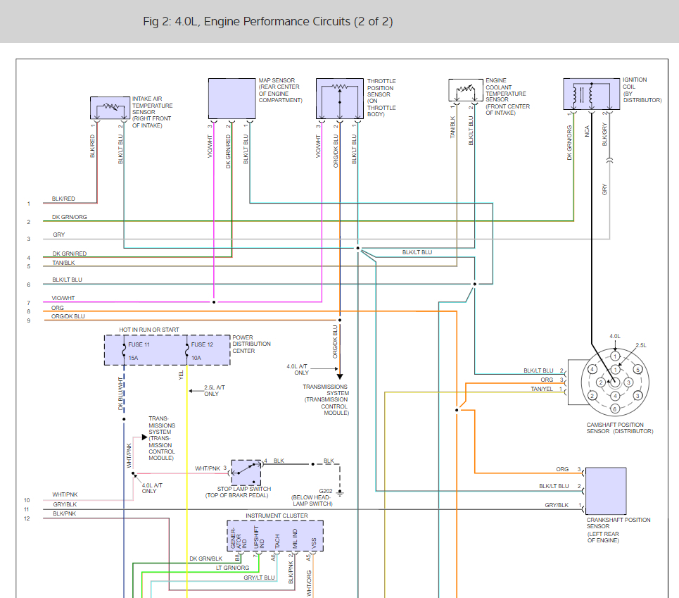
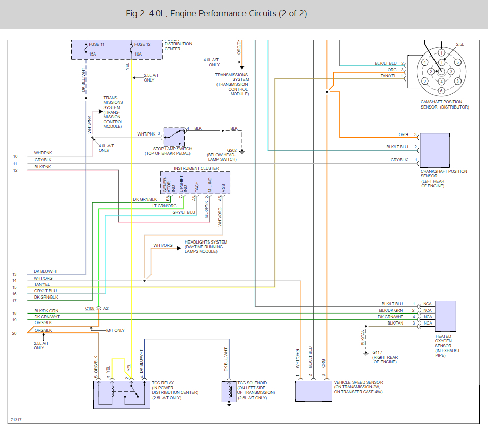
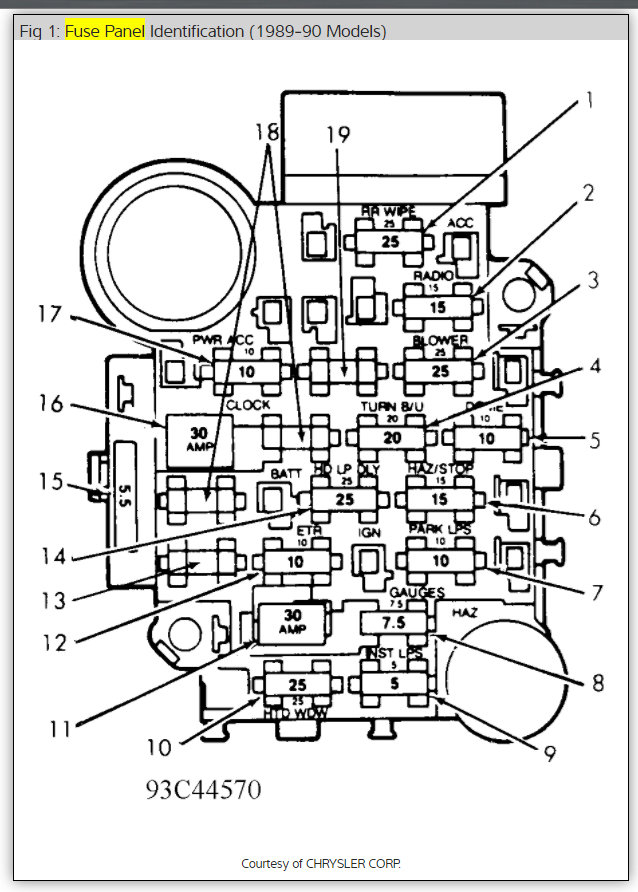
At the dark green and orange wire at the injector harness stick a test light to it do you have power? No power to coil/injectors/fuel pump and ASD relay okay points to the computer-see below diagram


https://www.2carpros.com/forum/automotive_pictures/12900_asd_3.jpg


https://www.2carpros.com/forum/automotive_pictures/12900_asd1_2.jpg


https://www.2carpros.com/forum/automotive_pictures/12900_asd2_1.jpg


https://www.2carpros.com/forum/automotive_pictures/12900_asd3_1.jpg


https://www.2carpros.com/forum/automotive_pictures/12900_asd4_1.jpg

Sep 13, 2017 at 10:38 AM (Merged)
Avatar
SHAWNW7
  • MEMBER
  • 2 POSTS
Thanks for your reply. I have not read the fault codes as I am unable to communicate with the ECM, no signal. Okay I checked what you advised and have no voltage while back probing the injectors (green).
Sep 13, 2017 at 10:38 AM (Merged)
Avatar
RICK A
  • MEMBER
  • 5 POSTS
[quote:519101357f="rasmataz"]Do you hear the fuel pump come On when key at run position-if not you have a power problem -If so do a fuel pressure check-no pressure or not within specs replace the pump.

Get a noid lite from the parts store hook it up to the injector/s harness and crank engine over is it flashing?[/quote:519101357f]ok is a noid light the same as my little ice pick device with the 12v bulb in it?
Sep 13, 2017 at 10:38 AM (Merged)
Avatar
CARADIODOC
  • CERTIFIED EXPERT
  • 34,306 POSTS
Chrysler made reading the fault codes yourself easier than any other manufacturer. Cycle the ignition switch from "off" to "run" three times within five seconds, leave it in "run", then watch the numbers appear in the odometer display.

Assuming you had twelve volts on the green wire for that first second, the engine computer is not turning it on during cranking due to a loss of signal from the crankshaft position sensor or the camshaft position sensor. Hopefully you will have a fault code for that, but often the code does not set right away. In that case you will need a scanner to view live data and see which sensor is listed as the signal is missing.
Sep 13, 2017 at 10:38 AM (Merged)
Avatar
RICK AMES
  • MEMBER
  • 1 POST
I bought a rebuilt computer, it starts and runs great now, but they sent me one without the alarm stuff on it, so the alarm is on all the time, we never liked the alarm, so how do we disable? I plan on making them give me the right one, but we would like to drive in the mean time, as it took 2 weeks to get the wrong part, who knows how long it will take to get the right one.
Sep 13, 2017 at 10:38 AM (Merged)
Avatar
OSGOOD
  • MEMBER
  • 1 POST
Engine Performance problem
1996 Jeep Cherokee 6 cyl Four Wheel Drive Automatic

I am not getting a spark and i have change the ignition coil and the distributor cap as well as the plugs and wires, but at the same time i am not getting fuel to the injectors....
What could be the problem?
Sep 13, 2017 at 10:38 AM (Merged)
Avatar
BLACKOP555
  • CERTIFIED EXPERT
  • 10,386 POSTS
your getting no fuel pressure either? or no injector pulse.

check for +12v on one side of the coil and a pulsing -12v on the other side.

check the ASD relay and fuse
Sep 13, 2017 at 10:38 AM (Merged)
Avatar
STEFANLOBNITZ
  • MEMBER
  • 3 POSTS
I have 95 jeep cherokee that was in a accident and the air bag deployed an now it won't start it has spark but no fuel pressure on injector rail an I don't hear fuel pump turn on when I turn ignition on iv tryed replacing the fuel pump relay that did not work the vehicle does have factory anti theft device. There is a plug under the steering wheel an it has the device the plugs into it so that's not the problem I was hoping you could tell me if there is a fuel cut off switch an where it is located or if there is something I don't know about that might cause this problem?
Sep 13, 2017 at 10:38 AM (Merged)
Avatar
CARADIODOC
  • CERTIFIED EXPERT
  • 34,306 POSTS
If you have spark, you have all the important stuff working. Bypass the fuel pump relay by jumping terminals 30 and 87 together, then, if you don't hear the pump running, you can test at the fuel pump plug for 12 volts. A test light is more accurate for this than a voltmeter.
Sep 13, 2017 at 10:38 AM (Merged)
Avatar
  • MEMBER
  • 1 POST
Replaced crankshaft and cam sensor. Have spark and fuel at fuel rail but spark plugs are dry. Turns over but no start. problem started after I started it.
Sep 13, 2017 at 10:38 AM (Merged)
Avatar
KHLOW2008
  • CERTIFIED EXPERT
  • 41,814 POSTS
Test the fuel injectors for battery voltage at one of the wires and use a test light to check for pulsing of the injector circuits while cranking.

Sep 13, 2017 at 10:38 AM (Merged)
Avatar
I6GRAND
  • MEMBER
  • 1 POST
Electrical problem
1997 Jeep Cherokee 6 cyl Four Wheel Drive Automatic 136000 miles

My '97 Grand Cherokee will not start. I know it's getting fire and I do not hear the fuel pump kick in.

What I'd like to know, before I drop the tank, is how can I make sure that my fuel pump is getting power?

I do have previous auto mechanics experience and I'm sure it's not the fuel filter or injectors.

Thanks in advance.
Sep 13, 2017 at 10:38 AM (Merged)
Avatar
CRZYDRVR
  • MEMBER
  • 432 POSTS
if you have the equipment, use the Snap On Vantage Pro with a low amps probe.
Sep 13, 2017 at 10:38 AM (Merged)