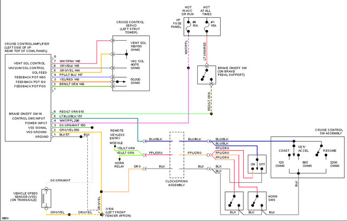
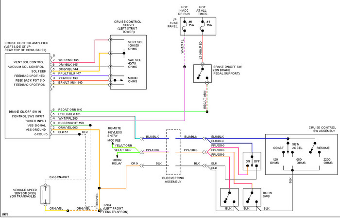
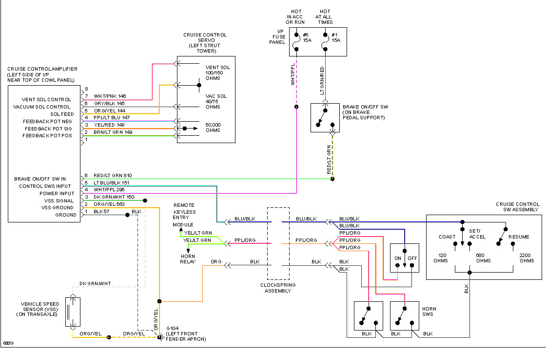
I have a 1994 ford Taurus GL 3.8 liter V6 and the Cruise control doesn't work all the time any suggestions to fix it? I took a fuse out of the fuse box the other day and put it back in and the cruise worked but when i turned off the car and turned it back on it stopped working also if it is possible to get a fuse box diagram for the car because i don't think all the fuses have the correct amp in them
Thank you,
joeL12
Thank you,
joeL12
Jan 26, 2012 at 6:27 PM
