1994 Chevrolet Silverado interrior lighting and raido short

1994 CHEVROLET SILVERADO
166,000 MILES • 4.3L • V6 • 2WD • AUTOMATIC
Avatar
DDDT56
  • MEMBER
  • 2 POSTS
i have a 1994 ck/1500. i found to wires cut on the under dashlights and think they might have touched to cause a short. I installed a aftermarket stereo and it worked fine until i think the wires touched. It caused my stereo to stop working and my under dash lights and my dome light to stop working
May 27, 2014 at 9:19 AM
Advertisement
Avatar
HMAC300
  • CERTIFIED EXPERT
  • 48,601 POSTS
check your fuses first
May 27, 2014 at 9:32 AM
Avatar
DDDT56
  • MEMBER
  • 2 POSTS
I have changed fuses and that's not the problem.
May 27, 2014 at 10:13 AM
Advertisement
Avatar
HMAC300
  • CERTIFIED EXPERT
  • 48,601 POSTS
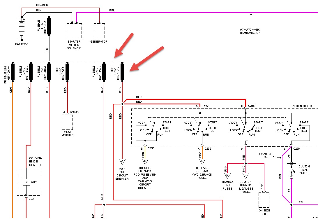
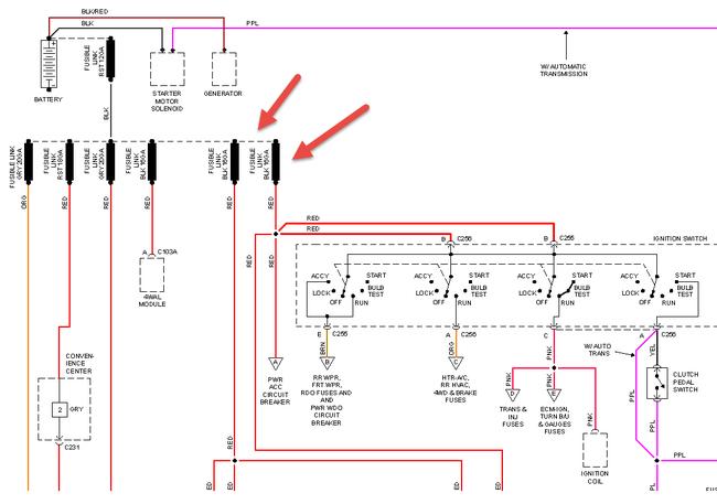
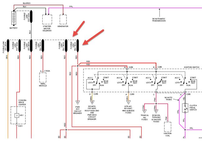
then you will have to trace the wire back to where it goes . if it's a brown wire it may befor the interior lamp circuit which goes to the radio and you may have burnt up something. if it's an aftermarket radio check on back there may be a fuse installed into the radio itself. check the things I've pointed out in pic. they supply the fuses on some of the things and may be bad they should be underhood.
May 27, 2014 at 12:08 PM