little power no exhaust

1994 BMW 540I
170,000 MILES
Avatar
SCTSQUIRREL
  • MEMBER
  • 1 POST
im looking at a bmw that has had the exhaust stolen, someone hack sawed it off, an it now has one catback. it has little power now. is this normal and will it stop if i replace the exhaust muffler and piping? It also reverses though very fast, if that helps explain anything.
Jan 6, 2012 at 1:48 AM
Advertisement
Avatar
DRCRANKNWRENCH
  • CERTIFIED EXPERT
  • 3,380 POSTS
When it was hacked off, does it look as though it may be blocking exhaust flow? Are you sure there is not an O2 Sensor missing, look for hanging connector. The car computer will look for the hydrocarbon level to match up as if it has a catytic converter. So, you will have to replace the converter. Use the search engine on this site to find a psrts sotre near you that will have a good part at a good price. It finds your location automaticaly.
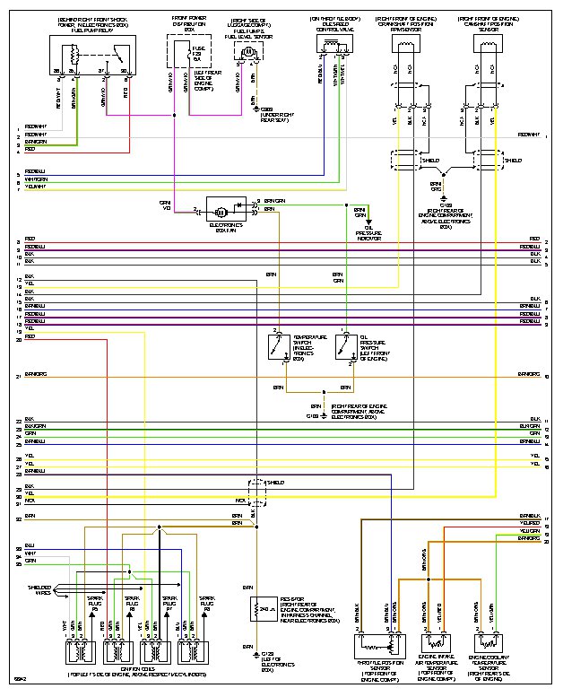
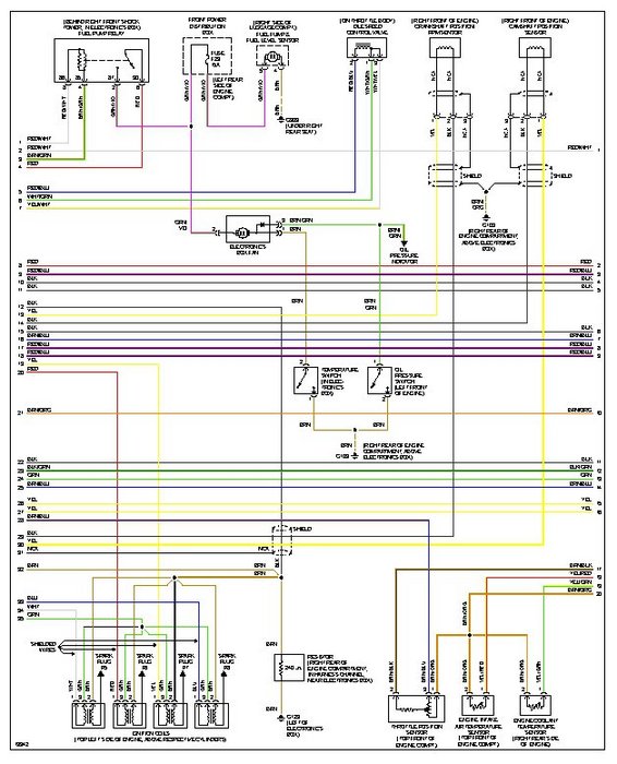
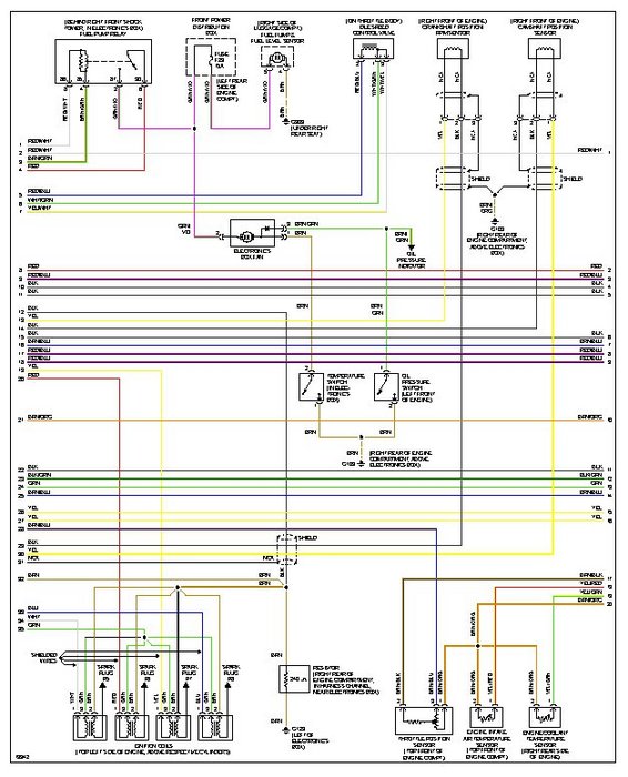
I am giving you the wiring diagrams for your car. In diagram, "3of3" on the right side near the center of the page you will see the, "Heated Oxygen Sensors". It looks like you only have the 2, but check the diagrams elsewhere for the same things as there may be one upstream. Look at the colors of the wires and make sure you still have the 2 you are supposed to have or if you see those wires haning. Replacing a catytic converter is not too hard. you can get a chain type pipe cutting tool that will cut off the pipe easy. Then just ask for your cars Catytic converter or a universal one for your engine and exhauset diamter. Measure the outer diameter of your exhaust and make the theat the inner diammeter of the new catytic converter will fit over old pipe. if not get extensions or step downs needed and exhaust clamps. Make sure you mount them in the correct direction.
Jan 6, 2012 at 2:21 AM