Turn signal wiring diagrams please?

1993 FORD RANGER
200,000 MILES • 4.0L • 6 CYL • 2WD • AUTOMATIC
Avatar
SLAPPIMP
  • MEMBER
  • 1 POST
I have the XLT model. My problem is that my turn signals do not turn on. I have checked and replaced the fuses in cab fuse box and in the engine fuse box. I also replaced the flasher fuse, all blinker bulbs front and back and all blinker bulb sockets from dealership. Also replaced the multi blinker switch with new one. All lights work but my turn signals still do not turn on still, even though I replaced everything with new parts
So wondering what could be my problem(s)?
could it be wiring problem?
Oct 10, 2018 at 10:22 AM
Advertisement
Avatar
STRAILER
  • CERTIFIED EXPERT
  • 53,854 POSTS
Hello,

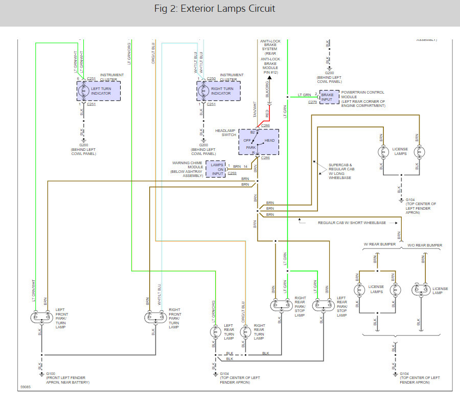
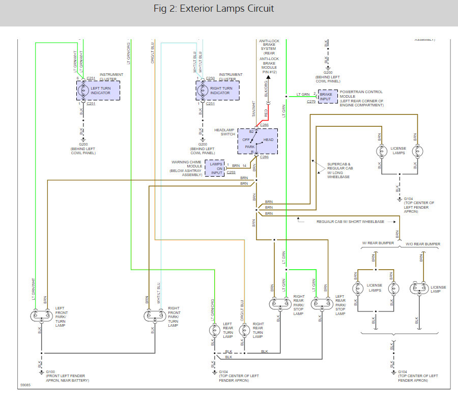
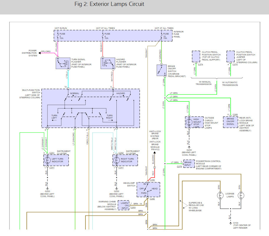
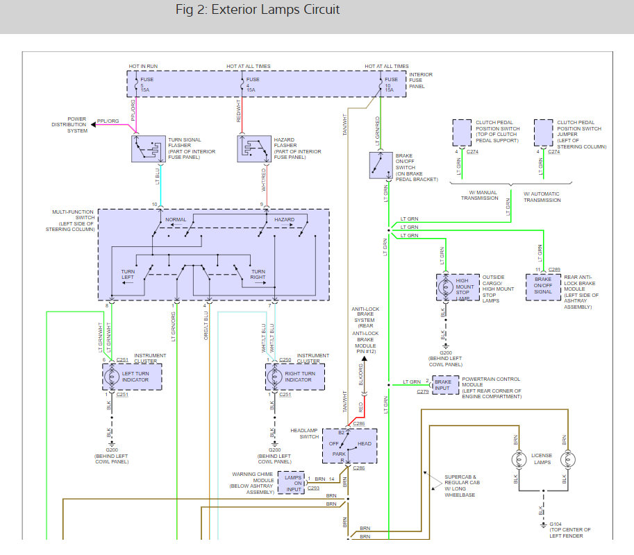
Can you confirm that you have power at fuses #4.#5 and # 10? Here is a guide to help you see how to test for power and the blinker wiring diagrams so you can see how the system works:

https://www.2carpros.com/articles/how-to-use-a-test-light-circuit-tester

Check out the diagrams (below). Please run this test and get back to us.

Cheers, Ken
Jun 2, 2021 at 1:51 PM