1993 Toyota Pickup won't shut off

1993 TOYOTA PICKUP
280,000 MILES • 4 CYL • 4WD • MANUAL
Avatar
STEELES33
  • MEMBER
  • 2 POSTS
My toyota pickup won't shut off even after the battery is entirely disconnected. Have to pull EFI (electronic fuel injection relay). The ignition has been checked and is totally off too and the gage cluster is off- no RPM's etc. I'm totally stumped.
Mar 2, 2011 at 4:42 AM
Advertisement
Avatar
FIXITMR
  • CERTIFIED EXPERT
  • 9,990 POSTS
is it actually running well when off or does it have a****** diesel like sound?
Mar 2, 2011 at 6:37 AM
Avatar
FIXITMR
  • CERTIFIED EXPERT
  • 9,990 POSTS
shaky deisel like sound?
Mar 2, 2011 at 9:13 AM
Advertisement
Avatar
STEELES33
  • MEMBER
  • 2 POSTS
Nope. It runs and sounds normal.
Mar 2, 2011 at 3:33 PM
Avatar
FIXITMR
  • CERTIFIED EXPERT
  • 9,990 POSTS
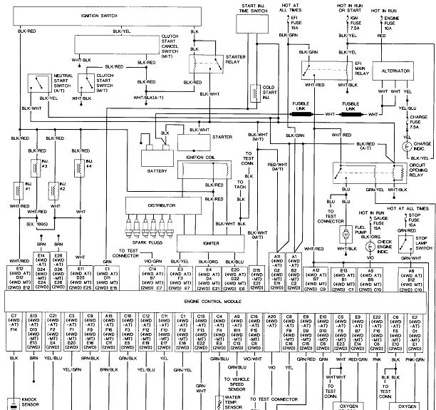
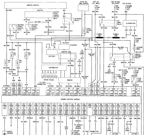
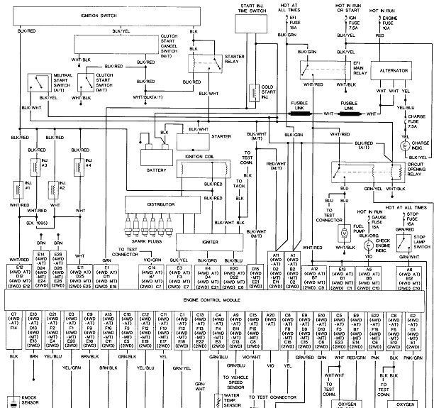
did you try disconnecting ignition switch plug(s)? also see if this chart helps.
Mar 2, 2011 at 11:27 PM