After sitting for several years the electrical is not working

1993 CHEVROLET 3500
100,000 MILES • 7.4L • V8 • 2WD • AUTOMATIC
Avatar
  • MEMBER
  • 1 POST
Vehicle sat for several years, ran fine before. Installed fresh battery, turned key nothing. No lights to the dash, no juice to the starter. Jumped relay, then state changed to crank-no-start. This is a motorhome (P chassis) and I figure the fuel pump is probably in the tank and a bear to get to so I rigged a makeshift fuel delivery system just to move the unit (I know, I know, nothing like living on the edge), throttle body injection received power and functioned as it should. There was no charging to the battery, after a rat infestation. I am sure it is highly likely there is a wire chewed in half somewhere. So far I am not finding anything. There is a panel under the hood that contains a circuit board and a few relays, as the house power system seems to be housed in the same panel as the chassis electrical. It has been years since I have tried to mechanic on anything and my brain is quite rusted. I saw you have answered many thousands of questions and hope I can be added to that number. :-)
Jul 2, 2018 at 6:26 PM
Advertisement
Avatar
STEVE W.
  • CERTIFIED EXPERT
  • 15,113 POSTS
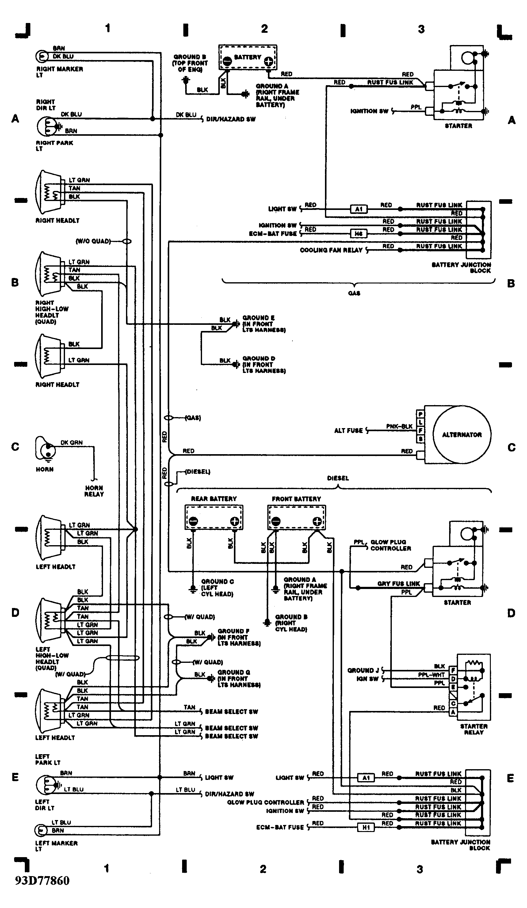
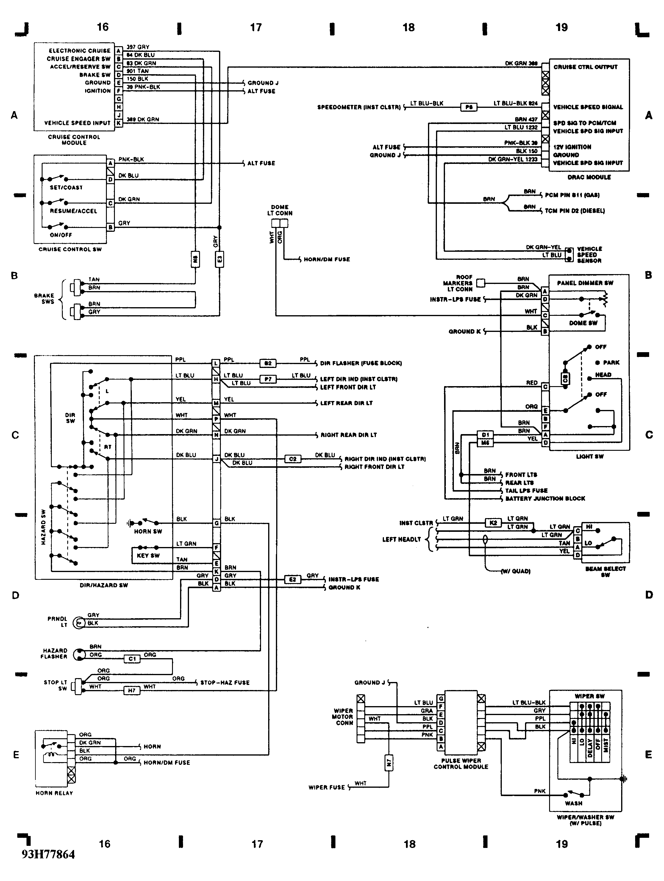
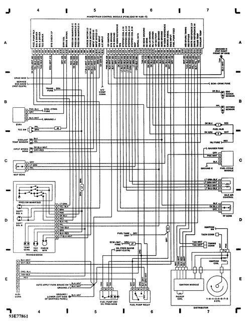
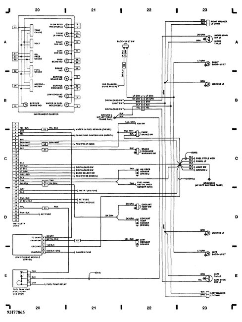
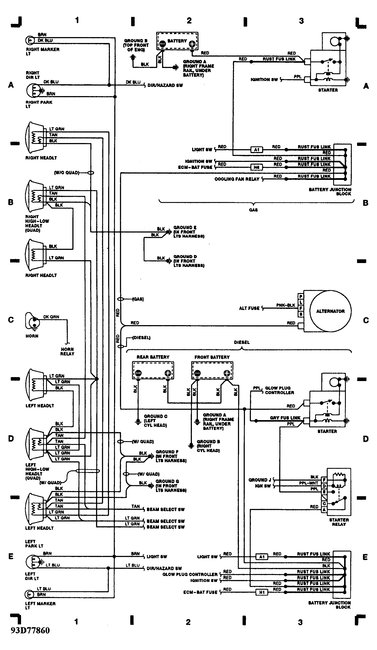
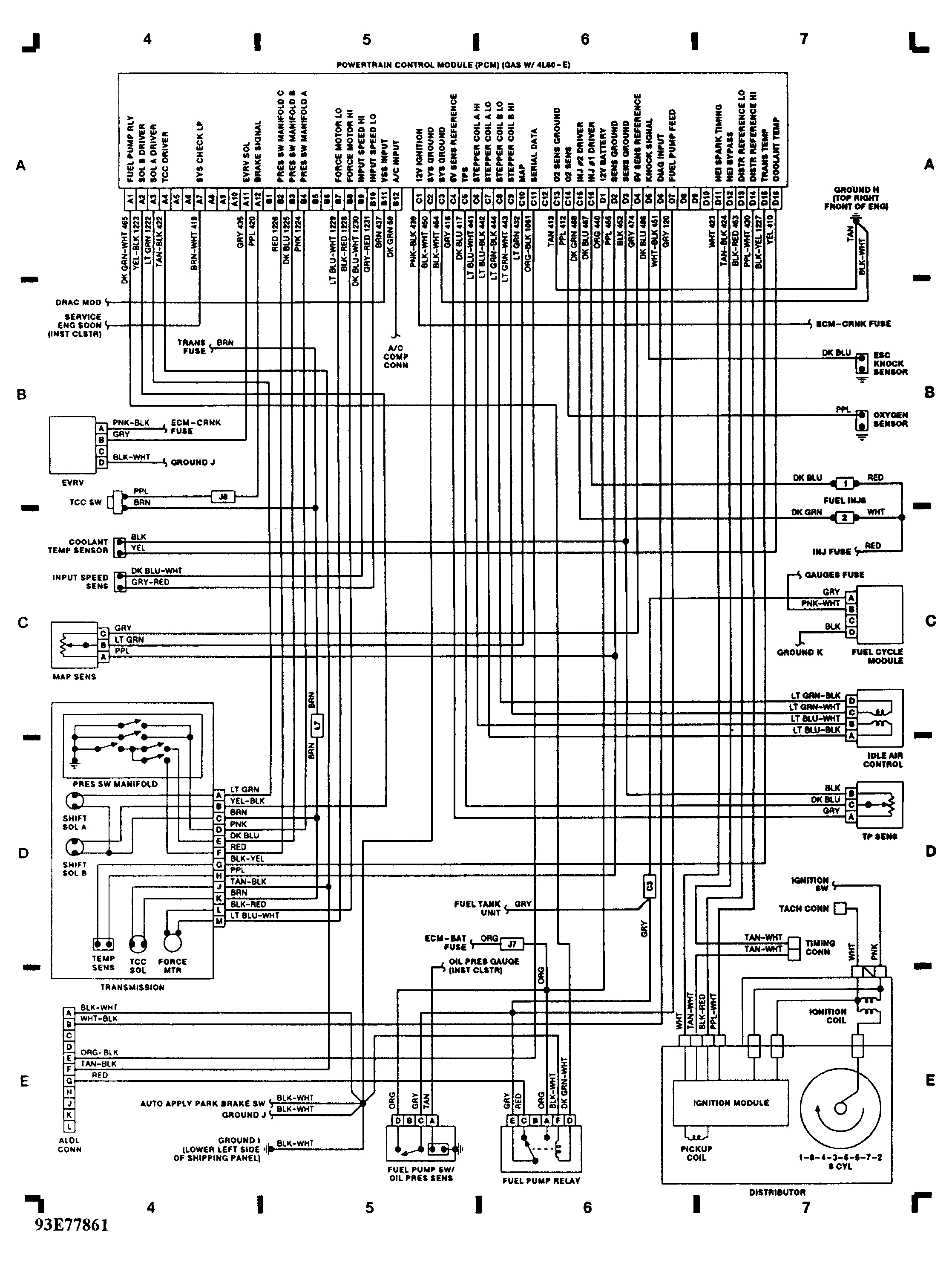
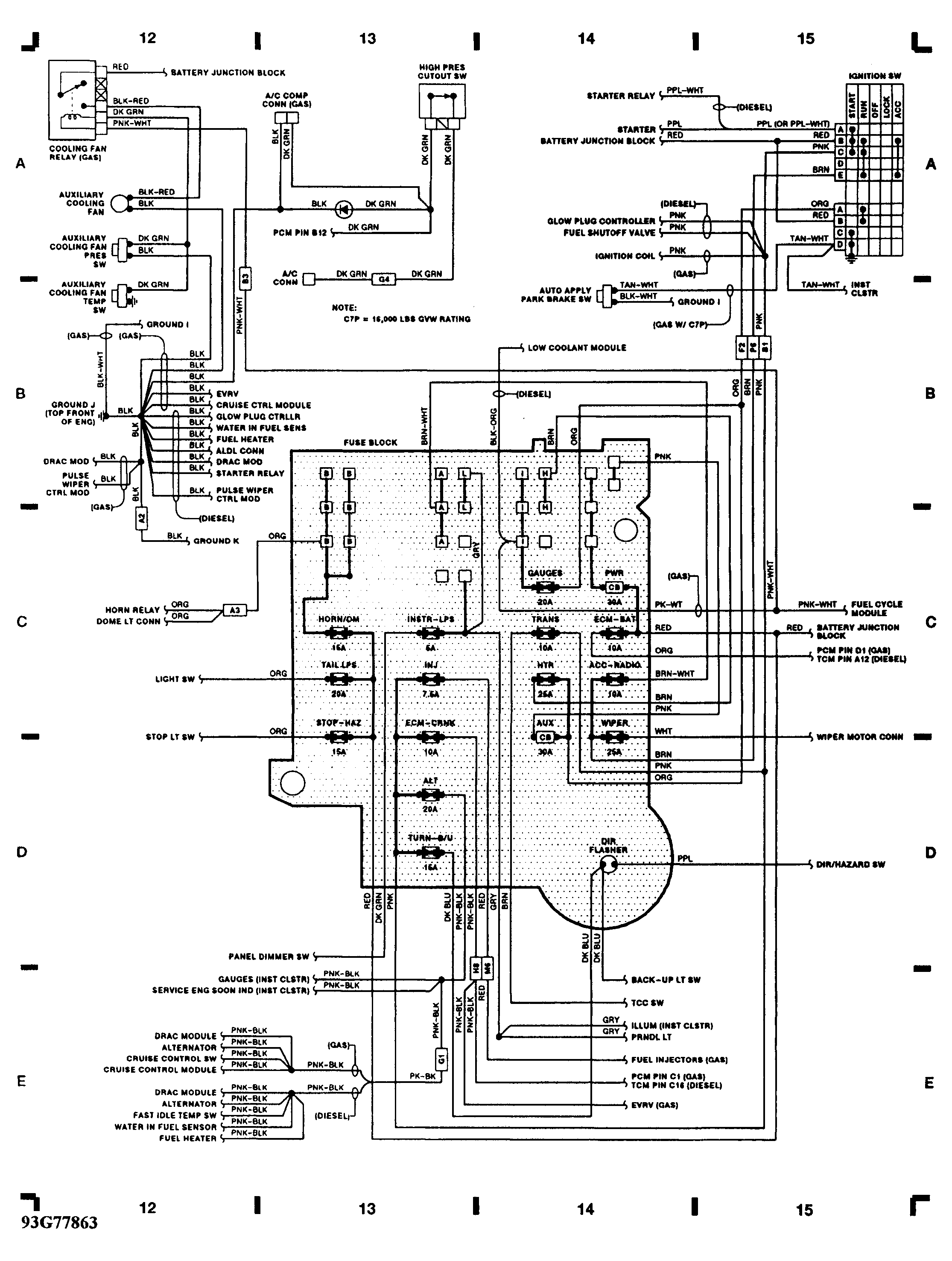
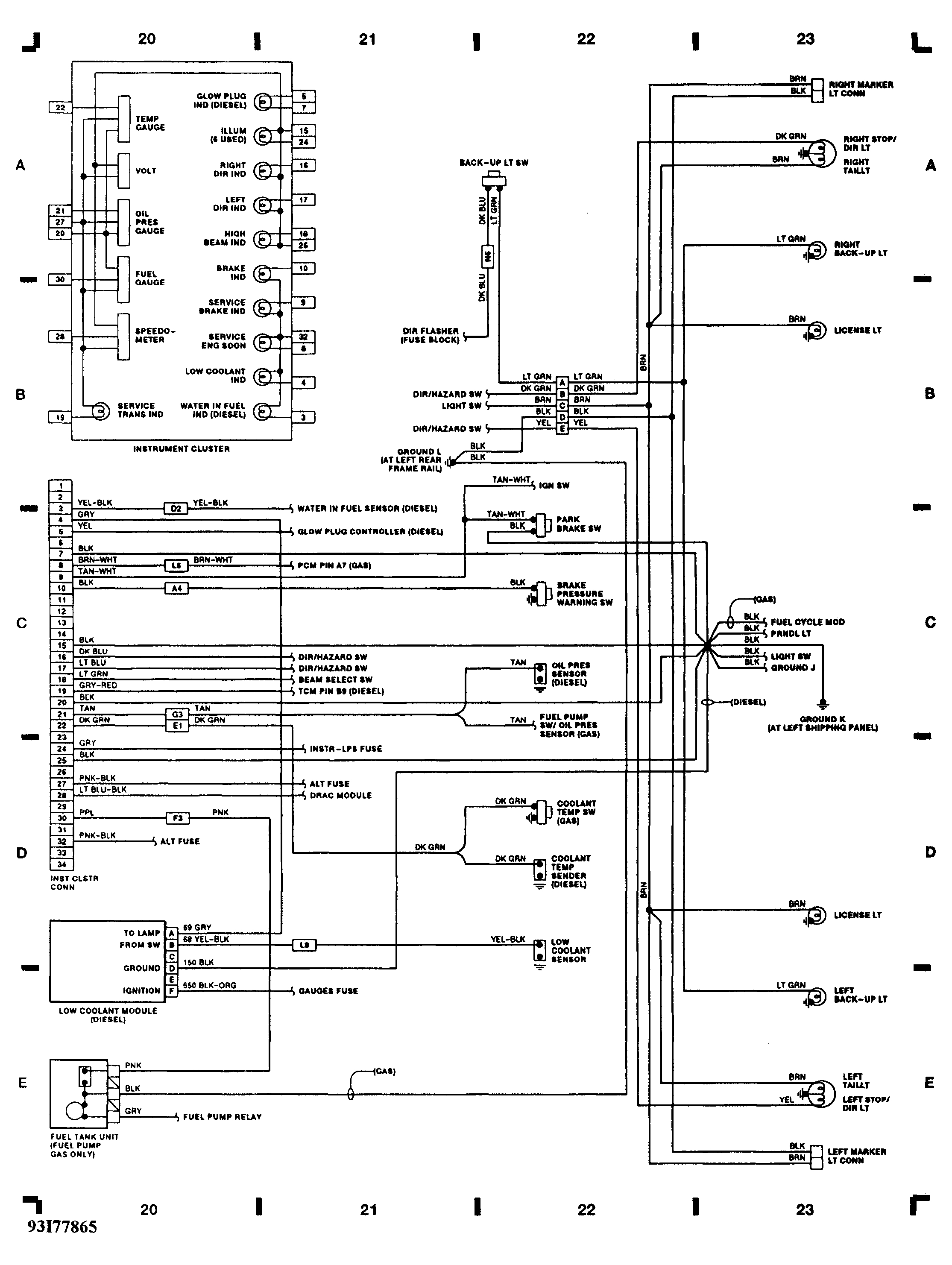
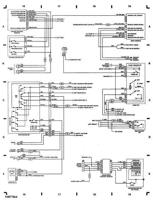
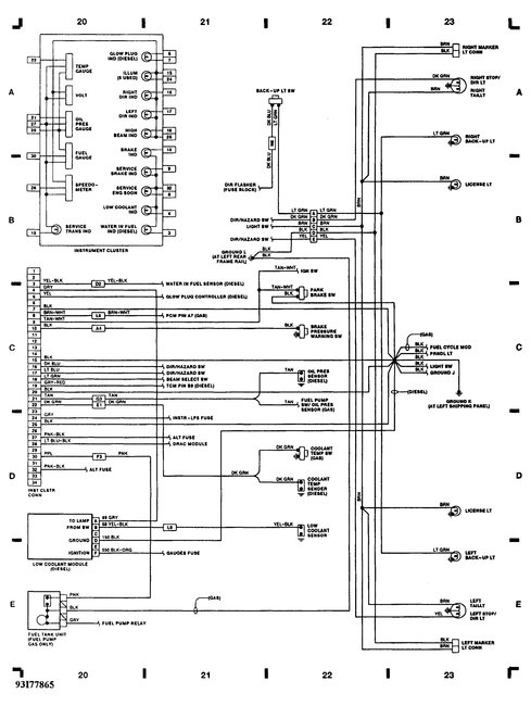
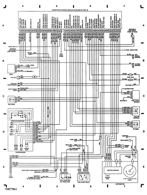
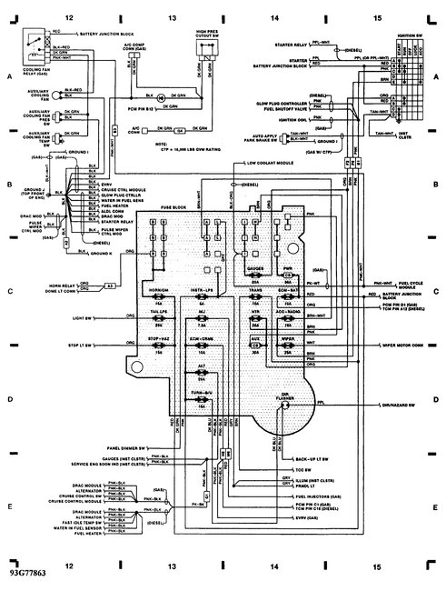
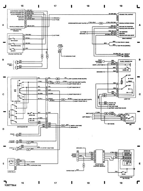
Rodent damage is a major issue for RVs as the various companies do a lot of their own "custom" wiring so using a diagram from the chassis maker can be an issue.

The no crank could be a bad (chewed) wire from the ignition switch, that would also shut down power to the ECM and ignition system. As it ran when parked, it would be one of the items I checked first.

However, we can start with the basics and see what we find. You figure the fuel system is working, how about pulling a couple plug wires and testing for spark? Power into the coil is the pink wire.
I attached the wiring diagrams for the chassis below and the link is to a 1992 manual (which if your rig is built like most it is probably a 1992 chassis under a 1993 RV, not that they changed much until the 1995/1996 years when they went to OBD II.

www.gmcmi.com/wp-content/uploads/2014/05/P30-Chassis-Manual.pdf
Jul 4, 2018 at 12:55 AM