security system problem and power locks don't work

1993 NISSAN PATHFINDER
197,000 MILES
Avatar
MARSHALL4544
  • MEMBER
  • 7 POSTS
i took my 1993 nissan pathfinder into the show for some repairs i have gotten it back but the security indicator on the center console is flashing very rapidly all the time and the switch as no effect. i have also checked all the fuses. however the power locks also don't work and i am looking for how to fix the light first of all and have the security switch functioning, but then anyway for me to fix the power locks.
Jan 10, 2012 at 4:32 AM
Advertisement
Avatar
DRCRANKNWRENCH
  • CERTIFIED EXPERT
  • 3,380 POSTS
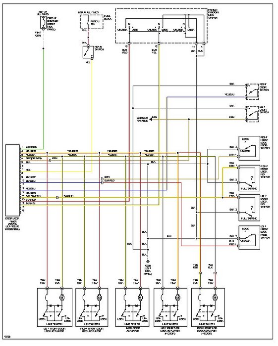
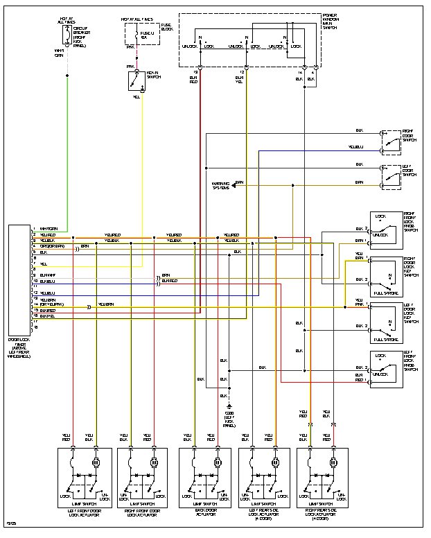
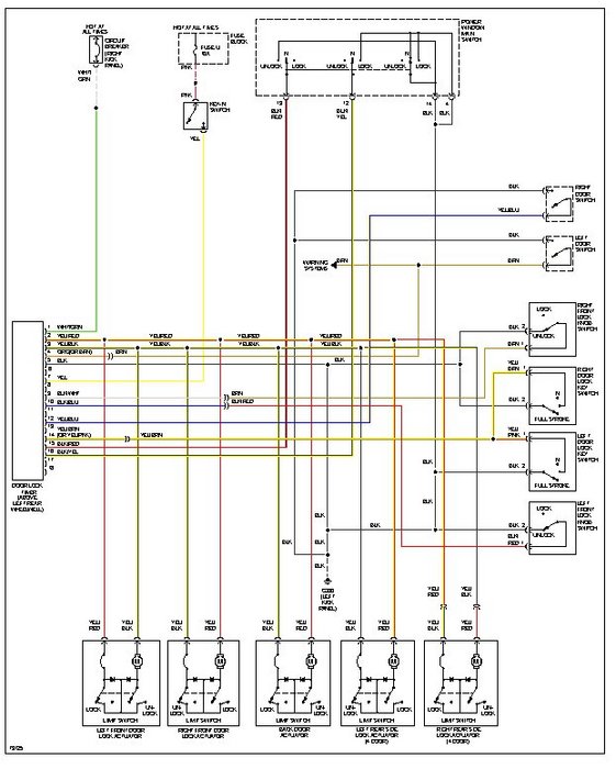
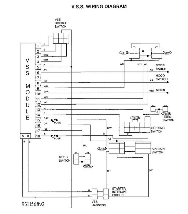
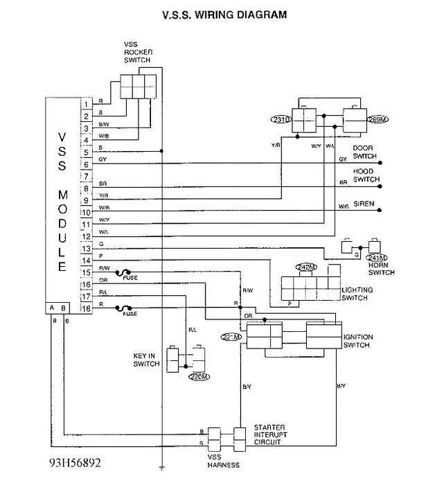
There is a fault in the security system that is affecting the power door locks.
I am giving you a wring diagram for the power door locks. Look for the correlation or connection siganl from the secuirty sytem.
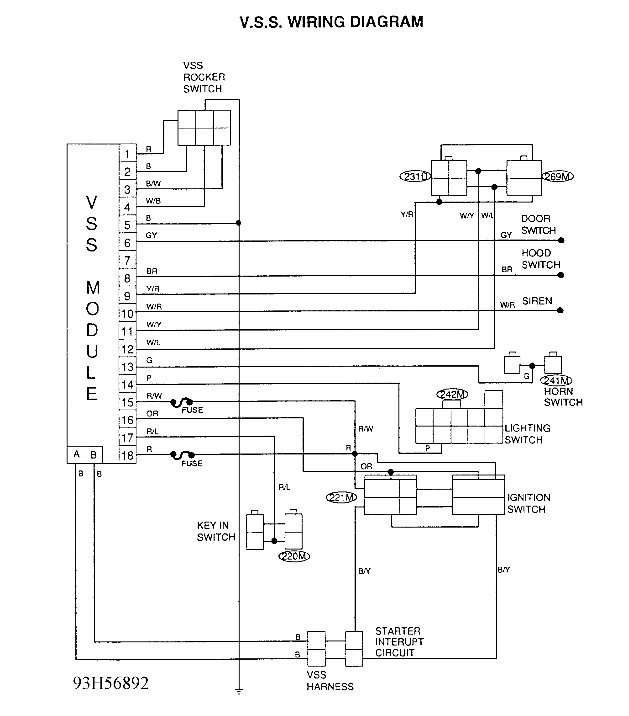
I am also giving you the security sytem, referred to as VSS, diagram and a diagram from the included test for door lock and system faults which is the pinout for the VSS connector.
Check the grounds in the diagrams as well. They should have a good, corrosion free, metal to metal connection.
Jan 11, 2012 at 2:40 AM
Avatar
MARSHALL4544
  • MEMBER
  • 7 POSTS
Thank you so much but a few quick questions where is the vss module and second will that cause the rapid flashing of the security light?
Jan 11, 2012 at 6:43 AM
Advertisement
Avatar
MARSHALL4544
  • MEMBER
  • 7 POSTS
o and how do i check continuity?
Jan 11, 2012 at 6:44 AM
Avatar
DRCRANKNWRENCH
  • CERTIFIED EXPERT
  • 3,380 POSTS
You can get a multi -meter, you sould use a check light but sometimes it is not safe for tests that involve the ECU or a PCM. So, you would use the meter an check for resistance. If the circuit is open, you will get infinate resistance. For instance, if you were checking a ground to see if it was good, you would get a low resitance reading if it had a good clean fit allowing the electricity to go into and through the ground. If the ground has become dis-connected or so corroded that electricity cannot pass through the ground, it will give you a very very high or infinate resistance reasing.
Jan 12, 2012 at 12:43 AM
Avatar
DRCRANKNWRENCH
  • CERTIFIED EXPERT
  • 3,380 POSTS
I looked for the VSS location and did not see it but I willl check again. You might have to use the wiring diagram to locate it. I know that sounds a bit tough but generally you will be looking under the dash on driver side or under the hood near the fuse/relay box. The you look for a control type box which is any box with an electrical connector and no other connections. Then you would have to match the wire colors to make sure you have the right control box. You might have to go to an enthusiast forum to use the search function and find a post thread where someone has asked that question and another member who has been in the situation you are facing answers the question. I am not sure why some information is not available in the service manuaals we can acces, but I looked for it in several ways and could not find its location. One thing you will have problems with when searching for it is that the Vehicle Speed Sensor, VSS, has the same acronym and is a more commonly searched or referred to sensor that the control box you are looking for.
The rapid flashing is actually a morse code for a trouble code and is referred to as the, "short code" which is a single or two digit number that will give you some of the trouble code in a short listing. It is a lot easier to go to Advance Auto ro Auto Zone and let them put a reader on it that will give you more information than the short code. If you conunt how many times it flashes and then it eventuially pauses, that is what is going on. Otherwise that is the only reason that they flash like that for. There may be a code that matches a non stop flash.
Jan 12, 2012 at 12:52 AM
Avatar
MARSHALL4544
  • MEMBER
  • 7 POSTS
ok well i now have the locks fully functional even with the remote by replacing the "Power Switch timer" in the left of the trunk. However the security light flashes non stop very quickly (at least 2 times a second) and i have looked the the wiring diagrams to no avail any ideas on why it would flash that rapidly with out pause?
Jan 16, 2012 at 6:28 AM
Avatar
KHLOW2008
  • CERTIFIED EXPERT
  • 41,814 POSTS
Are you able to start engine?
Does the flashing stop when engine is started?
Does using the remote to arm and disarm the security system make any differences?
Jan 16, 2012 at 11:55 AM
Avatar
MARSHALL4544
  • MEMBER
  • 7 POSTS
Yes it starts just fine and it continues flashing just the same on or off and while starting and the only time it changes was when i was programing the remote which has now stopped working. in the programming mode it turned off and flashed with the programing beeps
Jan 17, 2012 at 2:51 AM
Avatar
KHLOW2008
  • CERTIFIED EXPERT
  • 41,814 POSTS
V S S is under the driver seat. How did you program the remote?


Jan 17, 2012 at 1:48 PM
Avatar
MARSHALL4544
  • MEMBER
  • 7 POSTS
Under the carpeting on the right side under the driver seat there is a button in a hole on top of the box. I turn the key on then off push the button(the security light stops flashing and starts with the beeps) the black box begins beeping at single second intervals and I hit the unlock button on the wireless remote. However when I exit programming mode the light begins flashing at the previous rate.
Jan 17, 2012 at 4:23 PM
Avatar
KHLOW2008
  • CERTIFIED EXPERT
  • 41,814 POSTS
Hood switch should be along perimeter of engine compartment. It is the switch for indicating the hood switch is closed. It could have been dislodged or moved out of adjustment when repairs were made.
Jan 17, 2012 at 5:20 PM
Avatar
MARSHALL4544
  • MEMBER
  • 7 POSTS
Ok I will check that are their any other things that could cause this?
Jan 17, 2012 at 7:12 PM
Avatar
KHLOW2008
  • CERTIFIED EXPERT
  • 41,814 POSTS
Apart from this, the only other thing that can cause this would be the VSS module or missing power to the VSS.
Jan 17, 2012 at 7:44 PM