Pass key fault

1993 CADILLAC FLEETWOOD
63,000 MILES • 5.7L • V8 • 2WD • AUTOMATIC
Avatar
GARRETTW
  • MEMBER
  • 1 POST
Good afternoon, I’ve have the pass key issue. I’ve replaced the ignition. I’ve also tried soldering a resister to the ignition side of the unit still to no prevail. it’s intermittent however it doesn’t work when i need it the most. is there anything i can do to fix this? i don’t want to rig and then it stop working again. is there a permanent fix? This car is the Brougham model.
Dec 16, 2018 at 5:35 PM
Advertisement
Avatar
ASEMASTER6371
  • CERTIFIED EXPERT
  • 52,796 POSTS
Good morning.

On the old pas-key system, the ignition switch has two wires that off of it. It was common for the wires to fray or break causing a no start.

The correct procedure is to replace the lock cylinder with a new one if that is the issue.

Roy

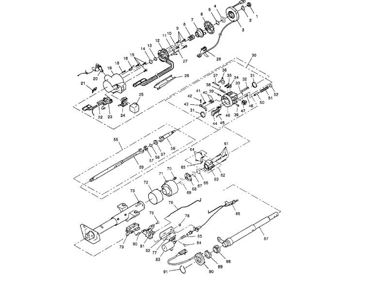
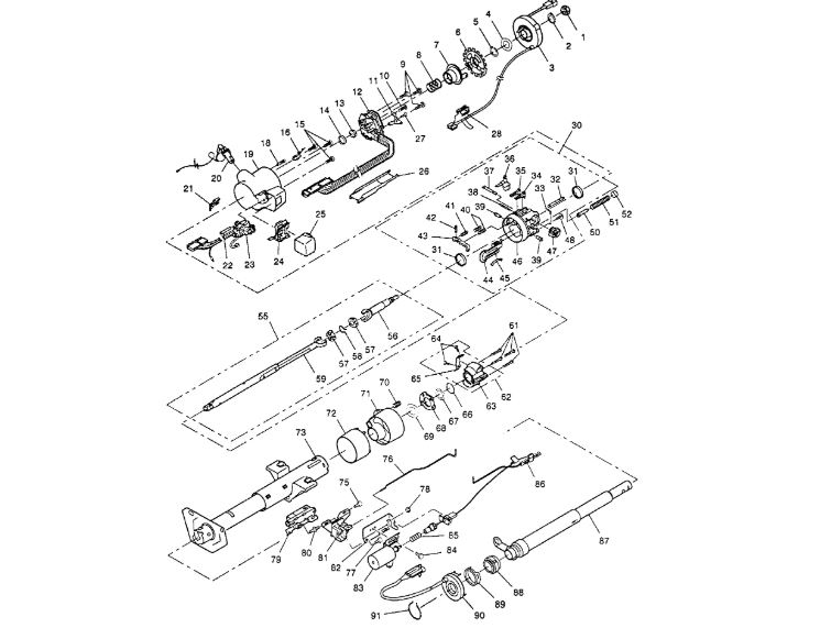
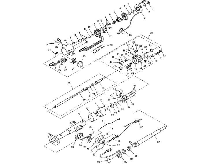
On models equipped with airbags, disable airbag system as described under MAINTENANCE PROCEDURES/AIRBAG SYSTEM DISARMING then remove steering wheel as described under STEERING WHEEL.
2. On all models, remove turn signal switch as described under TURN SIGNAL REPLACE, then remove buzzer switch.
3. Place ignition switch in Run position, then remove lock cylinder retaining screw and lock cylinder.
4. Install by rotating lock cylinder to stop while holding housing, Fig. 1. Align cylinder key with keyway in housing, then push lock cylinder assembly into housing until fully seated.
5. Install lock cylinder retaining screw.
6. Install buzzer switch, turn signal switch and steering wheel.
7. Rearm airbag system as described under MAINTENANCE PROCEDURES/AIRBAG SYSTEM DISARMING
Dec 17, 2018 at 7:57 AM