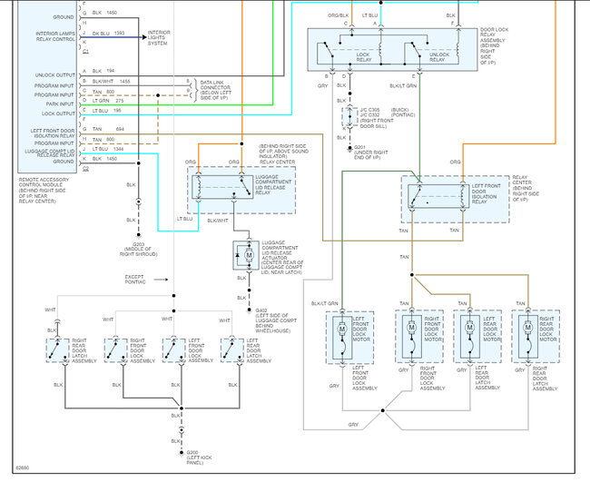
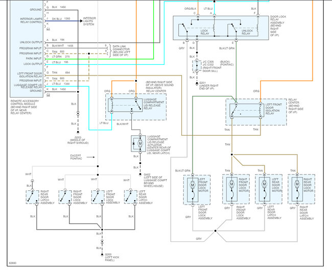
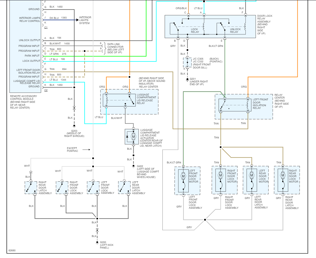
Although the doors lock when in drive and unlock when in park, I cannot use the buttons manually....yikes, getting old locking all doors in such a huge car....could it be a fuse? since my windows work, sometimes lol
May 11, 2012 at 8:52 PM


