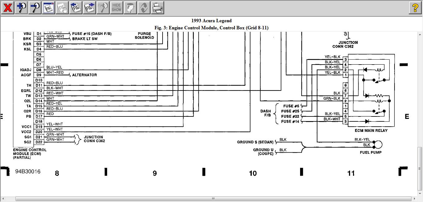
I have replaced all fuel pump components to include the PGM-FI relay, fuel pump, all filters, and fuses, last time i had this problem i took it too a mechanic who said he replaced a fuse under the dash somewhere near the steering column and it fired right up if anyone could help me i would appreciate it.
Jan 29, 2012 at 11:35 PM
