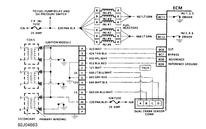
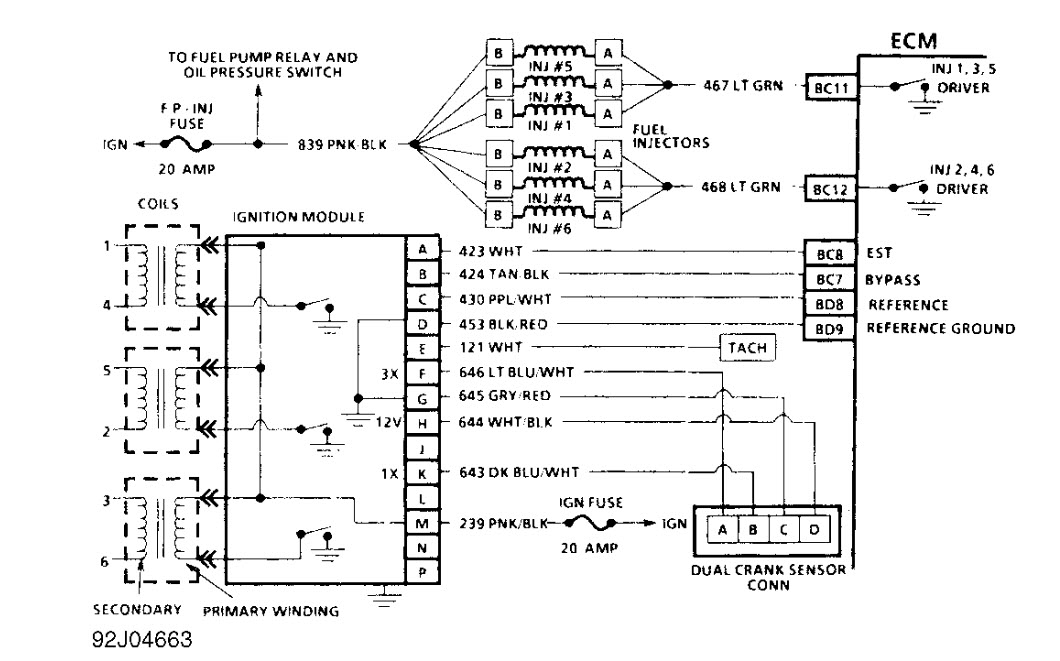
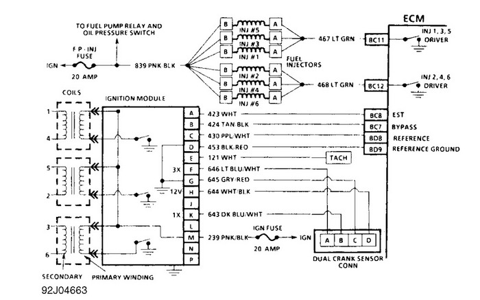
starts up and revs high and then falls flat to a rough idle and stalls. Only code is 41.
Jan 2, 2012 at 5:44 PM
Advertisement
HMAC300
CERTIFIED EXPERT
48,601 POSTS
there is no code 41 it is either a 14 or a 42 the code 42 deals with the ignition system meaning module and pickup coil i'll send the way to check it. also check for vacuum leak and fuel pump pressure 41-47 if port fuel and 9-11 if tbi.