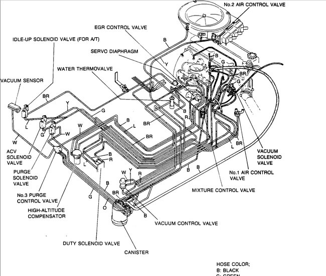
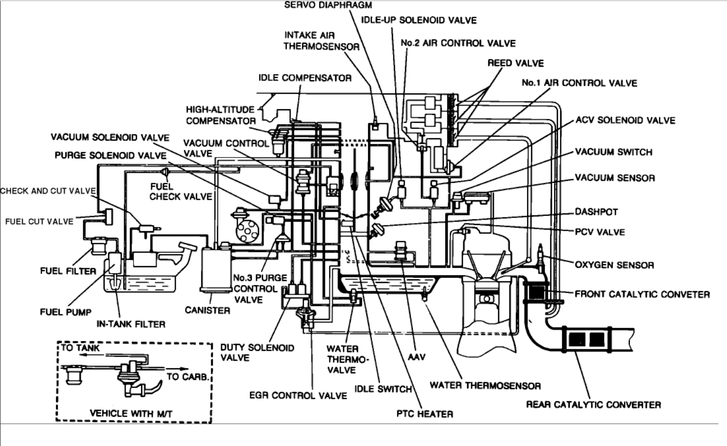
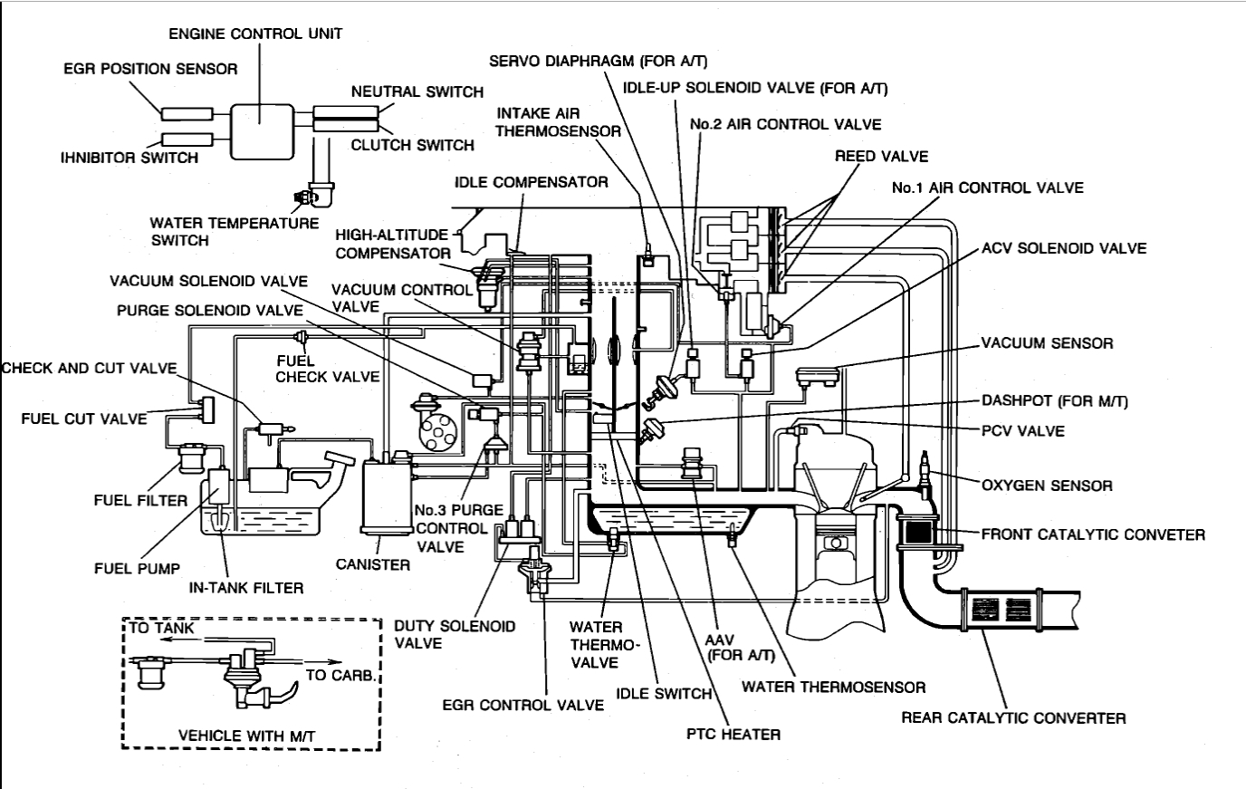
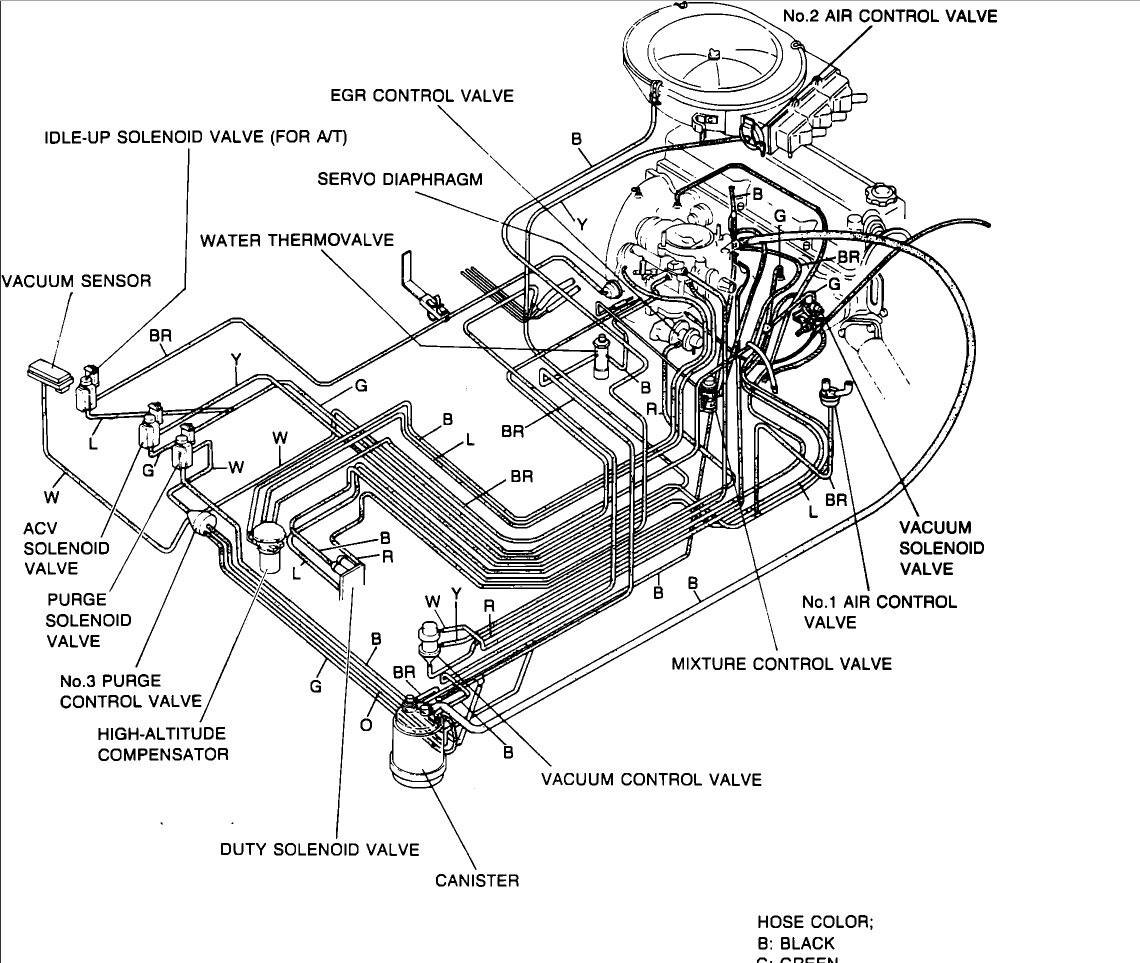
I have a 1992 Mazda B2200 and I was wondering if anyone out there could send me photos of what they are (where they are located) so I can reinstall new vacuum lines on my truck (carbureted):
Primary Main Air Bleed,
Secondary Main Air Bleed,
Idle Compensator,
Secondary Venturi,
Float Chamber
All of these are hook ups for vacuum lines.Thank you in advance!Steve
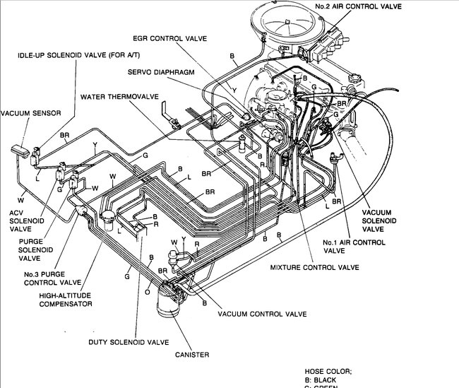
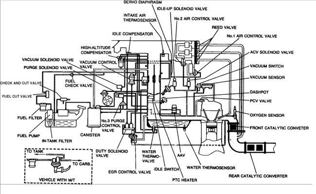
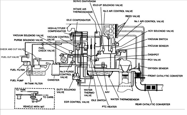
Primary Main Air Bleed,
Secondary Main Air Bleed,
Idle Compensator,
Secondary Venturi,
Float Chamber
All of these are hook ups for vacuum lines.Thank you in advance!Steve
Jan 9, 2012 at 7:33 PM




