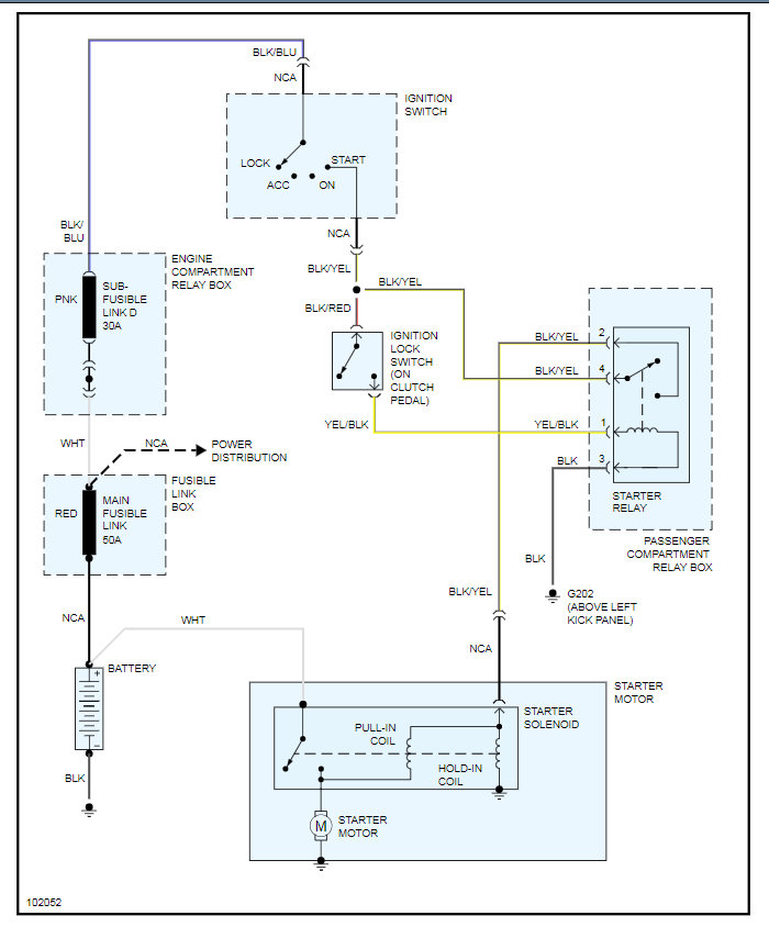
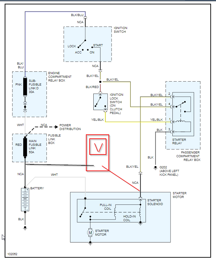
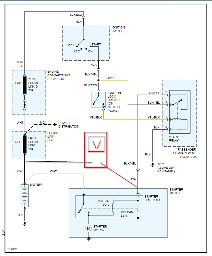
The original starter would do nothing;no sound when i turned the key on, no click, nada. then it would slow crank and start.sometimes it would start right up, so problem is intermittent.
I replaced starter with rebuilt starter and it's doing the exact same symptoms as the old starter i removed. My battery checks out fine..12.6 volts, cca 790, and alternator putting out at 14 volts.. i did not replace my clutch switch, but did replace the clutch pedal bumper stop that hits the clutch switch, and still same intermittent start.
I checked all battery cables and grounds and things were okay. sanded the grounds.
I do not want to remove the rebuilt starter as it a bear to remove and install. I am getting 12 volts to starter solenoid trigger but not sure if it's present all the time and all my voltage drop tests were in specs..
Please help. there is a starter relay but i swapped it with another same number part relay and still problems.. any advice much appreciated. Thanks you guys have always helped in the past. very frustrated here.
i ordered an ignition switch but didn't arrive yet. I ohmed the clutch switch at disconnected wire and it showed continuity. i didn't push the switch in. is it still suppose to get continuity if you activate the switch?
I need help.. :( :( :(
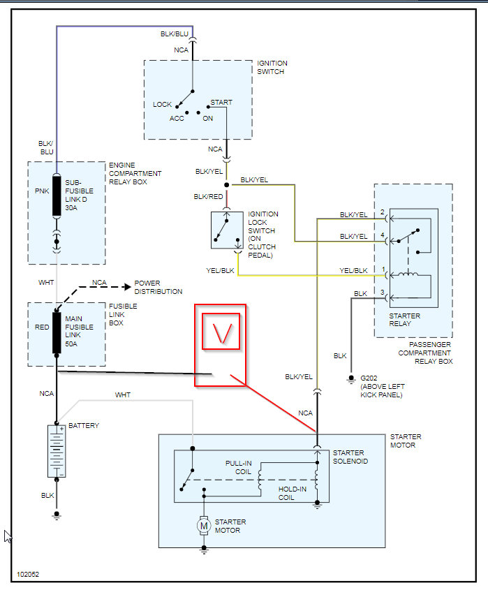
I replaced starter with rebuilt starter and it's doing the exact same symptoms as the old starter i removed. My battery checks out fine..12.6 volts, cca 790, and alternator putting out at 14 volts.. i did not replace my clutch switch, but did replace the clutch pedal bumper stop that hits the clutch switch, and still same intermittent start.
I checked all battery cables and grounds and things were okay. sanded the grounds.
I do not want to remove the rebuilt starter as it a bear to remove and install. I am getting 12 volts to starter solenoid trigger but not sure if it's present all the time and all my voltage drop tests were in specs..
Please help. there is a starter relay but i swapped it with another same number part relay and still problems.. any advice much appreciated. Thanks you guys have always helped in the past. very frustrated here.
i ordered an ignition switch but didn't arrive yet. I ohmed the clutch switch at disconnected wire and it showed continuity. i didn't push the switch in. is it still suppose to get continuity if you activate the switch?
I need help.. :( :( :(
May 26, 2020 at 8:41 PM

