1992 GMC Truck 92 no 4 wheel drive

1992 GMC TRUCK
4.3L • 6 CYL • 4WD • MANUAL
Avatar
ASESTIEG
  • MEMBER
  • 4 POSTS
Having a problem with my 4 wheel drive,it is a floor shift. The tranfercase shifts fine and turns the front differential but not the shafts.it has always delayed in engagement but now it will go in at all. Let me know what you think, diagrams help to thanks!
Feb 17, 2015 at 12:10 PM
Advertisement
Avatar
DR LOOT
  • CERTIFIED EXPERT
  • 2,311 POSTS
on your floor shifter does the light to illuminate when you are in for low or high? this is critical in determining if it's an electrical problem or a vacuum problem. the actual are engaged by an actuator on top of the front differential housing on the right side. remove the vacuum line with the vehicle running and make sure you have suction if you have suction then it is electrical. Let me know and I'll help you trace it out
Feb 17, 2015 at 4:08 PM
Avatar
ASESTIEG
  • MEMBER
  • 4 POSTS
No, The 4 wheel drive indicator light does not come on.
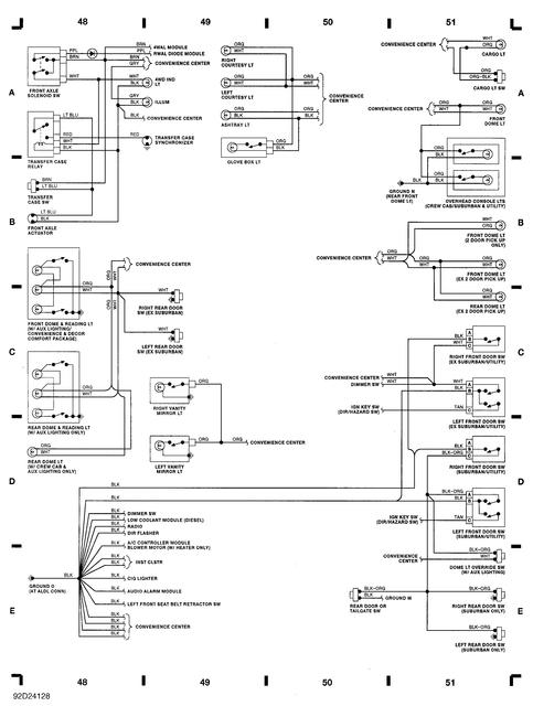
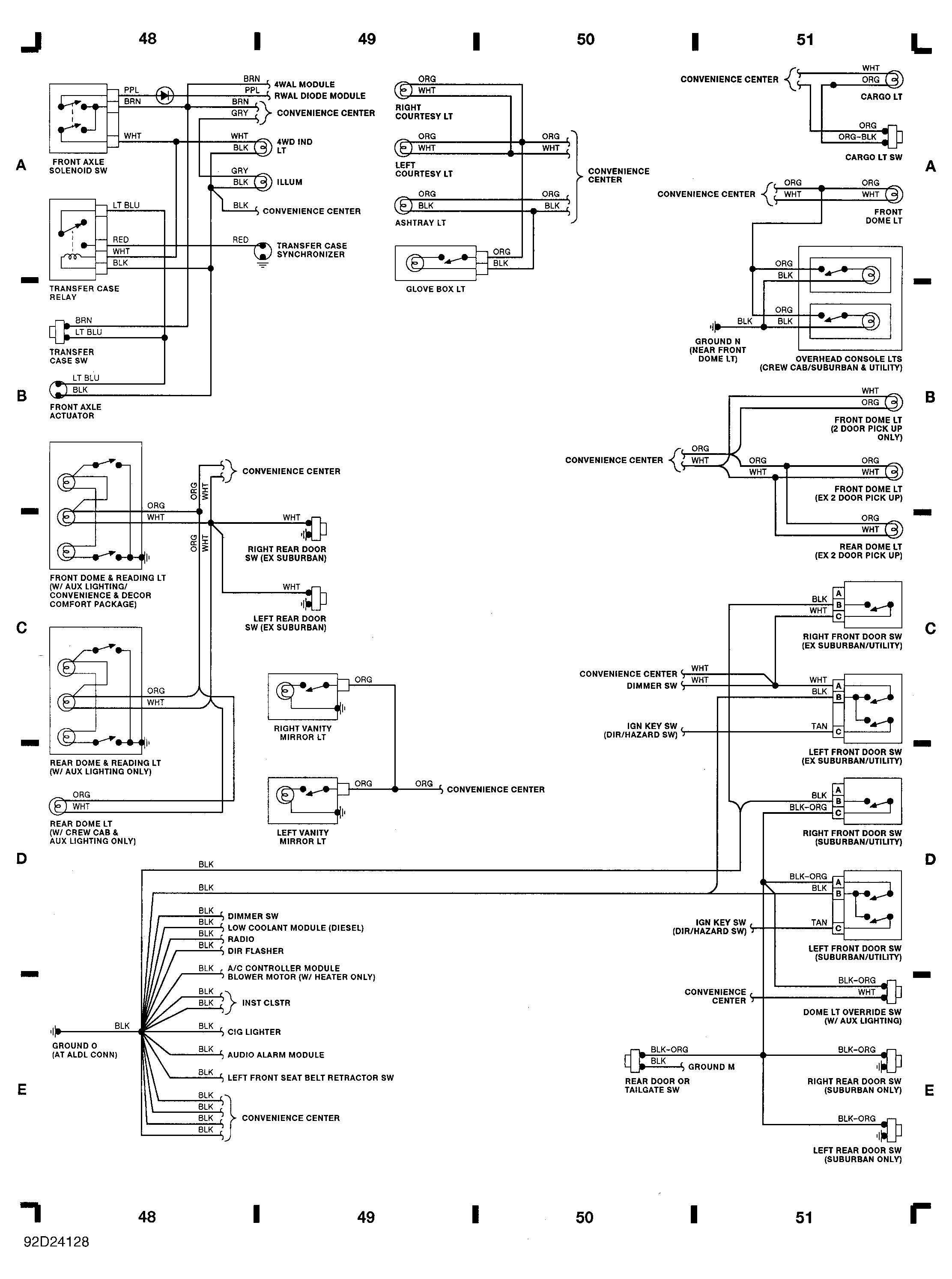
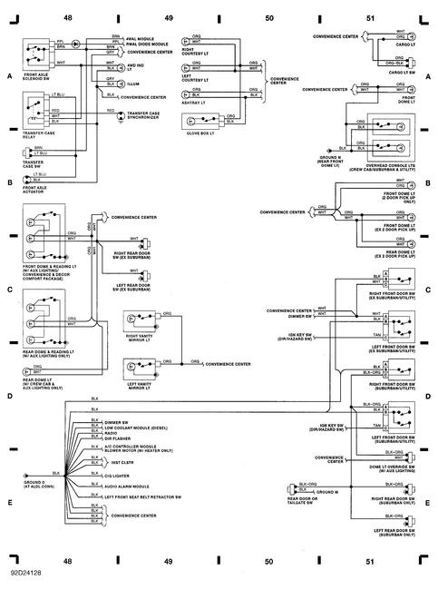
I check and the actuator is not vacuum but instead electric. It has two wires one is blue and the other is black. Need to have a look at a wiring diagram if you can post them. Thanks!
Feb 17, 2015 at 5:58 PM
Advertisement
Avatar
DR LOOT
  • CERTIFIED EXPERT
  • 2,311 POSTS
there you go, let me know if that's all.
Feb 17, 2015 at 9:04 PM
Avatar
ASESTIEG
  • MEMBER
  • 4 POSTS
The 4x4 actuator on the front axle was bad, had power going to it but no movement, also the ohms was infinity making it an open cuircut.
Feb 25, 2015 at 2:36 PM
Avatar
DR LOOT
  • CERTIFIED EXPERT
  • 2,311 POSTS
I'm glad you were able to find the problem, let me know if there's anything else I can do for you.
Feb 25, 2015 at 8:48 PM