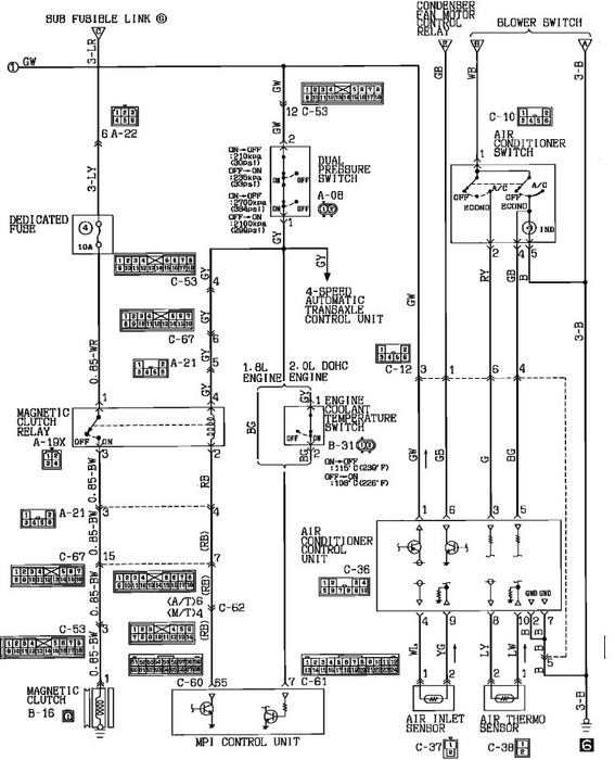
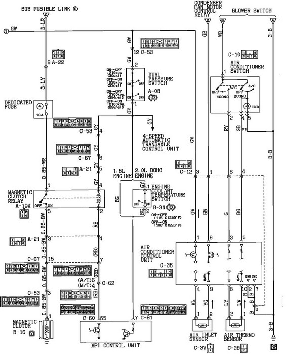
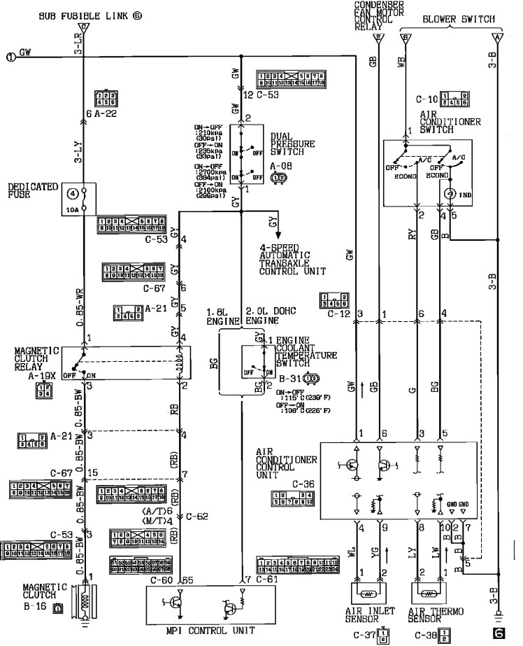
I have a 1992 eagle talon with an A/C issue. I have checked the pressures and if I put 12v to the compressor clutch it works fine. I have check the dual pressure switch, temp sensor, the relay itself and they all seam fine. It is a control issue not a function issue any ideas of what to look at next?
May 20, 2011 at 3:20 PM

