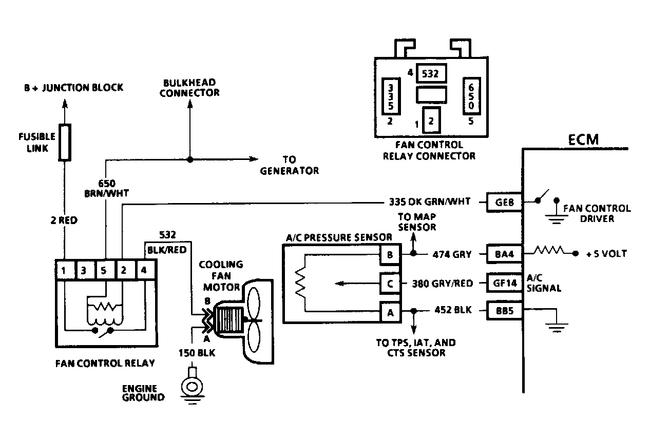
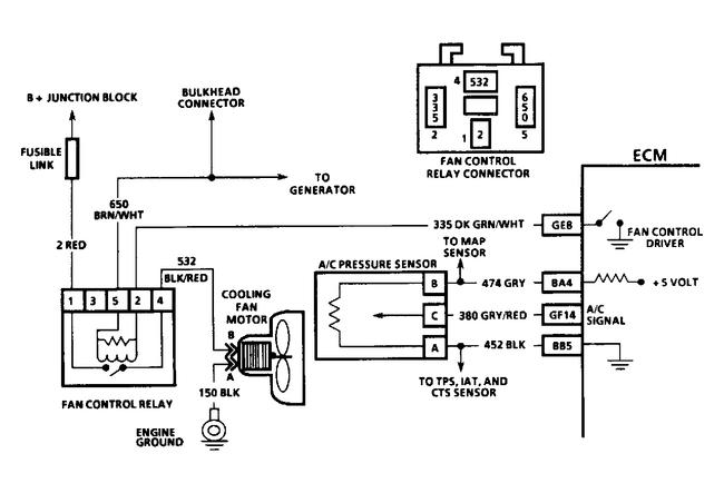
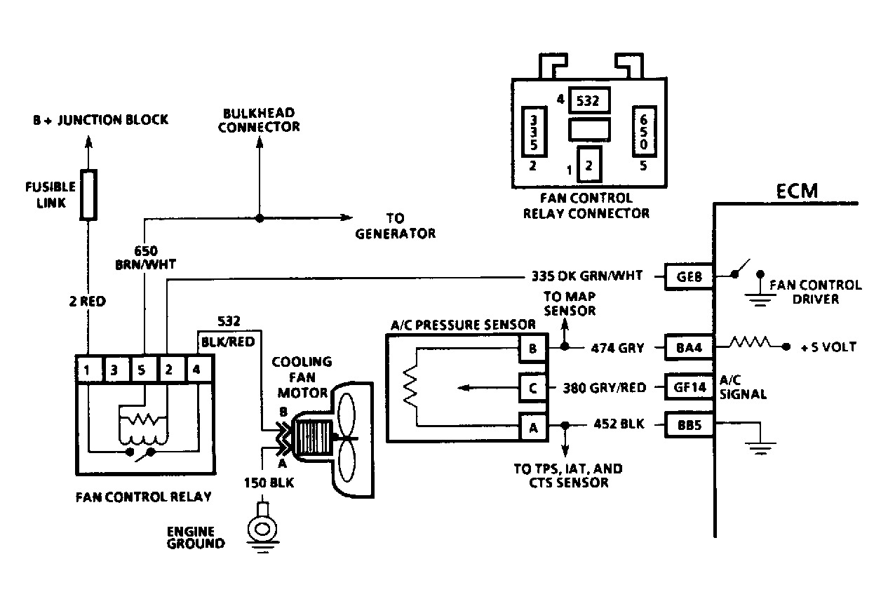
My car fans are not working, and I think its the fuse for the fans. Does anyone have a picture of the fuse box diagram?
My car does not have it and I would really appreciate it if someone could help me out please
My car does not have it and I would really appreciate it if someone could help me out please
Dec 8, 2015 at 2:25 PM

