Tachometer

1992 CHEVROLET CAPRICE
115,000 MILES • V8 • 2WD • AUTOMATIC
Avatar
SHAMSHIR
  • MEMBER
  • 2 POSTS
1992 Chevrolet Caprice Classic LTZ Tachometer swings all the way round and does not register. Is there a fix Ron Perry [email protected]
Apr 16, 2011 at 7:11 PM
Advertisement
Avatar
JDL
  • CERTIFIED EXPERT
  • 16,098 POSTS
Does the speedometer work ok?
Apr 16, 2011 at 8:17 PM
Avatar
SHAMSHIR
  • MEMBER
  • 2 POSTS
Yes, the speedometer works fine. The Tachometer is a separate instrument.
Apr 16, 2011 at 9:01 PM
Advertisement
Avatar
JDL
  • CERTIFIED EXPERT
  • 16,098 POSTS
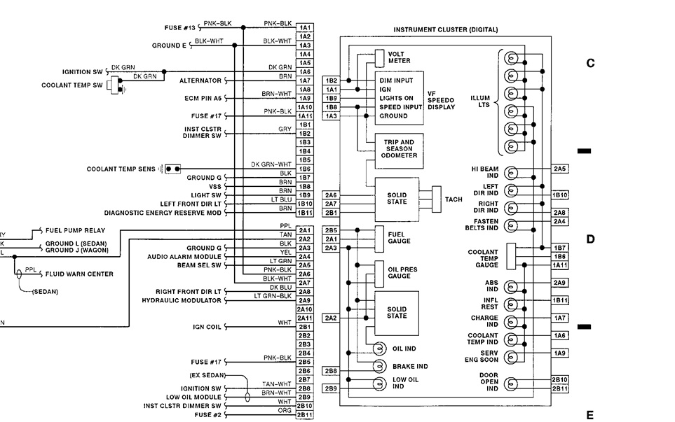
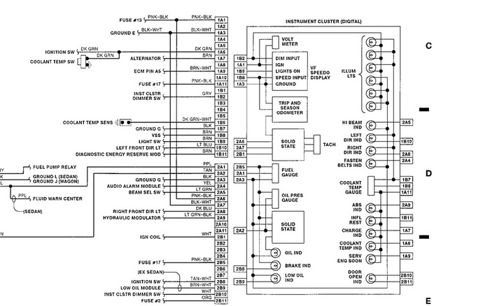
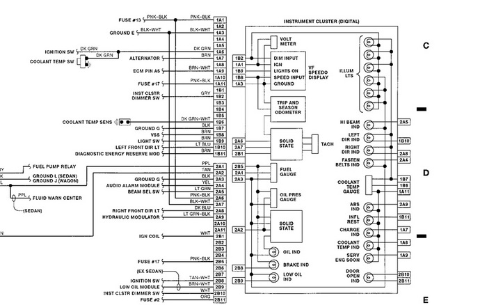
Yes, I realize that. At the moment I think it is your tach/instrument cluster has a problem. Is this a digital cluster? I'd check circuits 2A6--2A7--2B1, if that checks out replace the cluster.
Apr 16, 2011 at 9:16 PM