1992 Buick Century Fuel pump

1992 BUICK CENTURY
Avatar
SONDRAL
  • MEMBER
  • 1 POST
Is there an access panel to the fuel pump or do I have to go thru the gas tank? How do I replace the filter screen, wires, and pump? How do I drop the tank if I have to go that route? Do I have to drain the tank and how do I do that?
Jul 2, 2013 at 12:46 AM
Advertisement
Avatar
STRAILER
  • CERTIFIED EXPERT
  • 53,855 POSTS
Hey SONDRAL

yes you will need to drop the tank which is not that bad, also you will need to drain the gas, we have a couple of great guides that will show you what you are in for when doing this job.

https://www.2carpros.com/articles/how-to-replace-an-electric-fuel-pump

and

https://youtu.be/SOmd3BoE4YU

This will give you an idea on what you will be doing.

Please let us know happens so it will help others.

Best, Ken
Dec 22, 2016 at 5:26 PM
Avatar
COUNTRYGAL1962
  • MEMBER
  • 1 POST
Engine Mechanical problem
1994 Buick Century 6 cyl Front Wheel Drive Automatic 128, miles

I had a bad fuel pump,..changed it out and it ran fine ..but i had pinged a hole in the gas sending unit,.. replaced the sending unit and now i can start it but bogs out to a stall if i try to push the gas peddle down,... it ran fine with a hole in the sending unit!!!! once I changed it,.....fuel injected,..souldnt have to pump the gas up, i can pump it and rev the car up but not under normal put it in drive and go
Dec 22, 2016 at 5:26 PM (Merged)
Advertisement
Avatar
INTERNETMECHANIC
  • CERTIFIED EXPERT
  • 700 POSTS
I'd use a gage and check fuel pressure. Some of the national brand autostores used to loan out a fuel pressure gage, if you don't have one. Any applicable codes? You should be able to access mil codes yourself.
Dec 22, 2016 at 5:26 PM (Merged)
Avatar
JAMES YOUNG
  • MEMBER
  • 1 POST
Engine Mechanical problem
1994 Buick Century 6 cyl Two Wheel Drive Automatic 120000 miles

my car will turn over but will not start. this is not an engine that i am familiar with and i am just going through all possibilities. i need to know how to change a feul pump if need be. l havnt been able to get up under it to see what i am dealing with yet. but my tools are limited .hom much will this item cost at it cheapest and what aill be the easiiaest way to do this myself.i have changed one on a van and had to drop the tank .am i looking at the same ordeal?
Dec 22, 2016 at 5:27 PM (Merged)
Avatar
INTERNETMECHANIC
  • CERTIFIED EXPERT
  • 700 POSTS
I'd go through the basic testing, before suspecting the pump. Have a helper crank it, while you visually check for spark at the plugs. If spark everywhere, use a gage and check fuel pressure. Some of the national brand autostores used to loan out a fuel pressure gage, if you don't have one. Are there any trouble codes, you should be able to check mil codes yourself.

If your testing says faulty pump, you drop the tank. Without proper equipment and tools, no fast way, I know of?
Dec 22, 2016 at 5:27 PM (Merged)
Avatar
LINDA BARNETT
  • MEMBER
  • 1 POST
Engine Performance problem
1994 Buick Century 6 cyl Front Wheel Drive Automatic 150000 miles

What problems can one expect when changing out a fuel pump located inside the gas tank?
Dec 22, 2016 at 5:27 PM (Merged)
Avatar
RASMATAZ
  • CERTIFIED EXPERT
  • 75,992 POSTS
It shouldn't be no problem its a simple task
Dec 22, 2016 at 5:27 PM (Merged)
Avatar
SBANGTSON
  • MEMBER
  • 1 POST
Engine Mechanical problem
1992 Buick Century 6 cyl Two Wheel Drive Automatic 90,000 miles

Where is the fuel pump and can we get to it from behind the back seat? Is there a fuse that we should check first? The pump does not run when you turn the eye on.

Thanks for your help
Dec 22, 2016 at 5:27 PM (Merged)
Avatar
BLUELIGHTNIN6
  • CERTIFIED EXPERT
  • 16,542 POSTS
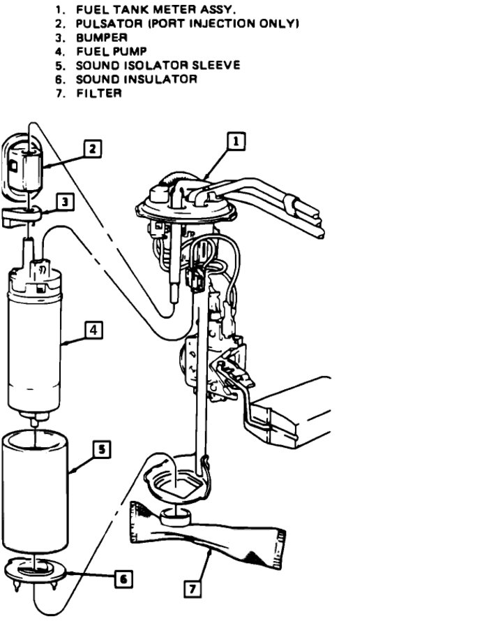
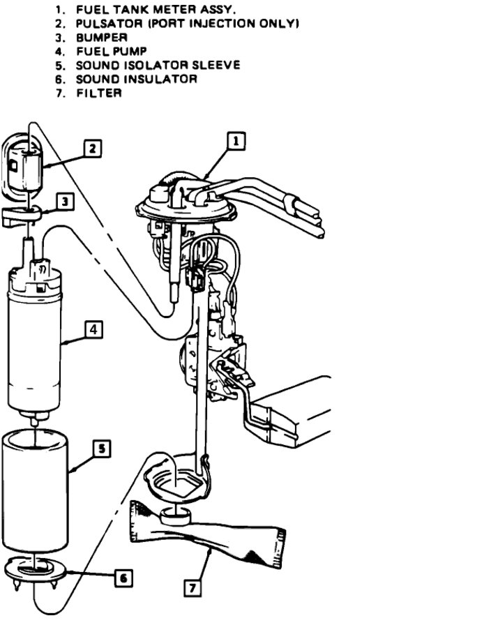
yes check fuses and check the fuel pump relay as well first. you will have to drop the fuel tank to replace fuel pump which is inside the tank .
Dec 22, 2016 at 5:27 PM (Merged)
Avatar
LEFTRIDGE
  • MEMBER
  • 3 POSTS
refering back to the 1991 buick..bad gas...replaced fuel pump still wont start
Dec 22, 2016 at 5:27 PM (Merged)
Avatar
RASMATAZ
  • CERTIFIED EXPERT
  • 75,992 POSTS
Check the fuel pressure with a gauge to rule out the fuel filter and fuel pump though it's new and make sure injectors are pulsing if okay-look for ignition spark
Dec 22, 2016 at 5:27 PM (Merged)
Avatar
TGSTRACHAN
  • MEMBER
  • 1 POST
Other Category problem
1998 Buick Century 6 cyl 180236 miles
----------------------------------------------------------------
I just recently (2 weeks) had my fuel pump changed. While driving the car just shut down. I tried to start it up the engine turns but would not catch. On a couple of occasions it came on for about 3 seconds and then turn of again. I am wondering if my mechanic installed a faulty fuel pump what checks can I do in order to confirm this.
Dec 22, 2016 at 5:27 PM (Merged)
Avatar
RASMATAZ
  • CERTIFIED EXPERT
  • 75,992 POSTS
To blame the performance of the fuel pump you need to check the fuel pressure, it might be coming On and making it all the way to the injector/s but is it the correct pressure. Could be there with correct pressure but injector/s are not pulsing due to a missing signal to the computer.
Dec 22, 2016 at 5:27 PM (Merged)
Avatar
BMRFIXIT
  • CERTIFIED EXPERT
  • 19,053 POSTS
[quote:ef16248393="tgstrachan"]Other Category problem
1998 Buick Century 6 cyl 180236 miles
----------------------------------------------------------------
I just recently (2 weeks) had my fuel pump changed. While driving the car just shut down. I tried to start it up the engine turns but would not catch. On a couple of occasions it came on for about 3 seconds and then turn of again. I am wondering if my mechanic installed a faulty fuel pump what checks can I do in order to confirm this.[/quote:ef16248393]
Every thing is possible and it s not the first time nor its the last time you will hear about a defective fuel pump
any how you can check your spark 1st
pull one of the spark plug wires out place it near a ground have a helper crank the engine for you while you watch for spark if you do have spark place the wire back
locate fuel pressure test port on fuel rail check if you have fuel
Dec 22, 2016 at 5:27 PM (Merged)