Neutral safety switch

1991 PONTIAC GRAND AM
4 CYL • FWD • AUTOMATIC
Avatar
XTW
  • MEMBER
  • 4 POSTS
How do you diagnose and replace a neutral safety switch in a 1991 Pontiac Grand am 4cyl. 2.5 L
Mar 27, 2011 at 4:44 AM
Advertisement
Avatar
CARADIODOC
  • CERTIFIED EXPERT
  • 34,306 POSTS
What's the symptom? Do you have a digital voltmeter or a test light?
Mar 27, 2011 at 5:00 AM
Avatar
XTW
  • MEMBER
  • 4 POSTS
I can maybe get one. I have a new starter,battery,cables are clean,getting power. Started at times moving the gear shifter slowly through the gears while keeping the key engaged. Tried adjusting the linkage screw because it had play and seemed to do the trick for awhile.Now I'm back to getting no response from my starter at all no matter where the gear shifter is. I don't know if it can be any other component in the system besides the NSS.Its at a hard place to get to to even detach the wires.Haven't even crossed that bridge yet. It seems like I can get to all screws but one. My car is stranded and I have no money to have it towed or worked on. I can afford to replace the switch and that's about it. They are like $15.00.But I hope that is the problem to waste $15.00 on.
Mar 27, 2011 at 8:04 AM
Advertisement
Avatar
CARADIODOC
  • CERTIFIED EXPERT
  • 34,306 POSTS
Dandy. It does indeed sound like you're on the right track. To get the car home, locate the starter relay and jump it. Be sure it's in "park". I'm not familiar with the style of relay GM used back then. Can you find the starter relay and describe it to me? By 1998 they were in an under-hood fuse box, they were about 1 1/4" square, and had four terminals arranged in a square. If you have the metal relays that bolt to the inner fender, GM used some connectors that made jumping them real hard but not impossible. The easiest thing to do with those is to pop the cover off, reconnect it, and squeeze the contact to crank the engine. You can do that with the newer square style too but those are easier to jump with a piece of wire or stretched out cotter pin.
Mar 27, 2011 at 8:39 AM
Avatar
RASMATAZ
  • CERTIFIED EXPERT
  • 75,992 POSTS
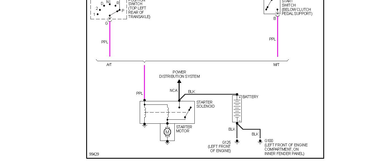
To add on this, there's no relay involved-it starts at the ignition switch ,thru the NSS/TPS and straight to the starter-Start circuit below will give a jump start-Good Luck

Mar 27, 2011 at 9:34 AM
Avatar
CARADIODOC
  • CERTIFIED EXPERT
  • 34,306 POSTS
Thanks brother ras. I knew some imports didn't use a relay but that sure seems like a lot of current for a sad little ignition switch to handle.

Hey xtw. To jump the starter to get the car home, use a screwdriver to jump the smaller purple wire to the fat battery cable right on the starter if you can reach it.
Mar 27, 2011 at 9:58 AM
Avatar
XTW
  • MEMBER
  • 4 POSTS
Thanks guys. I really appreciate the help.I tried to jump the starter before and all I got was a big spark and the starter didn't crank. It is sort of hard to reach as well.I thought I did it right.But I didn't know for sure so I didn't keep trying.If by some chance I wanted to bypass the NSS, I take it there should be a yellow wire and a purple wire in the wiring that hooks up to the NSS? I hope the other 2 wires are different colors.I take it the other 2 wires are for the back up lights.I do believe there are 4 wires anyway. It's kind of hard to see them where they are at and they got a lot of oil on them and I don't have it here to look at them again.Anyways to change the switch itself do I remove all 4 bolts? One for the linkage, one that allows it to swivel and it looks like the other 2 hold the switch on? The one screw is in a bad spot and a different size. I imagine also you remove the wiring connector with a screwdriver by prying up on the clip? Also just another quick question.You mentioned TPS.Where does that come in to play in the starter circuit?Would a problem with that cause no ignition to the starter?It seems when the car starts everything works fine considering its an old car.Also does the purple wire have a positive charge or negative charge?
Mar 27, 2011 at 12:23 PM
Avatar
CARADIODOC
  • CERTIFIED EXPERT
  • 34,306 POSTS
Yup, jump the yellow to the purple wire. The TPS has nothing to do with cranking. Sorry, I never replaced a neutral safety switch on a GM. My best suggestion is to look at the new one first or to remove one from a car in the salvage yard. If you damage something, let the learning experience be on a junk car instead of yours.
Mar 27, 2011 at 9:12 PM
Avatar
RASMATAZ
  • CERTIFIED EXPERT
  • 75,992 POSTS
The (TPS) is the transmission position switch same as NSS. If you jumper the yellow and purple wire on the NSS switch wiring connector the starter should crank the engine over when you attempt to crank the engine over- if not you're looking at the NSS and the starter. also you can do it at the starter without the key -just short out the small terminal and the battery terminal on the starter-won't crank the engine over -replace the starter motor
Mar 27, 2011 at 10:25 PM
Avatar
XTW
  • MEMBER
  • 4 POSTS
Thanks guys! I got it started and it was the safety neutral switch. Just wanted to be sure I did everything right. I jumped the starter where it was stalled and got home and popped the wire harness off the NSS and jumped the yellow and purple wires.Starts every time.There was a lot of **** on the wires and I can imagine the NSS was full of it also.I looked up TPS on the internet and got Throttle position sensor so you had me confused on that one lol. Thanks again you guys were great.
Mar 28, 2011 at 5:04 AM
Avatar
RASMATAZ
  • CERTIFIED EXPERT
  • 75,992 POSTS
My bad I shouldn't have put the TPS knowing you my might get confused with the throttle positon sensor were glad you got it going-Keep a safe driving going and good luck-Doc were out of here, meet you on the next one if it happens-
Mar 28, 2011 at 7:27 AM