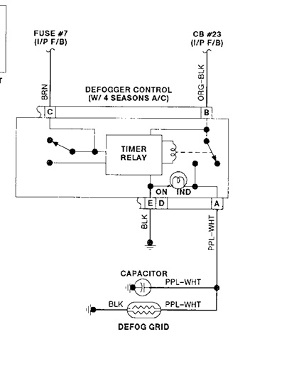
Hello I need some help on figuring out why my rear window defogger on my 1991 oldsmobile 88 royal. It worked just fine until a couple years ago, since then it hasent worked. The yellow light next to the defogger wont illuminate, I checked the circuit breaker under the dash and its fine. So is there another fuse under the hood or behind the glove box that would also control it? I also checked all the gridlines and they look good as well. any help or advise would be greatly appreciated!!! thanks
Feb 1, 2011 at 7:19 AM
