☰
Login
Join
×
Home
Answered Questions
Repair Topics
Repair & Service Guides
Popular Questions
Warning Lights
Trouble Codes
How It Works
Testing / Diagnostics
Symptoms
Videos
Login
Become a Member
Home
Mazda
b2600
General
1991 MAZDA B2600
215,000 MILES
ANONYMOUS
MEMBER
1 POST
FOLLOW
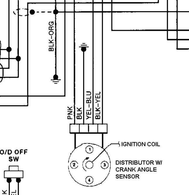
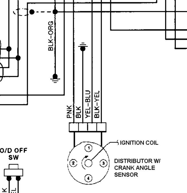
need wireing color code for 4 wires on distribator
Mar 25, 2013 at 7:09 PM
Advertisement
KHLOW2008
CERTIFIED EXPERT
41,814 POSTS
Yellow/Blue and Pink are for the pickup coils, Black is ground and Black/Yellow is battery voltage.
Image (Click to enlarge)
Mar 25, 2013 at 7:25 PM