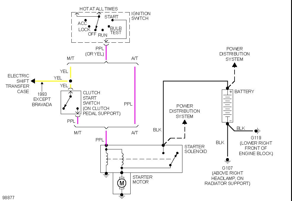
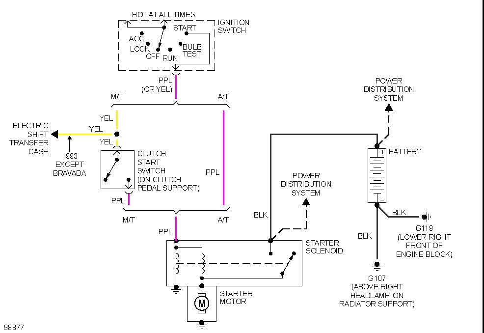
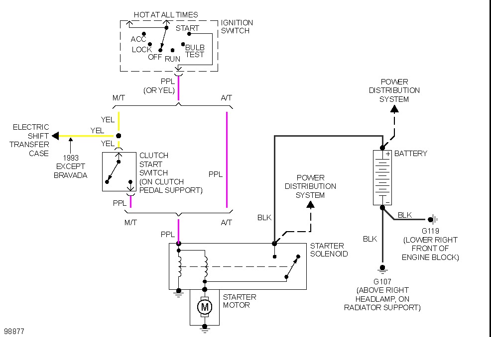
Thank you, my girlfriend has a 91 mercury sable. She said having trouble starting then drained the battery. I bought a new battery,put a new voltage regulator on and cut and put a neg,battery post connector on,and the mechanical key switch,still nothing. So we decided to call someone out lol, he put a starter in still nothing. He said there was a short to the ground somewhere to my girlfriend, I was working.he quoted a outrages amount. Being a little nice. So that was the end of him.I bought a multimeter and guna learn properly how to use this.where should I start? what do you call the harness behind the key ignition switch? And why can't I find a place that has the whole neg.cable from the starter to the battery? auto stores only have the posts thank you my name is josh
Jun 13, 2014 at 11:42 AM


