the horn does not work on my 91 s15 jimmy i bought a new horn and it still doesnt work. why and what else could it be?
Oct 17, 2011 at 10:54 AM
Advertisement
JDL
CERTIFIED EXPERT
16,098 POSTS
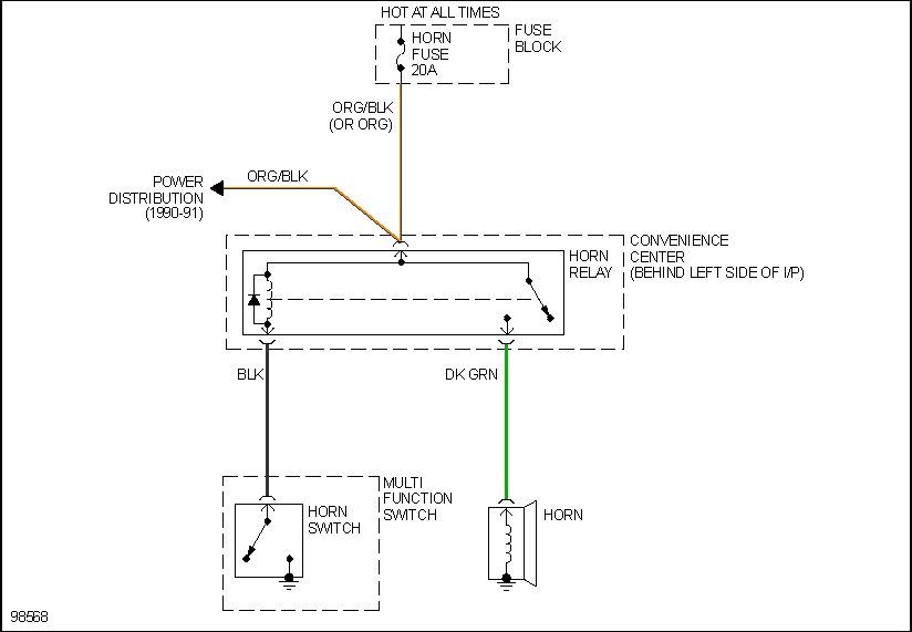
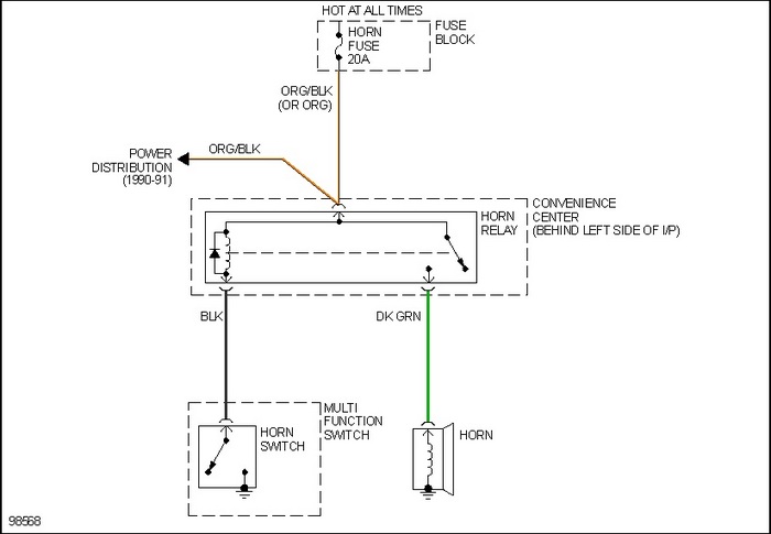
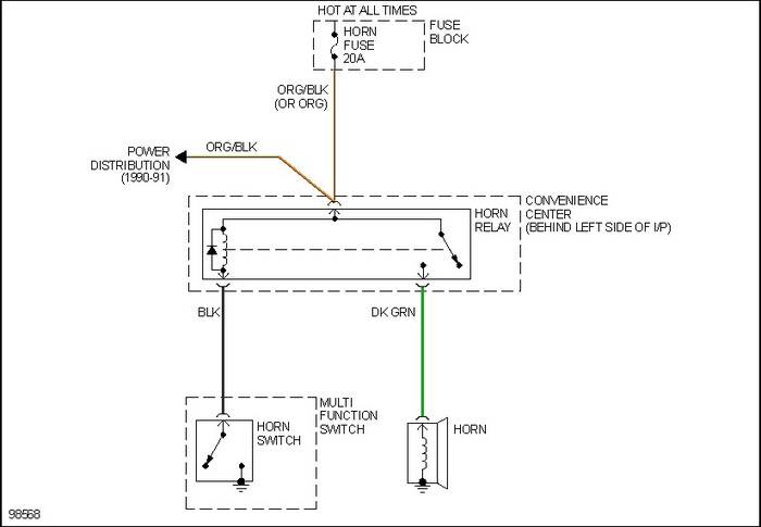
The problem is usually in the steering column, wiring. If one electrical wire at the horn, have helper apply the horn, while you use a voltage tester to see if any voltage on the wire. Note the wiring diagram. Check the applicable fuse for voltage. You could check voltage and ground at the horn relay.