altenator wont charge battery

1991 FORD MUSTANG
185,000 MILES
Avatar
STORMJONES
  • MEMBER
  • 43 POSTS
So I just replaced the alternator in my 5.0 mustang but it still won't charge the battery does anyone know what it could be? Wiring?
Mar 13, 2012 at 9:47 PM
Advertisement
Avatar
SATURNTECH9
  • CERTIFIED EXPERT
  • 30,869 POSTS
Most likely its a bad voltage regulator do you have a multimeter to do some testing?
Mar 13, 2012 at 9:53 PM
Avatar
STORMJONES
  • MEMBER
  • 43 POSTS
Yes I do I just don't know where that is
Mar 13, 2012 at 10:05 PM
Advertisement
Avatar
SATURNTECH9
  • CERTIFIED EXPERT
  • 30,869 POSTS
Get a meter and we will do some testing.
Mar 13, 2012 at 10:20 PM
Avatar
STORMJONES
  • MEMBER
  • 43 POSTS
Okay I have the test light but I just did a t5 swap in it and don't remember if I hooked a ground back up that was connected to a transmission bolt. Is there a ground there?
Mar 13, 2012 at 11:36 PM
Avatar
SATURNTECH9
  • CERTIFIED EXPERT
  • 30,869 POSTS
Not sure if there is one there or not hook the test light to the postive battery cable.Then touch the case of the alternator see if the test light lights brightly.Your really going to need a multimeter so we can figure this out.
Mar 14, 2012 at 12:18 AM
Avatar
STORMJONES
  • MEMBER
  • 43 POSTS
I have a multi meter and it says its holding about 12 to 13 volts after putting another ground on it.
Mar 14, 2012 at 2:03 AM
Avatar
SATURNTECH9
  • CERTIFIED EXPERT
  • 30,869 POSTS
So its charging at idle at that voltage?Also if you turn on the headlights blower fan on high etc whats the voltage?That car the voltage should be higher.
Mar 14, 2012 at 2:20 AM
Avatar
STORMJONES
  • MEMBER
  • 43 POSTS
The volts will go around 10 when the lights are on
Mar 14, 2012 at 2:37 AM
Avatar
RASMATAZ
  • CERTIFIED EXPERT
  • 75,992 POSTS
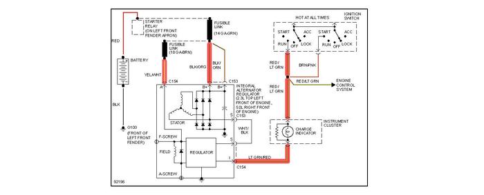
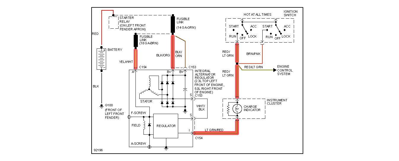
See charging system EWD below-start testing-For me sounds like the IVR @ 10volts lights On and engine running
Mar 14, 2012 at 4:45 AM
Avatar
STORMJONES
  • MEMBER
  • 43 POSTS
What is that ivr you are talking about?
Mar 14, 2012 at 2:56 PM
Avatar
SATURNTECH9
  • CERTIFIED EXPERT
  • 30,869 POSTS
He is talking about the internal voltage regulator.Lets see if we have power at the yellow wire with a white stripe and the two black wires with orange stripes at the alternator.Let me know what you find.
Mar 14, 2012 at 5:02 PM
Avatar
STORMJONES
  • MEMBER
  • 43 POSTS
What would that be if I'm not getting power to them. I'm at work I get off at and will check when I get home.
Mar 14, 2012 at 6:01 PM
Avatar
SATURNTECH9
  • CERTIFIED EXPERT
  • 30,869 POSTS
If you look at the wire diagram those wires are feed by fusable links so if there wasnt power you woud most likely have a fuseable link blown.Also did you have your old alternator tested out of the car?Did you have your new alternator tested before you left the store?
Mar 14, 2012 at 6:07 PM
Avatar
STORMJONES
  • MEMBER
  • 43 POSTS
Now where would the fuses be inside the car where the fuse block is or in the line?
Mar 14, 2012 at 9:35 PM
Avatar
RASMATAZ
  • CERTIFIED EXPERT
  • 75,992 POSTS
Look at the picture its at the starter relay
Mar 14, 2012 at 9:38 PM
Avatar
STORMJONES
  • MEMBER
  • 43 POSTS
Okay thank you I'm going to check it as soon as I get off work.
Mar 14, 2012 at 9:48 PM
Avatar
SATURNTECH9
  • CERTIFIED EXPERT
  • 30,869 POSTS
There fused wires not fuses see if you have power first and we will go from there.
Mar 14, 2012 at 10:03 PM
Avatar
STORMJONES
  • MEMBER
  • 43 POSTS
Okay I had to rewire the alternator case the replacement I got was a hard wire type plug. It goes from 2 black with orange stripes into 1 would it be possible if I got them mixed up wouldit not charge?
Mar 15, 2012 at 1:41 AM
Avatar
SATURNTECH9
  • CERTIFIED EXPERT
  • 30,869 POSTS
It shows in the diagram two seperate feeds there both constant power feeds so if the two black with orange stripes were mixed up it should still charge Do you have three power feeds going into the alternator?Do all three wires have battery voltage going to them?
Mar 15, 2012 at 2:05 AM
Avatar
STORMJONES
  • MEMBER
  • 43 POSTS
I checked the volts going through the battery and it is 12.53 and I don't have anything but .008 on the casing of the alternator so it must not be getting anything. Idk where the fusible link is but I know where the starter selinoid is. I can't find any wire that goes to the alt. All I see is a yellow one that goes into the inside of the car.
Mar 15, 2012 at 2:56 AM
Avatar
SATURNTECH9
  • CERTIFIED EXPERT
  • 30,869 POSTS
The case of the alternator is ground no power feeds go to it.So you have no wires going to the alternator?If so thats why its not charging.Your supposed to have three power feeds just like the wire diagram rastamaz posted.
Mar 15, 2012 at 3:17 AM
Avatar
STORMJONES
  • MEMBER
  • 43 POSTS
Scratch that sorry. I guess I just don't know what wire to pick there is all kinds right there and I just don't know which one it is without ripping them all apart and singling it out.
Mar 15, 2012 at 3:25 AM
Avatar
SATURNTECH9
  • CERTIFIED EXPERT
  • 30,869 POSTS
Did you just buy this car?Your going to have to find the color wires in the diagram that go to the alternator they should be there somewhere.
Mar 15, 2012 at 3:32 AM
Avatar
STORMJONES
  • MEMBER
  • 43 POSTS
So I followed the wires and it looks good nothing stands out that would be like a fusible link blown. So where do I go from here?
Mar 18, 2012 at 1:55 AM
Avatar
RASMATAZ
  • CERTIFIED EXPERT
  • 75,992 POSTS
Bring that alternator back where you got it from and have them load test it.

The diagram that I gave you does the wires matches on the alternator?
Mar 18, 2012 at 3:05 AM
Avatar
STORMJONES
  • MEMBER
  • 43 POSTS
Yeah it all is the same and I had them do the load test and it passed.
Mar 18, 2012 at 3:15 AM
Avatar
RASMATAZ
  • CERTIFIED EXPERT
  • 75,992 POSTS
Do this check for power at the light green and red wire on the alternator-turn ignition On and then check-I'm beginning to get nightmares on this problem-let us know
Mar 18, 2012 at 3:30 AM
Avatar
STORMJONES
  • MEMBER
  • 43 POSTS
Okay well I will check it tomorrow morning and find out if its getting any volts how much should it be?
Mar 18, 2012 at 3:53 AM
Avatar
SATURNTECH9
  • CERTIFIED EXPERT
  • 30,869 POSTS
You should have battery voltage at all those wires to the alternator.
Mar 18, 2012 at 5:00 AM
Avatar
STORMJONES
  • MEMBER
  • 43 POSTS
OK I will check in the morning and let you guys know.
Mar 18, 2012 at 5:02 AM
Avatar
SATURNTECH9
  • CERTIFIED EXPERT
  • 30,869 POSTS
The only thing that makes sense is you dont have power to one of those wires going to the alternator.
Mar 18, 2012 at 5:40 AM
Avatar
STORMJONES
  • MEMBER
  • 43 POSTS
So I am not getting power to that green wire
Mar 18, 2012 at 3:41 PM
Avatar
SATURNTECH9
  • CERTIFIED EXPERT
  • 30,869 POSTS
I only see black with a orange stripe and yellow with a white stripe as power wires to the alternator.Do those wires have power at the alternator?I dont see a green wire in the wire diagram.
Mar 18, 2012 at 4:15 PM
Avatar
STORMJONES
  • MEMBER
  • 43 POSTS
OK so I'm getting power to everything there its like the regulator isn't doing its job or something. What does the white with black stripe wire do.
Mar 18, 2012 at 4:53 PM
Avatar
SATURNTECH9
  • CERTIFIED EXPERT
  • 30,869 POSTS
Follow the trouble tree i posted let me knwo what you find.That should lead you to the problem.
Mar 18, 2012 at 9:02 PM
Avatar
STORMJONES
  • MEMBER
  • 43 POSTS
I found it and now its fixed the green with red stripe came out of the harness on the back of the gauge cluster. I'm back up and running thank you guys so much
Mar 18, 2012 at 11:17 PM
Avatar
SATURNTECH9
  • CERTIFIED EXPERT
  • 30,869 POSTS
Your welcome thats what were here for glad to hear you got it fixed.
Mar 18, 2012 at 11:20 PM
Avatar
RASMATAZ
  • CERTIFIED EXPERT
  • 75,992 POSTS
Atta Boy-Your very welcomed-now you can troublshoot the charging system-we stood by your side all the way and we don't intent to quit on you till you fix it-Good Luck
Mar 18, 2012 at 11:32 PM
Avatar
STORMJONES
  • MEMBER
  • 43 POSTS
Thank you guys so much man I always got you guys there if I can't figure something out. You guys are my right hand.
Mar 19, 2012 at 12:09 AM
Avatar
SATURNTECH9
  • CERTIFIED EXPERT
  • 30,869 POSTS
Your welcome were here if you need us.
Mar 19, 2012 at 12:11 AM