Where can I find the diagram of the Fuse panel for a 1991 Chevy G20 sport Van

1991 CHEVROLET VAN
200,000 MILES
Avatar
PACKERFANINBHC
  • MEMBER
  • 2 POSTS
Where can i find the diagram of the Fuse panel for a 1991 Chevy G20 sport Van for free online? Mine is missing the cover and you don't know what's what.
Jan 23, 2012 at 12:18 AM
Advertisement
Avatar
RASMATAZ
  • CERTIFIED EXPERT
  • 75,992 POSTS
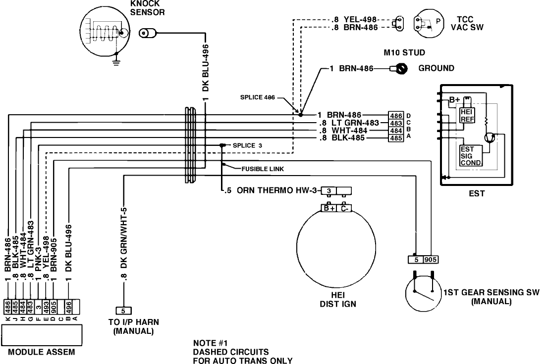
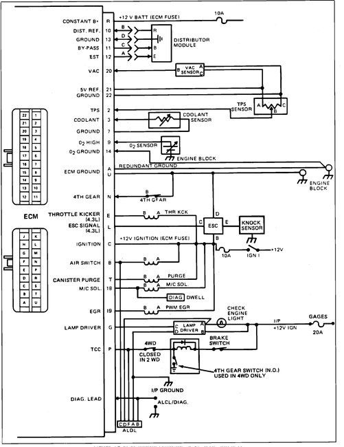
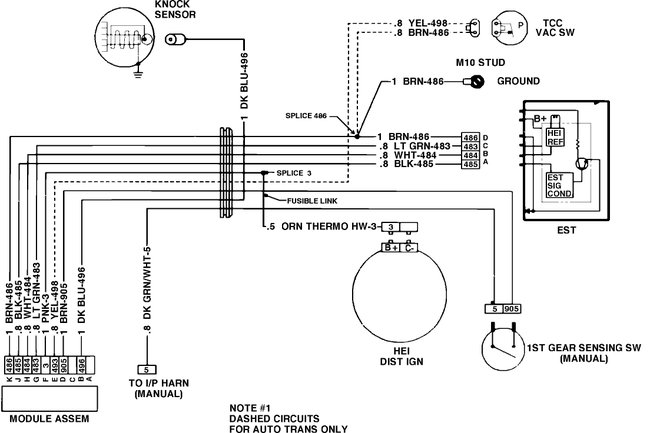
Here is the fuse panel diagrams and a guide to help you test the fuses.

https://www.2carpros.com/articles/how-to-check-a-car-fuse

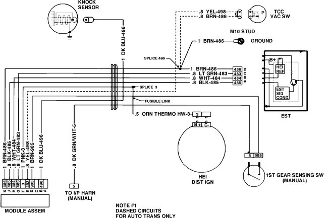
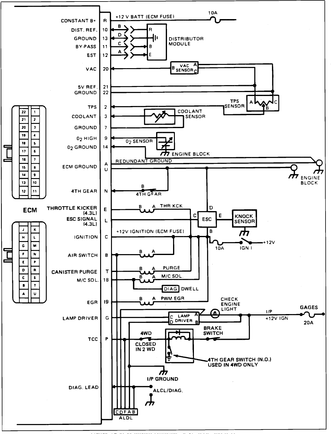
Check out the diagrams (Below). Please let us know if you need anything else to get the problem fixed. There are a few options so I included them all

Cheers
Jan 23, 2012 at 12:25 AM
Avatar
DHEYDRICK
  • MEMBER
  • 1 POST
Where can I find info about the fuse box? More specifically, I don't have an owners manual. Where do I find a diagram of the fuse box under the dash?
Oct 1, 2018 at 11:14 AM (Merged)
Advertisement
Avatar
DOONBOGGLE
  • MEMBER
  • 2 POSTS
I have a 94 Sportvan-G30 and manual. If this is the same as yours, will be glad to scan the page of diagram.
Email me at doonboggle at yahoo.com
Chuck
Oct 1, 2018 at 11:14 AM (Merged)
Avatar
CHUCK215
  • MEMBER
  • 1 POST
Diagram of fuse panel for 1992 chevy beauville G10 van, heater blower switch not working need to track down the problem, Thank you
Oct 1, 2018 at 11:14 AM (Merged)
Avatar
JACOBANDNICKOLAS
  • CERTIFIED EXPERT
  • 110,175 POSTS
#20 is the heater fuse (front heater motor)
Oct 1, 2018 at 11:14 AM (Merged)
Avatar
JACOBANDNICKOLAS
  • CERTIFIED EXPERT
  • 110,175 POSTS
Sorry, I meant to say #10.
Oct 1, 2018 at 11:14 AM (Merged)
Avatar
ROG433
  • MEMBER
  • 3 POSTS
1992 Chevy Van

could any one tell me where the cruise control fuse is located?
Oct 1, 2018 at 11:14 AM (Merged)
Avatar
MHPAUTOS
  • CERTIFIED EXPERT
  • 31,937 POSTS
Hi there. Cruise control is fuse No 4.


https://www.2carpros.com/forum/automotive_pictures/61395_Graphic_50.jpg

Mark (mhpautos)
Oct 1, 2018 at 11:14 AM (Merged)
Avatar
ROG433
  • MEMBER
  • 3 POSTS
is that the only fuse because it was good any other ideas to get it working?
Oct 1, 2018 at 11:14 AM (Merged)
Avatar
MHPAUTOS
  • CERTIFIED EXPERT
  • 31,937 POSTS
Hi there,

That is the only fuse, you can check the brake cancel switch is not faulty, apart from that i will have to read up the the system first.

Mark (mhpautos)
Oct 1, 2018 at 11:14 AM (Merged)
Avatar
ROG433
  • MEMBER
  • 3 POSTS
Could it possibly be a vaccuum line off?
Oct 1, 2018 at 11:14 AM (Merged)
Avatar
MUDD8227
  • MEMBER
  • 3 POSTS
Hi and thank you for your help in advance. I am having an issue with my work van. I took it off the road about 2 months ago and took the battery out of it. Now I put the battery back in it and I'm not getting any power to the fuse box. I'm not getting any power at all. The battery is fine. I am getting power where the wiring harness plugs into the fuse box, but not at any of the fuses. I thought it might be a blown circuit breaker in the box (one of the metal 30A fuses) but they are fine. Then I thought it might be the ignition switch, but I'm not getting head lights or dome light or anything. On one of my newer cars it has a fuse box or junction box under the hood with relays and fuses in it, but I'm not seeing on of those on this van. I'm completely out of ideas. Any help would be much appreciated. Thank you again.
Oct 1, 2018 at 11:14 AM (Merged)
Avatar
RASMATAZ
  • CERTIFIED EXPERT
  • 75,992 POSTS
Test all the fusible links on the starter motor the ones that looks like hump on the wire before and after it and then get back
Oct 1, 2018 at 11:14 AM (Merged)
Avatar
MUDD8227
  • MEMBER
  • 3 POSTS
I've give that a shot tomorrow. You really think it could be that though? I'm not getting a click from the solenoid or anything like that. All that's on the wire are a large rubber boot, is that what your talking about? If so do I have to cut them open to get at the fuse?
Oct 1, 2018 at 11:14 AM (Merged)
Avatar
RASMATAZ
  • CERTIFIED EXPERT
  • 75,992 POSTS
If its hook up along the battery positive cable at the starter -pierce it before and after with a test light
Oct 1, 2018 at 11:14 AM (Merged)
Avatar
MUDD8227
  • MEMBER
  • 3 POSTS
Hi rasmataz. Thanks for all your help. I finally figured it out. It was something really simple and stupid. Who ever had the van before us did some work with the battery. Seems they made the power terminal going down to the starter black also. I have no idea why. When I put the battery back in i hooked up the negative and the red cable. After looking some more i found that there was another cable going to the starter but it was black. Oh well, it's running now. Like I said, thank you again for all your help.
Oct 1, 2018 at 11:14 AM (Merged)
Avatar
JO0508
  • MEMBER
  • 9 POSTS
Are there anything wrong with adding a circult to the fuse panel using fuse taps?Are they safe?
Oct 1, 2018 at 11:14 AM (Merged)
Avatar
CARADIODOC
  • CERTIFIED EXPERT
  • 34,306 POSTS
GM used to be pretty good about providing switched and unswitched terminals in their fuse boxes, and they were labeled. If you have those, that's the best choice. The taps you're referring to do work but they can spread the terminal in the fuse box because you're, in effect, making the blade of the fuse twice as fat. That wont be a problem until you want to remove that tap, then you may have an intermittent connection on that fuse.

If you do use the tap, place it on the hot terminal. That way the added current for your new device wont go through the existing fuse and potentially overload it. To find the hot terminal, just pull the fuse out, then use a voltmeter or test light to see which terminal has 12 volts on it. That's the one to use.

Also be aware that some devices, like power inverters, can generate signals that interfere with the computers on the vehicle. If you start having trouble with the dash gauges or other things not working properly, try tapping into a different fuse.
Oct 1, 2018 at 11:14 AM (Merged)
Avatar
JO0508
  • MEMBER
  • 9 POSTS
Funny you should say that tapping into some fuses would interfere with gauges.Because i tapped into a fuse with a tach gauge one time.The fuse was marked alt.When i started the vehicle the mph gauge started to rise and when i went to shut the engine down it wouldnt shut off for like 4 or 5 seconds later after turning the key.
Oct 1, 2018 at 11:14 AM (Merged)
Avatar
CARADIODOC
  • CERTIFIED EXPERT
  • 34,306 POSTS
Funny YOU should mention that. I built a real lot of "bugs" into a dozen donated vehicles for my students to diagnose. We spent a lot of time on charging systems, and one of the bugs was on a '98 GMC truck. Part of the diagnosis involved testing the 12 volts supply for the generator, and that came through the "Battery" light on the gauge cluster, and it was fed from the "Gauges" fuse.
Oct 1, 2018 at 11:14 AM (Merged)
Avatar
JO0508
  • MEMBER
  • 9 POSTS
You say make sure to place the tap on the hot side of the terminal.I think you might be thinking of the clip on type.I would understand how that would be done on that type.I will be using a different type of tap.With this tap how will i know if i place it on the hot side of the terminal.I think i will need to line the wire up with the terminal that is hot.Would this be correct?
Oct 1, 2018 at 11:14 AM (Merged)
Avatar
CARADIODOC
  • CERTIFIED EXPERT
  • 34,306 POSTS
That type is not going to stretch the terminals in your fuse box because you're not doubling up any terminal. On this style, the wire is attached to the terminal on the left. You wont even need a voltmeter or test light. Just install the insert with no fuse. The pigtail will supply power to your accessory when you have the unit inserted the right way. The original circuit will work normally when you pop the fuse in.

Getting it right isn't a real big deal. The concern is lets say you're putting this tap in place of a 10-amp fuse and that circuit actually draws five amps. If your added-on circuit draws six amps, you'll blow the ten amp fuse.
Oct 1, 2018 at 11:14 AM (Merged)
Avatar
JO0508
  • MEMBER
  • 9 POSTS
Ok,Thank you.
Oct 1, 2018 at 11:14 AM (Merged)
Avatar
PAGANSCORPIO
  • MEMBER
  • 2 POSTS
I have an rescued Vehicle a G20 van and her wiring has been ripped apart. I need to see a colored wiring diagram of the fuse box please.
Jul 17, 2019 at 6:39 PM (Merged)
Avatar
JIS001
  • CERTIFIED EXPERT
  • 3,412 POSTS
There is no 5.2L engine? Email me your VIN# and let me see what I can dig up.
Jul 17, 2019 at 6:39 PM (Merged)
Avatar
PAGANSCORPIO
  • MEMBER
  • 2 POSTS
I am sorry, I should have put that it is a 5.7lt engine! The VIN is: 2GCEG25MXF4167230. Many thanks.
Jul 17, 2019 at 6:39 PM (Merged)
Avatar
JIS001
  • CERTIFIED EXPERT
  • 3,412 POSTS
Sorry diagram only comes black and white for this year. And cant find much info. Your best bet would be to buy the service manual like Chilton or Mitchell Also the VIN# suggest your vehicle is a model year 1985.
Jul 17, 2019 at 6:39 PM (Merged)
Avatar
RENEE L
  • CERTIFIED EXPERT
  • 1,260 POSTS
Hi PAGANSCORPIO,

Here is a link you may find useful for finding a repair manual for your vehicle.

https://www.2carpros.com/manuals/manuals.php

If you have further questions please come back to the site as we are here to help and thank you for visiting 2CarPros.

Regards,

Renee
Admin
Jul 17, 2019 at 6:39 PM (Merged)