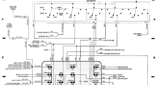
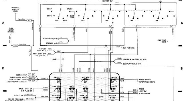
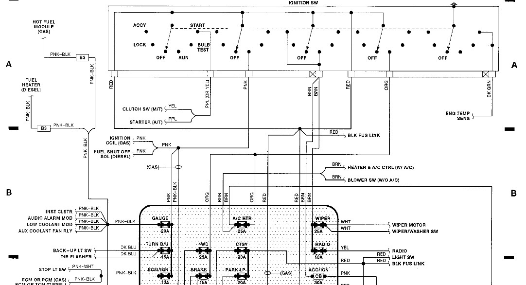
Hello, The truck was running fine. Turned it off. Came back 10 minutes later and turned the key and nothing happens. No dash lights no click click like when the battery is low.
Headlights work ( seperate line ) Battery is fully charged.
Thanks
Headlights work ( seperate line ) Battery is fully charged.
Thanks
Feb 5, 2015 at 8:15 AM


