blinker relay

1991 CHEVROLET CAVALIER
4 CYL • FWD • AUTOMATIC
Avatar
CHRIS3138
  • MEMBER
  • 1 POST
were is the blinker relay for a 1991 chevy cavalier
Nov 21, 2010 at 9:27 PM
Advertisement
Avatar
JDL
  • CERTIFIED EXPERT
  • 16,098 POSTS
Are you talking about the turn signal flasher?
Nov 21, 2010 at 9:31 PM
Avatar
RASMATAZ
  • CERTIFIED EXPERT
  • 75,992 POSTS
Behind dash, on right side of steering column support.
Nov 21, 2010 at 9:32 PM
Advertisement
Avatar
JDL
  • CERTIFIED EXPERT
  • 16,098 POSTS
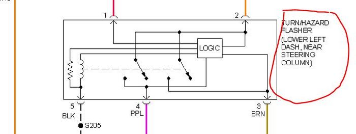
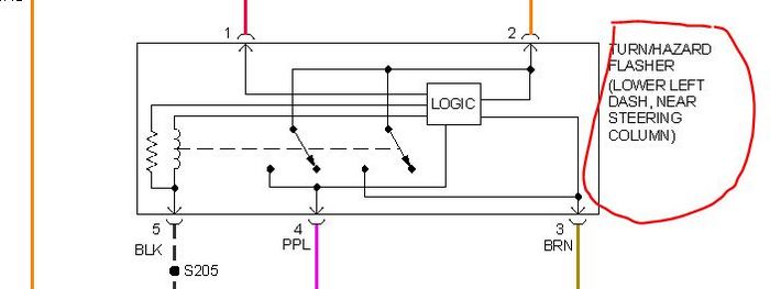
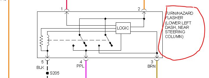
My info says behind dash, right of steering column support. None of our manual have picture to show location, but I have attached a piece of the wiring diagram below so you can see what color wires you are looking for
Nov 21, 2010 at 9:33 PM
Avatar
DANRACE
  • MEMBER
  • 33 POSTS
Hi, right side blinker started blinking fast.For a short time it will blink normally but then it will start fast again. Front blinker and side blinker work but blink fast 2. I will sometimes hear a buzz sound when i pull the leaver up 4 right signal. The tail light blinker does not flash when blinking fast. Let me know what u think it may be. Thanks Dan!
Mar 19, 2019 at 6:52 PM (Merged)
Avatar
MR. JAKE
  • MEMBER
  • 9 POSTS
try checking the all the lamps maybe one blew out or is loose, also try checking fuses, i had a truck that did that it was a fuse a big round one for the hazard lights..hope this helps..
Mar 19, 2019 at 6:52 PM (Merged)
Avatar
FIXITMR
  • CERTIFIED EXPERT
  • 9,990 POSTS
blinker relay is sensitive to load. it works by current generating heat to activate tripover breaker. when 1 bulb fails to light the load is changed allowing more currant and faster blink. so the problem is that back bulb/ socket/ wiring.
Mar 19, 2019 at 6:52 PM (Merged)
Avatar
MHPAUTOS
  • CERTIFIED EXPERT
  • 31,937 POSTS
Also check the flasher control unit,see pic for location.

mark (mhpautos)
Mar 19, 2019 at 6:52 PM (Merged)
Avatar
DANRACE
  • MEMBER
  • 33 POSTS
Well i took the taillight bulb out of the socket and it was full of dirt or some type of gooey stuff. all i did was clean the stuff off the bulb and inside where the bulb and socket makes contact and just like that problem solved! Thanks again!
Mar 19, 2019 at 6:52 PM (Merged)
Avatar
JTOMPKIN1
  • MEMBER
  • 1 POST
Electrical problem
1998 Chevy Cavalier 4 cyl Two Wheel Drive Automatic 130XXX miles

My turn signal fuse pops when i put my car into drive. My turn signals work fine and my flashers work fine until I put my car into drive, and I can watch the fuse pop the second it shifts into drive.
Mar 19, 2019 at 6:52 PM (Merged)
Avatar
JDL
  • CERTIFIED EXPERT
  • 16,098 POSTS
Try pulling the brake fuse, just for testing. See if that has an effect on the turn fuse circuit. You could probably use a testlite across the turn fuse terminals, instead of blowing all your fuses. If the lite comes on, the circuit is going to ground, somewhere.
Mar 19, 2019 at 6:52 PM (Merged)
Avatar
SHOOTEMUPGTA
  • MEMBER
  • 1 POST
Electrical problem
1994 Chevy Cavalier 4 cyl Front Wheel Drive Automatic

Hi my turn signals wont work i replaced the flasher checked the fuses and prob going to replace the turn signal switch 2 just try to fin d a solution to this problem

Front left tire side blinker and right back side is out but hazards work

If you step on the brake and turn the switch on/off the back left side blinks but you have to keep moving it to on/off.

There was a white relay under the dash next to the flasher autozone doesn't carry it don't know what it is or what it goes to
Mar 19, 2019 at 6:52 PM (Merged)
Avatar
HMAC300
  • CERTIFIED EXPERT
  • 48,601 POSTS
hopefully you changed the correct flasher. the turn signal flasher is on the RIGHT (passenger) side of the steering colum and not in the convience center on the left side. Check all your bulbs as well as grounds as that is usually the problem that they don't work.
Mar 19, 2019 at 6:52 PM (Merged)
Avatar
JEFF JEFF
  • MEMBER
  • 1 POST
HI,
I have a 1994 chevy cavalier. I have no turn signals on the out side and no arrows lights on the inside. I replaced the flasher relay and the turn signal switch on the steering column. All the bulbs and fuses are good. The flasher/warning light work fine. Any help would greatly be appreciated. Jeff
Mar 19, 2019 at 6:52 PM (Merged)
Avatar
JDL
  • CERTIFIED EXPERT
  • 16,098 POSTS
Do the lower brake lites work, work ok? The lower brake lites and turn signals use the same bulb fillament and wiring circuit from the turn signal switch, just not at the same time.

My info shows two flashers, one for the hazzard and the other for the turn signal. Did you check the fuse circuit for the turn signal?

The hazzard flasher may be located in the fuse box. The turn signal flasher should be under the steering column. You may have to remove the lower part of the dash, to get it.
Mar 19, 2019 at 6:52 PM (Merged)
Avatar
ROBBIEDEW101
  • MEMBER
  • 2 POSTS
The front passenger turn signal on my 2002 Chevy Cavalier stopped working. I've already replaced the bulb, but it's still out. I suspect an electrical problem since I hit a pot hole the other day and suddenly it worked for a few hours, then stopped again.
Mar 19, 2019 at 6:52 PM (Merged)
Avatar
JDL
  • CERTIFIED EXPERT
  • 16,098 POSTS
At the front turn signal, the dark blue wire is voltage, use a voltage tester on that wire. Black wire is ground. Does the park lite work on that side. Could be problem with multifunction switch or wiring circuit.
Mar 19, 2019 at 6:52 PM (Merged)
Avatar
ROBBIEDEW101
  • MEMBER
  • 2 POSTS
I'll have to borrow a voltage tester and give that wire a test. The parking light does work on that side, and the signal is working intermittently. Suddenly started working on the 3 mile drive to my local auto shop, and stopped working on the drive back.
Mar 19, 2019 at 6:52 PM (Merged)
Avatar
JDL
  • CERTIFIED EXPERT
  • 16,098 POSTS
Let us know what you find.
Mar 19, 2019 at 6:52 PM (Merged)
Avatar
JRPENWARDEN
  • MEMBER
  • 2 POSTS
Need to find information on this vehicle, it's significant others, and the turn signals just quit. All the fuses are good the emergency flasher both work, the brake light is only working on the drivers side. The back bulbs appear (both circuits wires) to be fine. Was unable to find the signal flasher pod and also unable to find a simple troubleshooting/wiring diagram so have turned to the forum before going and buying a shop manual or taking it to a shop. Please advise if at all possible. Thanx
Mar 19, 2019 at 6:52 PM (Merged)
Avatar
RHALL77
  • CERTIFIED EXPERT
  • 3,361 POSTS
your brake light may be something, replace that bulb and see if the turn signal on that side starts to work. double check each bulb. get back to me about what happends
Mar 19, 2019 at 6:52 PM (Merged)
Avatar
JRPENWARDEN
  • MEMBER
  • 2 POSTS
Ok - have cleaned all the taillight connections and now both brake lights are working and Emergency flashers. Have purchased a new turn flasher but can not find it's location under the dash to replace it. Please advise.

Thanks

JohnP
Mar 19, 2019 at 6:52 PM (Merged)
Avatar
RHALL77
  • CERTIFIED EXPERT
  • 3,361 POSTS
if your hazard lights are working then you dont need a flasher according to the info i found. its possible you have a bad wire some where, or a bad turn signal switch
Mar 19, 2019 at 6:52 PM (Merged)
Avatar
DD8700
  • MEMBER
  • 2 POSTS
Electrical problem
1996 Chevy Cavalier 4 cyl Front Wheel Drive Automatic

where is the turn signal relay located
Mar 19, 2019 at 6:52 PM (Merged)
Avatar
RICHZOMBIE
  • CERTIFIED EXPERT
  • 173 POSTS
I believe it's under the dash behind the ashtray. It's kinda hard to get to. Put on the flashers and listen for the clicking sound. That is the relay.
Mar 19, 2019 at 6:52 PM (Merged)