☰
Login
Join
×
Home
Answered Questions
Repair Topics
Repair & Service Guides
Popular Questions
Warning Lights
Trouble Codes
How It Works
Testing / Diagnostics
Symptoms
Videos
Login
Become a Member
Home
Chevrolet
Caprice
Engine
Symptoms
Not Running
Engine cranks but does not start
1991 CHEVROLET CAPRICE
143,000 MILES • 5.0L • V8 • AUTOMATIC
DEAYRYUSR2019
MEMBER
1 POST
FOLLOW
My car listed above (classic) turns over but will not start. I changed distributor ignition module and it's getting low spark or no spark at all.
May 9, 2021 at 9:46 AM
Advertisement
ASEMASTER6371
CERTIFIED EXPERT
52,796 POSTS
Good evening,
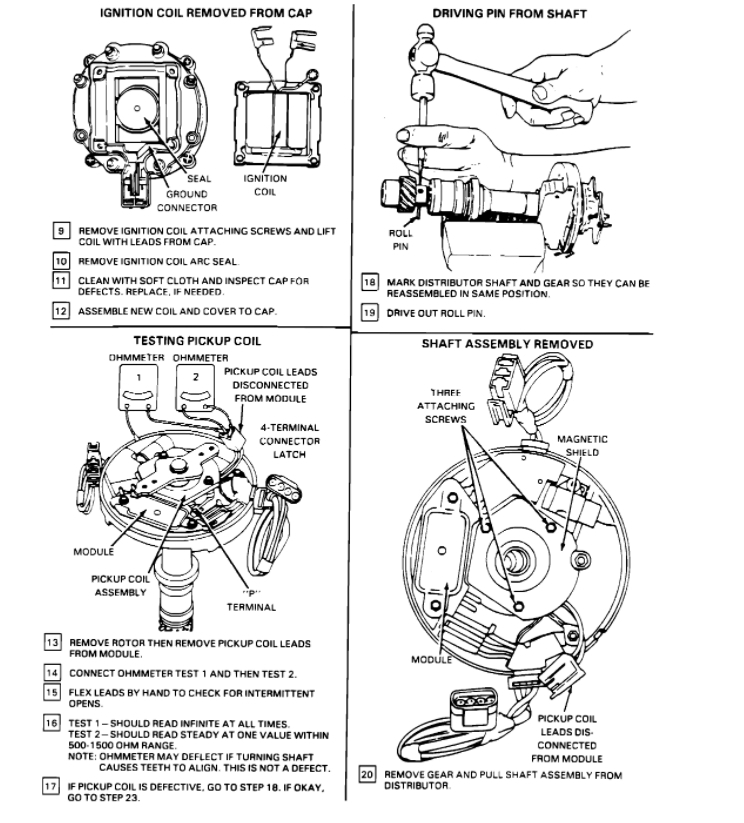
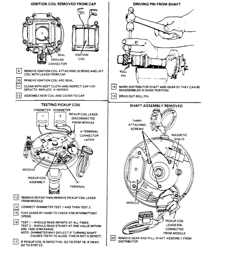
The spark system is made up of the module, distributor pick-up coil, and the ignition coil.
https://www.2carpros.com/articles/how-to-test-an-ignition-system
Did you check the rotor to be sure there is not a hole burned through it?
I attached the procedure for testing and replacing the pick-up.
Roy
Images (Click to enlarge)
May 9, 2021 at 8:36 PM