A/C Blower KEEP RUNING, 91 Cadillac rear wheel drive 5.1 L engine. Can anyone help? Thank you

1991 CADILLAC FLEETWOOD BROUGHAM
125,000 MILES
Avatar
SIR TONY
  • MEMBER
  • 4 POSTS
I disconnected control module, and found the red wire receiving positive current with the engine off, also black wire, and light purple with white stripe wire receiving positive current. If anyone can help I would greatly appreciate. Thank you, Sir Tony
Oct 4, 2011 at 10:52 PM
Advertisement
Avatar
RASMATAZ
  • CERTIFIED EXPERT
  • 75,992 POSTS
Blower motor relay relay/fan could be sticking, fan control module, wiring problem and the HVAC control module
Oct 4, 2011 at 11:03 PM
Avatar
SIR TONY
  • MEMBER
  • 4 POSTS
Rasmataz, thank you for your reply, I will check to see if his car has a fan really, I don't think it's the control module because I am receiving voltage from all three wires, the fourth wire which is purple goes to the fan. I think the control module is supposed to receive voltage when you select the required selection of AC or heat. Do you know where I can find the blower fan relay, if any? thank you, Sir Tony
Oct 4, 2011 at 11:20 PM
Advertisement
Avatar
RASMATAZ
  • CERTIFIED EXPERT
  • 75,992 POSTS
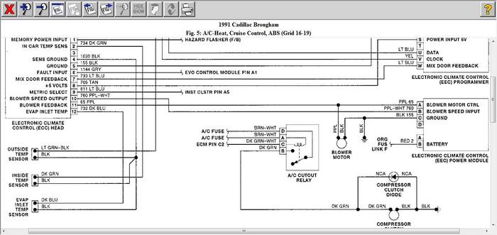
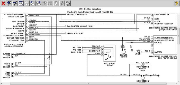
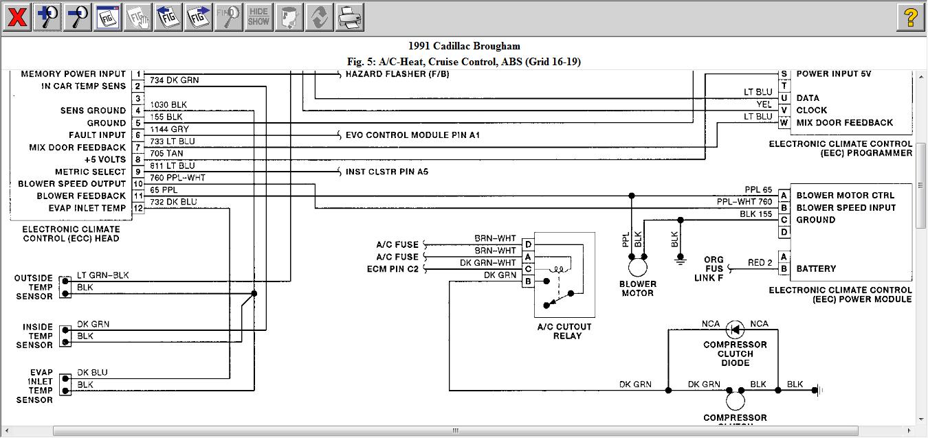
You don't have a blower relay what you have is a control module-see below

Oct 4, 2011 at 11:26 PM
Avatar
SIR TONY
  • MEMBER
  • 4 POSTS
Thank you for this schematic, I will take my time and look at it and for what ever it's worth I really appreciate the time that you have taken to help me with my problem. I will get back to you with further info as soon as I can, thank you, Sir Tony
Oct 4, 2011 at 11:40 PM
Avatar
SIR TONY
  • MEMBER
  • 4 POSTS
One more thing I forgot to ask you, are any of the wires going to the control module supposed to be hot at all times? because the red wire is hot,( single connection to the module) and on the three connections light purple with white stripe is receiving voltage. The solid purple wire goes to the fan, and the black wire is to ground but receiving positive voltage probably from a feedback from blower motor solid purple wire still connected. Thank you, Sir Tony
PS I ran a continuity test from the black wire blower motor to the black wire going to the blower control module with the connection disconnected and (purple wire positive side of blower fan also disconnected) I get continuity. I also got continuity from the black wire to the positive wire from the battery, (ground connection of battery is disconnected) while I was doing continuity test. Again, thank you for your time. Sir Tony
Oct 5, 2011 at 12:06 AM
Avatar
CADIEMAN
  • CERTIFIED EXPERT
  • 3,544 POSTS
this is a blower motor module inside the a/c case. follow the blower motor wire right to it.if you unplug the module it will turn off.TY FOR USING 2CARPROS
Oct 6, 2011 at 9:09 PM