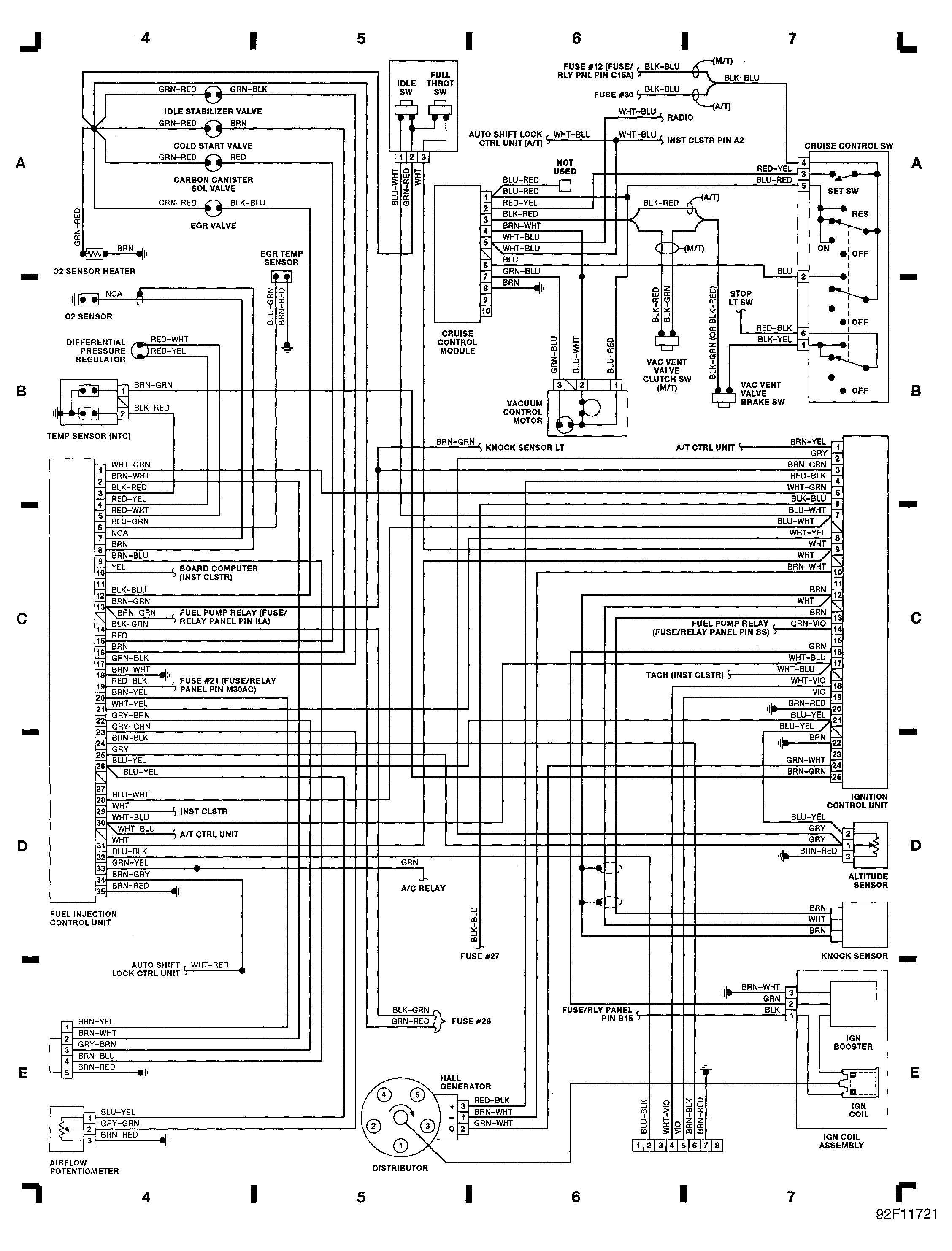
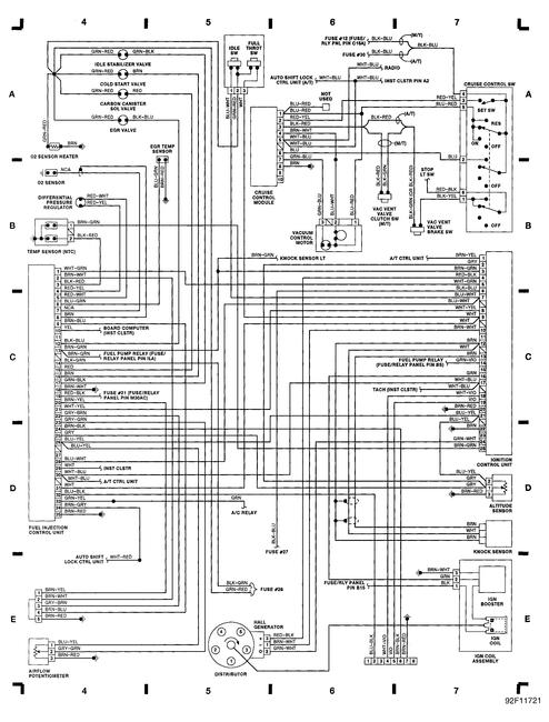
engine is an aad, when cold engine starts runs for about five mins and shuts down have determined
that the air flow meter which controls the fuel meter distributor is lost signal shutting off fuel to engine,
engine may restart 1 or 2 time after but then shuts off completely and just cranks until it sits for a significant time and start the process all over again. It appears the problem is further up the line from where the airflow meter receives it's signal, but wherre to look? ecu, cold start valve , throttle idle switch?
that the air flow meter which controls the fuel meter distributor is lost signal shutting off fuel to engine,
engine may restart 1 or 2 time after but then shuts off completely and just cranks until it sits for a significant time and start the process all over again. It appears the problem is further up the line from where the airflow meter receives it's signal, but wherre to look? ecu, cold start valve , throttle idle switch?
Feb 26, 2014 at 12:08 PM
