I need a digram for the ignition switch wiring the colors
Nov 19, 2012 at 6:54 PM
Advertisement
ALSSAWALEH
MEMBER
4 POSTS
i have nissan cedric 2001, the engine stopped and i try to start it but i can not. i removed coil plug to check the voltage but no power. can get help how to petrol and can get the wiring diagram
Apr 12, 2017 at 3:28 AM
STRAILER
CERTIFIED EXPERT
53,854 POSTS
Hello,
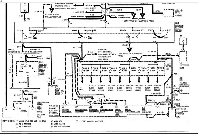
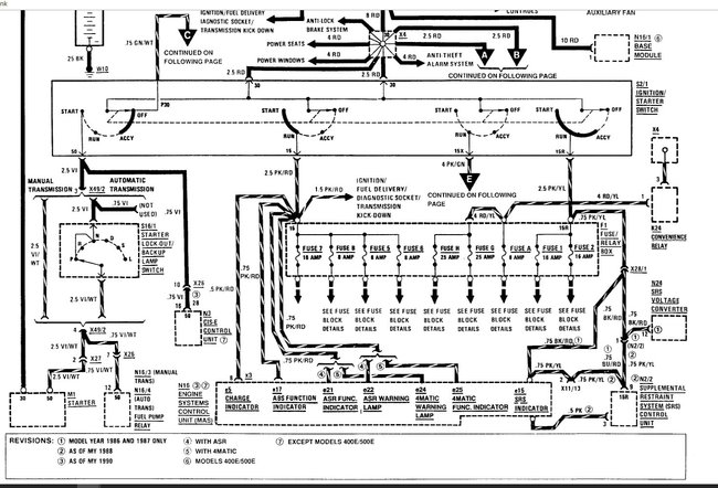
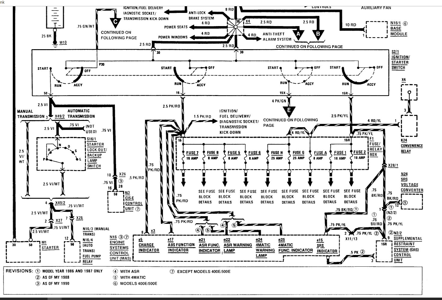
Have this wiring diagram for your 2000 Mercedes e300,
Please let me know if you need anything else to get the problem fixed.
Best, Ken
Images (Click to enlarge)
Apr 15, 2017 at 12:30 PM
Advertisement
ALSSAWALEH
MEMBER
4 POSTS
I need your answer for 2000 Mercedes e300,
Apr 16, 2017 at 2:45 AM
ALSSAWALEH
MEMBER
4 POSTS
I have nissan cedric 2001, you answer for 2000 Mercedes e300,
Apr 16, 2017 at 2:45 AM
STRAILER
CERTIFIED EXPERT
53,854 POSTS
Please start a new question and we will get it for you