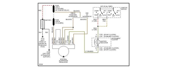
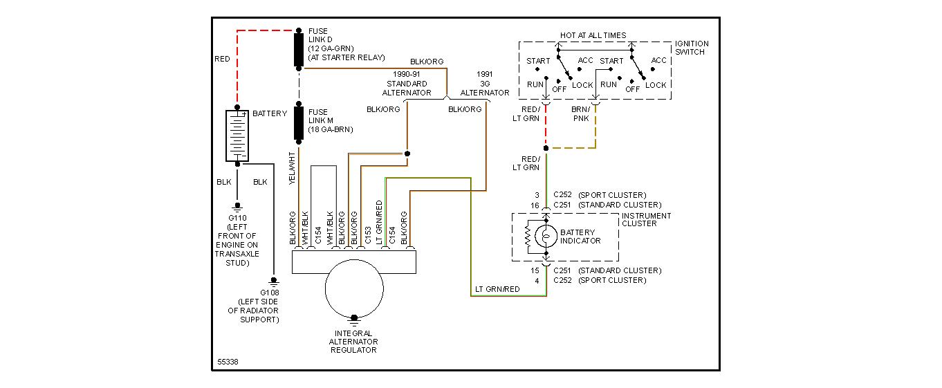
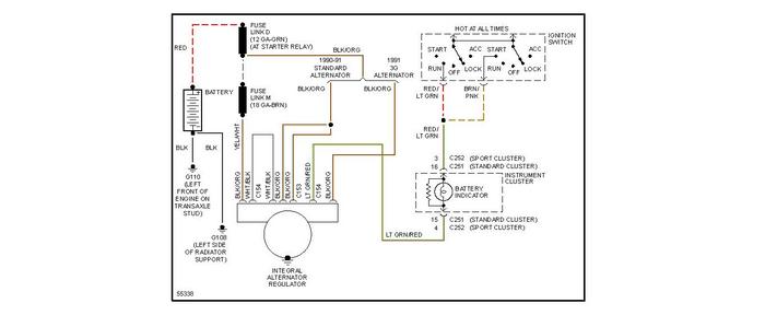
so grandaughter pops in to town to visit and stops by so i do a little underhood checking and YIKES! serpinteine belt is hanging on by shreds! then i see waterpump belt has huge crack! so i get busy and after 2 hrs fire it back up and she gets in and says.....why is that red light blinking? and i look and it's the alternator light flickering i tap on alternator and it goes to steady on. i go great, now the alternator died! but i get the voltmeter and it reads 17-18-19 volts! i'm puzzled? was it something i did during belt change? no way? friend sees grody groundstrap on head to fender and says clean that ans see. so i do and no go it flickers for a bit then i rev a little and it goes out and i rev higher and back on steady and stays steady bright, gets brighter with rev! am i missin somethin or is just the will of the gods that want to empty my wallet! alternator is at least 5 yrs old. it's a jap kind design denso maybe?
Oct 23, 2011 at 5:38 AM
