no digital fuel reading or climate control reading?

1990 CADILLAC DEVILLE
150,000 MILES • 4.5L • V8 • FWD • AUTOMATIC
Avatar
DARKMAN1952
  • MEMBER
  • 1 POST
I get no digital fuel reading or climate control reading.blower fan keeps turning on and can't turn off using control panel.
Jan 15, 2015 at 2:02 PM
Advertisement
Avatar
CADIEMAN
  • CERTIFIED EXPERT
  • 3,544 POSTS
1 of the 2 panels is bad and may have a bad blower module also.remove the dash wood grain panels then the 2 panels. then unplug the a/c panel does the fuel center light up? if not plug it back in and disconnect the fuel center does the a/c panel light up? replace the one that fails to light.
Jan 15, 2015 at 3:20 PM
Avatar
STRAILER
  • CERTIFIED EXPERT
  • 53,855 POSTS
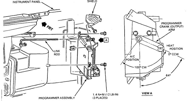
I have seen the HVAC digital programmer go out and cause this issue, here is the location so you can swap it out which should fix the problem. Check out the images (below). Let us know how it goes
Oct 29, 2024 at 5:15 PM
Advertisement