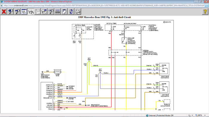
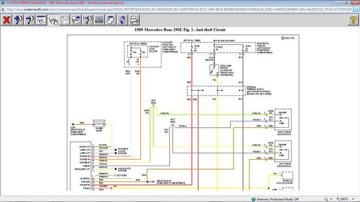
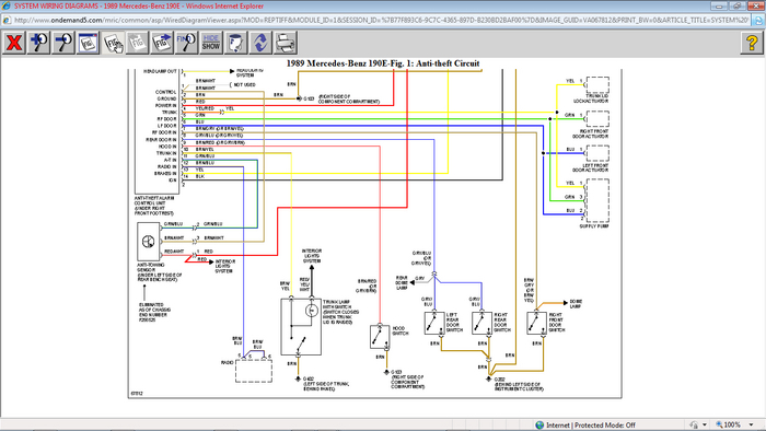
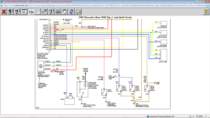
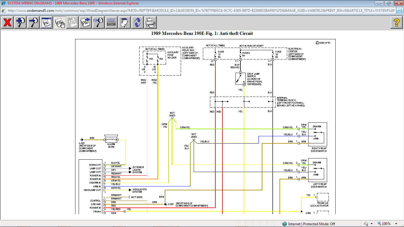
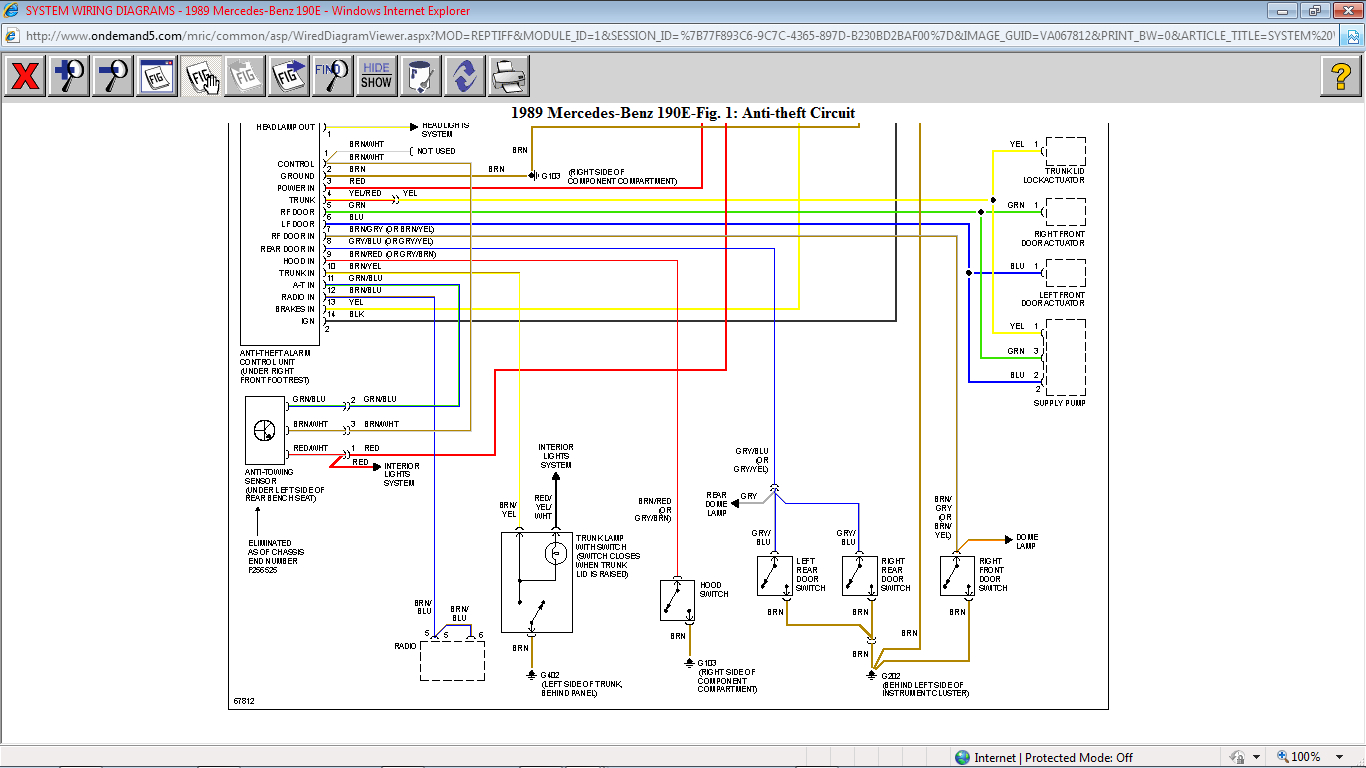
I recently purchased a 1989 190E 2.6 which appears to be fitted with a factory alarm. There is no information about this in the owners manual. There is a small red indicator in the panel above the centre air vents which I assume is the flashing light when the alarm is activated with the central locking. The problem I have is that this light does not flash and therefore I am not sure if the alarm is set or not. No direction indicator lights flash and there is no chirp from the underbonnet alarm horn. Could it be that the indicator light in the dash has failed, or that the previous owner had the alarm deactivated? Any help in how to test and operate the system would be appreciated. Mel
Dec 29, 2011 at 6:53 PM


