after cranking and with the engine running, the started continued to grind

1989 FORD RANGER
58,000 MILES
Avatar
WMSONREBEL
  • MEMBER
  • 2 POSTS
even after turning the engine off and removing the key, the starter continued to grind ... it went for approx 10 minutes then cut off ... i now have no power to the truck ... i thought maybe the battery had run down and tried to jump it off but the battery isn't dead ... what should i look for now?
Jan 16, 2012 at 6:05 PM
Advertisement
Avatar
SATURNTECH9
  • CERTIFIED EXPERT
  • 30,869 POSTS
Sounds like you starter solenoid went bad and kept the stater going.Do you have a multimeter to do some testing?Have you checked all the fuses?
Jan 16, 2012 at 6:09 PM
Avatar
RASMATAZ
  • CERTIFIED EXPERT
  • 75,992 POSTS
Ford is always known for this kind of stuffs-drive pinion jamming on the flexplate-solenoid
Jan 16, 2012 at 6:13 PM
Advertisement
Avatar
WMSONREBEL
  • MEMBER
  • 2 POSTS
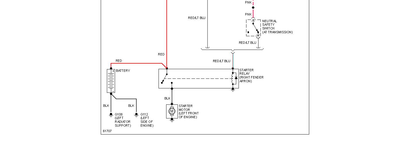
solenoid is separate from starter for this model isn't it?
Jan 16, 2012 at 6:26 PM
Avatar
SATURNTECH9
  • CERTIFIED EXPERT
  • 30,869 POSTS
On that year it should be seperate up on the firewall or the fender well.Do you have a multimeter to do some testing?
Jan 16, 2012 at 6:35 PM
Avatar
RASMATAZ
  • CERTIFIED EXPERT
  • 75,992 POSTS
You probably talking about the starter relay

Jan 16, 2012 at 6:37 PM
Avatar
SATURNTECH9
  • CERTIFIED EXPERT
  • 30,869 POSTS
Thats wild i have seen later model fords then that with seperate starter solenoids.Lets unplug the starter relay so we can find the no power and not have to worry about the starter coming on and staying on right now.Do you have a multimeter to do some testin?Thanks for the info rastamaz.
Jan 16, 2012 at 6:55 PM
Avatar
RASMATAZ
  • CERTIFIED EXPERT
  • 75,992 POSTS
yw-have helper start it up while you observe the relay when it acts up bang on it hard if it stops -replace it-
Jan 16, 2012 at 7:10 PM
Avatar
SATURNTECH9
  • CERTIFIED EXPERT
  • 30,869 POSTS
They have no power to the truck read above oringal question thats why iam saying to unplug the starter relay while tracing the no power issue.
Jan 16, 2012 at 7:16 PM