1989 Chevrolet Sprint Electrical problem

1989 CHEVROLET SPRINT
260,000 MILES
Avatar
ALFIE BROWN
  • MEMBER
  • 10 POSTS
Died while idling - dash lights dead. All major stuff works - headlights, signal lights, horn, radio, w/w, starter turns over.
No engine or any other indicator lights including no parking brake light. No ignition.
Have replaced Battery - new. Starter - new, Alternator-new - all battery and ground cables/wires under the hood new, replaced the whole relay/fusable linkand fuses box.
Checked all wires and connectors in engine compartment for damage and power - all seem OK.
Under the dash - all fuses are OK - visual inspection of harness - nothing obviously damaged (or disconnected)
No idea what to do next.
Any help would be greatly appreciated. Thank you in advance.
Aug 17, 2013 at 11:20 AM
Advertisement
Avatar
JDL
  • CERTIFIED EXPERT
  • 16,098 POSTS
Have you checked the basics? If it cranks good but, won't start, have a helper crank it, while you visually check for spark at the spark plugs. If you have spark everywhere, use a gage and check fuel pressure.

Are the cranking rpms faster than normal, If so check compression.
Aug 17, 2013 at 12:01 PM
Avatar
JDL
  • CERTIFIED EXPERT
  • 16,098 POSTS
Just to add, if no spark, check primary voltage to ignition coil. I haven't looked at your wiring yet, but, usually primary voltage to ignition coil comes from ignition switch.
Aug 17, 2013 at 12:07 PM
Advertisement
Avatar
JDL
  • CERTIFIED EXPERT
  • 16,098 POSTS
Well, I can't seem to find a wiring diagram for your vehicle?
Aug 17, 2013 at 12:21 PM
Avatar
ALFIE BROWN
  • MEMBER
  • 10 POSTS
Thank you, but your reply does not address the problem at all.
Car is DEAD. There is no power to any dashboard lights - there appears to be no power to the ECM - or power going out from ECM - can't hear the fuel pump start. All fuses are OK. ECM controls the ignition as well...??
No fuel - no start.
Aug 17, 2013 at 12:22 PM
Avatar
ALFIE BROWN
  • MEMBER
  • 10 POSTS
Wireing Diagrams:
Have Chevrolet Sprint and Geo Metro 1985 thru 1994 Haynes Repair Manual - looked over Engine control system diagram for carburated models (12-13)
And page 12-29
No power to entire panel - 20A fuse good and socket has power when ignition key turned on.
Not clear where the ECM is getting the power from.
Aug 17, 2013 at 12:41 PM
Avatar
JDL
  • CERTIFIED EXPERT
  • 16,098 POSTS
Are you turbo or non turbo? I believe the carbureted engine has a mechanical fuel pump, according to Mitchel. The turbo does have an electric fuel pump. I could only find wiring for 88 sprint in Mitchel.

My questions about spark and fuel are valid questions. You said the starter would crank? Wiil it crank or not?????
Aug 17, 2013 at 12:53 PM
Avatar
ALFIE BROWN
  • MEMBER
  • 10 POSTS
Hi JDR,

first my apology, thought my friends did check the spark. They were valid questions. The car is across the river 7 miles away so just came back.
Checked it out as you have suggested.
OK here it is:
Turns over but there is no spark.
Measuring voltage on the coil - 11.2V (battery a bit low) accross both terminals. Negative (??) the key on or off - no difference
No positive power, no spark..
Jumpered from positive battery terminal to the top one on the coil, heard an audible click of the relay/solenoid engaging somewhere.
Cranked engine over with a spare sparkplug in one of the plugs cables - had spark, but engine not starting up. No fuel.
Poured some gas into the carb, then - made contact with a key and engine fired right up.
Tried it after few times, and the engine fired up almost instantly every time, stopped running when jumper removed.

The engine runs normal, there is no turbo as far as we know - trany is automatic and have a metal electronic control box under the dash.
The electric fuel pump is in the tank - so my friend tells me - can't hear it.

So - there is still a same problem. No power to the dashboard panel, no lights, no fuel guage, no engine light .. and now confirmed no power to the ignition coil.
The question is:Does the ECM control the ignition? It does control the panel. Would the car run normally if ECM box was removed from the vehicle??
Aug 17, 2013 at 6:23 PM
Avatar
JDL
  • CERTIFIED EXPERT
  • 16,098 POSTS
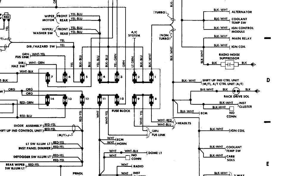
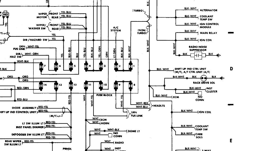
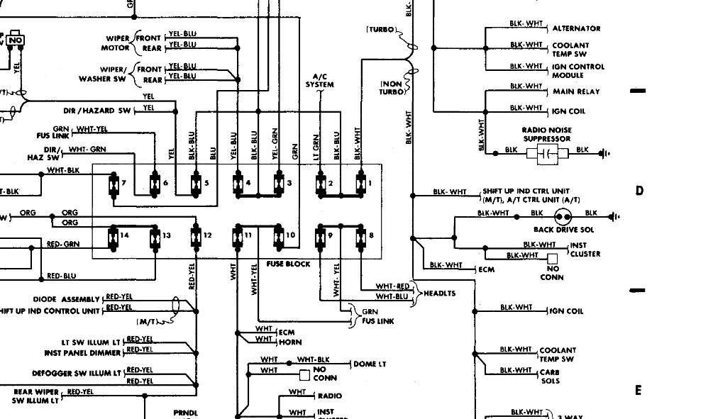
At the coil, black wire with white tracer is primary voltage to the coil, goes hot with the key on. That circuit is fuse protected, fuse 1 in the fuse box. The fuse circuit goes hot with the key on.

I'm not sure I understood where you put the jumper wire on the coil? note the diagram.

Aug 18, 2013 at 6:42 AM
Avatar
ALFIE BROWN
  • MEMBER
  • 10 POSTS
Placed the jumper to the terminal on the coil which is conected to harnes by a dark wire with white strip - that one happens to be physically located on the top (the coil is mounted horizontally with all terminals in vertical position-one above each as on your diagram)
that does not mean the brown and black wires are in the same position. Have not noticed any white strip on the bottom wire.
The top wire with white strip also had a crimp-on eye with red sleave. Red indicate positive - Was a right choice as the engine run jumpered out.

All 3 with fuses in the fuse box were visually intact, not burned, checked out with a meter OK. With all fuses out, checked each fuse socket for power with a tester light clipped to ground.
Two sockets were hot with a key on/off or out of ignition switch, one socket got hot with a key on and no power with a key off.
Aug 18, 2013 at 10:07 AM
Avatar
JDL
  • CERTIFIED EXPERT
  • 16,098 POSTS
Note the diagram, fuse 1 in the diagram carries voltage for the ignition coil--instrument cluster and other. If the positive side of coil isn't hot with the key on, Check the fuse circuit/wiring circuit and ignition switch.

You need to be sure battery has a full charge.
Aug 18, 2013 at 11:19 AM
Avatar
ALFIE BROWN
  • MEMBER
  • 10 POSTS
Thank you.
I will be going over shortly so will double check the fuses again.
The diagram you send me is from someother vehicle - mine has only 3 fuses in entire panel and all checked out OK.
Not sure which fuse I could switch on and off with a ignition switch, so will do that - one did and other two were permanently hot.
The new battery has 11.2 V, cranks the engine over fine, headlights work fine, but will put it on charger.

To make it clear to me - The ignition switch - it is the aluminum casting on the steering wheel column you insert your car key into - yes?
Aside from breaking it with a hammer to see how it physically functions inside, there is a small plastic switch atached to it with very thin 2 wires coming out from a side of it.
So again - how you do test this?

All 3 fusable fuses checked OK, all relays were OK, but to make certain have replaced the entire relay/fusable link and fuses box.
Checked all OK, Had not made any difference.

Ignition switch has only two skinny wires coming out is all I can see. It works cranking the starter fine.
Positions it can be put on are run, start and off - not sure about asccesory.
In on/run possition it supplies/cuts of power to one fuse socket in the fuse box under the dash.
All 3 fuses under the dash are tested, and are OK. the two remaining fuse sockets are always hot - key on or off.
Have No power to the coil, no power to the dash panel.
Dash lights are fed from ECM - so power off there seems there is no power from fuse box to ECM box, or from ECM out to it.
Lovely manuals - No diagram on which I can find where ECM is getting power from., how it looks and even where it is located.
That raises a simple question: If the ECM is removed from the vehicle - will it run?

My car is at my friends place across river (means ferry trip there and back) 7 miles away, so can't double check stuff in a hurry.


Aug 18, 2013 at 12:06 PM
Avatar
JDL
  • CERTIFIED EXPERT
  • 16,098 POSTS
My info shows two possible fuse/relay boxes. One under the left side of dash, the other in the engine compartment.

If I can't find wiring info that matches what you have, I'm not sure how to help?
Aug 18, 2013 at 2:00 PM
Avatar
ALFIE BROWN
  • MEMBER
  • 10 POSTS
Thanks for trying, we are trying almost a month - run ariound the Rosy.
It is Very frustrating as I can only describe..

You are right
There are two fuse boxes, one under the dash has 3 fuses - all good and one under the hood.
The one under the hood (engine compartment) has fusable links, relays and other fuse or two. We have repeatedly checked this to the destruction of relay covers

All were in perfect working order - no fuse, or fusable links on entire vehicle burned out.
We have replaced this with identical box from other Chevy sprint (my friends) after we checked everything in the box.
I have already described this.
Definitely the problem is not in this box.

Well, my latest finding may make you feel better - also made me furious.
You were right about the fuses. there are 15 of them, and yes the 20A fuse designated 1G was blown.

However this a..hole box has fuses covered with same color plastic cover that look like it is a solid part of the fuse box, not as a cover.
The only 3 visible fuses located on the side of this plastic hump that everyone checked and re-checked were only spares.
Cause there are no terminals in their sockets, that is why there was no voltage. The first one has a hole in the bottom where the test lead point found hot voltage. inside the box - false lead..
Also it is totally beyond me that a measly 20A fuse can blow and kill your ignition dead - that should never be fused.

3 people beside myself were looking and checking, heads under the dash with the fuse box in the faces, and nobody seen or discovered the real fuses - these guys work on trucks and have worked on cars. You yourself haven't pointed it out as it never occured to you that not everybody knows they are not visible.

This is so bad, we have not discovered that untill the box was taken completely out of the car and cleaned up to see the raised lettering on the fuses cover and pried it off.

I have mentioned the fact that I do not know how the components look like, and Not knowing how the parts look like makes it impossible to find them from the electrical diagram and actually troubleshoot any automotive wiring.
Please do keep this in mind on your future missions.

The little pictures attached to your replies here through this program are inadequate - so small it does make them useless.
Also they can not be printed out to take to field if one needed.
You say change the main relay - but do not say where it is to be found and have not attached a picture of it. the tiny diagram can not be zoomed bigger.

It may take a lots of time to reassemble the car, and fact remains: The fuse was blown by a short circuit somewhere.
If it blows again finding a short in harnesses will take possibly too much to bother any further. Sad, is it not?

Take care, my best regards.

I do have a repair manual with electric diagrams which I could scan I can read the diagrams, I can wire the entire house - but automotive - to me they are without any meaning as I can not connect them - like a road map atlas point to where roads continue on the next page.
No such luck in automotive manuals. I am unable to trace any wires under the dash as they all dissapear in the harneses, go through firewall.
Also there are "gizmos" everywhere in the car that has no reference, no meaning as their purpose is what?
Diagrams are only that. Lines on paper - unless you are a mechanic and know what the parts look like from experience.
No picture exists in manual, or even where in the vehicle the item is located.
Took partially apart the dash, to get the instrument panel out and disconnected, had to take the drivers seat out to be able to stick head under to see what is what. Not a pretty undertaking.

Aug 18, 2013 at 2:44 PM
Avatar
JDL
  • CERTIFIED EXPERT
  • 16,098 POSTS
At least you found the fuse box and hopefully your problem. the reason the fuse is there is because it protects the ecm from damage. the main relay is by the hood hinge behind what looks like the strut tower under hood and there should be two relays one the main and the other fuel pump relay. I know the problem with diagrams but unless you have the same program as me you won't be able to enlarge it unless you transfer it to another file and try to blow it up. I have no control over that at all. least from your reply it sounds as if it's running now. Part of your problem is the truck mechanic, they work on those and are not familiar with cars let alone a foreign type even if was marketed by Chevrolet plus it's 24yrs old and info isn't the best on older cars. thanks for using 2car pros.......
Aug 19, 2013 at 6:30 AM
Avatar
JDL
  • CERTIFIED EXPERT
  • 16,098 POSTS
I'd have to find ignition fuse in underhood fuse box. Not only check the fuse, see if fuse circuit is hot, with the key on, use a test lite to check for voltage.

I understand your frustration, but, I can't see anything from here. Even our database seems to contradict itself. One place it says fuse #1 is voltage for ignition coil. Another place it says fuse #6 is voltage for ignition coil. All I can do is go by our database.
Aug 19, 2013 at 9:21 AM
Avatar
ALFIE BROWN
  • MEMBER
  • 10 POSTS
My yesterday trip to car, other questions came to light so I address them all here.
Please do review my findings and tests..

The end finding: - I have no longer found any voltage in the fuse sockets in the underdash fusebox with my multimeter.
Thought that I did have some when I used the automotive continuity tester with a light originally, but nothing now
That could have been a fluke.
The problem must be as simple as a broken circuit - broken wire .... Either ground or hot.
The question is which one and where.
As there are no fuses burned - there was is no short circuit.
The engine runs normally when the ignition coil is jumpered,
That also mean that ECM, ignition coil, distributor and other components necessary for the engine operations are fine and do not have to be rechecked, or considered

Yesterday I came back with bunch of component and close-up pictures, charged the battery to 12.4V.
This s definitely no turbo - the turbos were apparently installed only on 2 door sportsy models and fact pained all over the doors.
One is next to my car now for parts.

I have run tests:
#1 -jumpered the ignition coil - imemdiately heard the click of the fuel-pump relay in the engine compartment fuse box, and having ear close to the gas tank - have heard the pump starting up, building up presure (second or 2) then shut off.
#2 - with the key in ignition switch started the engine - runs fine.
#3 - checked the single fuse 60A in the engine fuse box - OK. Checked visually all 3 fusable links - all OK.
#4 - checked the ignition switch - with all covers off and column unbolted to remove the instrument panel I could see the switches\ round terminal plate on the side opposite the key.
Tested with voltmeter: White thick wire with a blue strip is hot at all times. - no other wires hot.
Key in Aux position - same on the switch back - radio turned on
Turned key to Run possition - the yellow thick wire with a dark strip hot - heater fan turned on.
#5 - took all 3 fuses out of the fuse box under the dash - from left to right - red one-10A, blue one-15A, yellow one-20A 0- all OK.
#6 - tried to see if any fuse socket is hot or gets hot when the ignition key is turned in run pos - No voltage.
#7 - unplugged the ignition harnes plug out of the fuse box - the contact for the white wire with a strip hot. That is all.
Seems that the ignition switch is OK.

No idea what is on the back of the fuse box, or what has hapened that it interrupted power to fuses.
Aug 19, 2013 at 11:23 AM
Avatar
ALFIE BROWN
  • MEMBER
  • 10 POSTS
If you have given up.
Thank you for your try, that much I really do appreciate..
The biggest problem with this website is that our communication can not be complete as there is no way to upload pictures of diagrams or components to you, and also any diagrams that you send are supper small in size can not be properly zoomed and printed out.
There were two of you working on the same problem - seem both of you given up.

Well, my latest finding may make you feel better - also made me furious that the design allowed that.
You were right about the fuses. there are 15 of them, and yes, the 20A fuse designated 1G was blown.

However this (unspeakable expletives) box has fuses covered with same color plastic cover that look like it is a solid part of the fuse box, not as a separate lid. It is absolutely and ridiculously unnecessary.
The only 3 visible fuses located on the side of this plastic hump that everyone checked and re-checked were only spares.
Cause there are no terminals in their sockets, that is why there was no voltage. The first one has a hole in the bottom where the testlight I lead point found hot voltage inside the box - false lead that thrown the trouble shooting off track from the start.
I have found NO voltage with the multimeter as its shorter points could not poke through the bottom and there are no terminals in the socket,
No way to see that.
Also it is totally beyond me that a designer allows a measly 20A fuse blowing and killing your car - ignition dead - that should never be fused.

3 people beside myself were physically looking and checking, heads under the dash with the fuse box in the faces, and nobody seen or discovered the real fuses - these guys work on trucks and have worked on cars. Probably it never occured to you also that not everybody knows they are not in plain sight

This is so bad, we have not discovered that untill the box was taken completely out of the car and cleaned up to see the raised lettering on the fuses cover and pried it off. I do have spare, so was going to break it open with a hammer to see why there is no power going to the ignition coil and 3 outside fuses (very funny right now)

I have mentioned the fact that I do not know what the components look like, and Not knowing what the parts look like makes it impossible to find them from the electrical diagram and actually troubleshoot any automotive wiring.

Will take me some time to re-assemble the car and there still will be the problem of finding the short in the wiring that has blown this fuse.
i just may install a toggle switch on a jumper wire from battery to ignition coil so I can run the car even without the instrument panel.
Sad, is it not?

Take care, my best regards

Aug 20, 2013 at 11:22 AM
Avatar
THIS IS MIKE
  • CERTIFIED EXPERT
  • 686 POSTS
You can add pictures by clicking the Add Image link below and to the left of the add a reply box. You need to add a little bit of text in the box to describe the picture you are uploading.
Aug 29, 2013 at 3:39 PM
Avatar
ALFIE BROWN
  • MEMBER
  • 10 POSTS
Thank you for the tip,
Have not noticed that before about adding an image to send to you, got it now.
The diagrams attach by a mechanic are too small to be any good - if double clicked and displayed a bit larger on a new page - they are still too small and basically useless.
These diagrams can not be saved /copied to my computer so I can zoom in to see detail better, nor can be printed out to take to field
What is the reason for this?

Anyway - the car is running but it is weirdly still plagued by electrical problems since the sudden death. Possibly unrelated, but the cause of the blown fuse is still undiscovered - may be another separate question in the future.
Best regards
Aug 30, 2013 at 7:35 AM
Avatar
THIS IS MIKE
  • CERTIFIED EXPERT
  • 686 POSTS
I have blown the image up a little bit I hope it helps.

Aug 30, 2013 at 10:52 AM