i am hooking up a tachometer

1989 CHEVROLET CHEYENNE
V8 • 2WD • MANUAL
Avatar
BRMALONE
  • MEMBER
  • 3 POSTS
where is the negitive wire on the coil located to a 454 1989 chevy 1 ton
Dec 25, 2010 at 5:42 PM
Advertisement
Avatar
JDL
  • CERTIFIED EXPERT
  • 16,098 POSTS
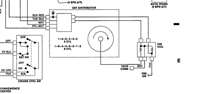
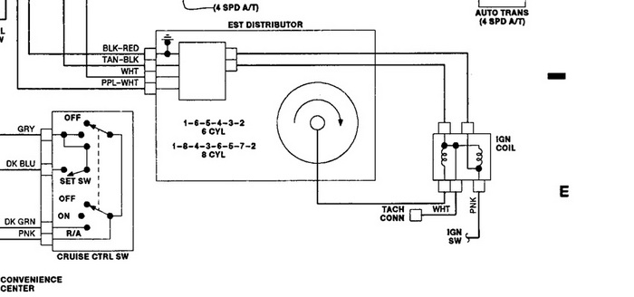
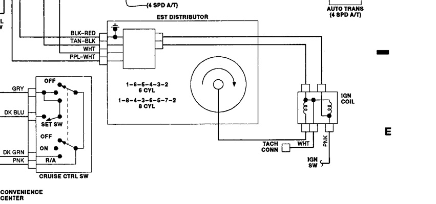
It's the white wire in the diagram. Follow the tach manufacturers instructions for installation.

Dec 25, 2010 at 5:58 PM
Avatar
BRMALONE
  • MEMBER
  • 3 POSTS
my truck did not come with a tachometer. it just has a inicator light that lights up telling you went to up shift for better fuel economy.would it still be the same? and the tachometer i am hooking up says that i need to attach a wire to coil negative
Dec 25, 2010 at 6:14 PM
Advertisement
Avatar
JDL
  • CERTIFIED EXPERT
  • 16,098 POSTS
If you have coil I'm thinking of, should be the white wire. I can't see it from here.

Dec 25, 2010 at 8:25 PM
Avatar
BRMALONE
  • MEMBER
  • 3 POSTS
Thanks
Dec 31, 2010 at 5:08 AM
Avatar
JDL
  • CERTIFIED EXPERT
  • 16,098 POSTS
Hope you got it?
Mar 2, 2011 at 4:39 PM