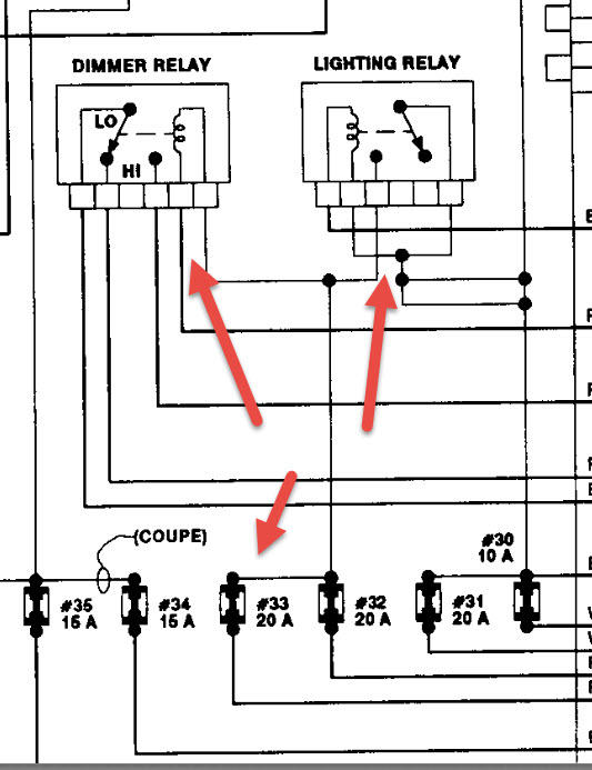
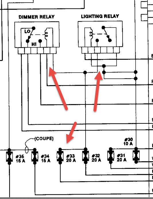
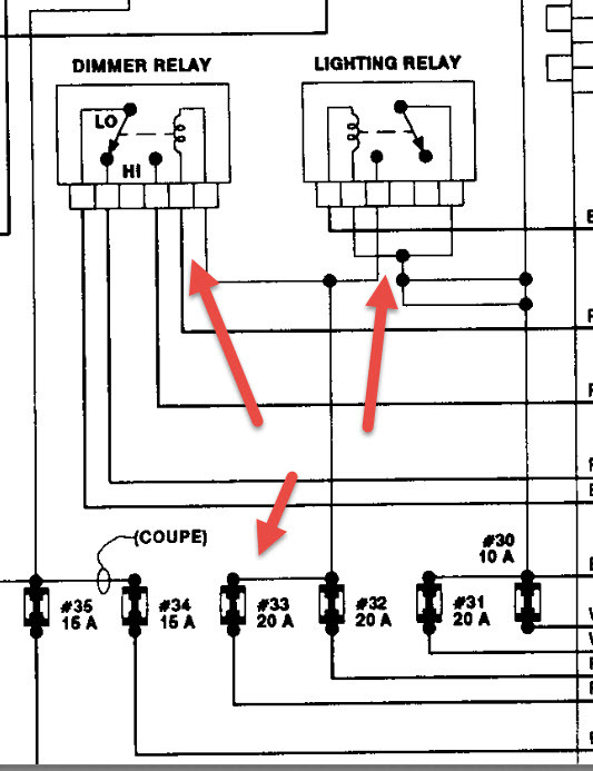
I need to take out headlights and replace them, if that's the problem. They don't work. I had problems before but now both of them don't work and I don't know how to take them out or replace them.
Oct 23, 2015 at 2:34 PM
