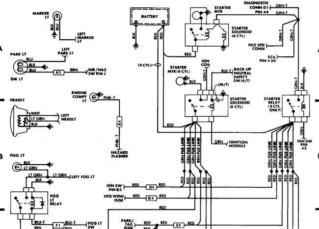
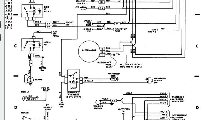
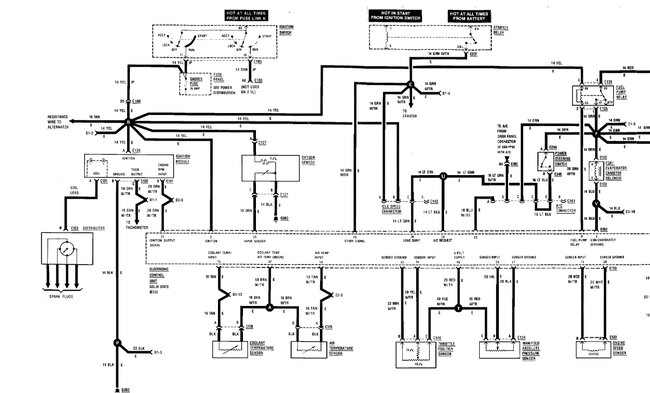
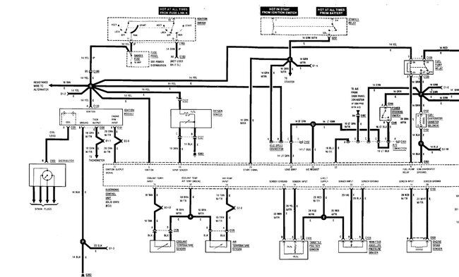
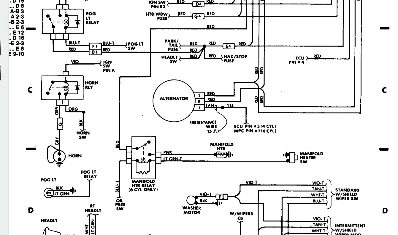
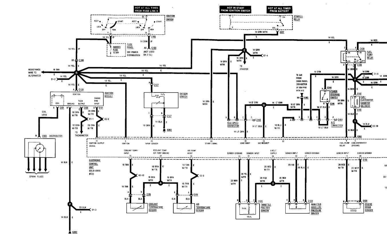
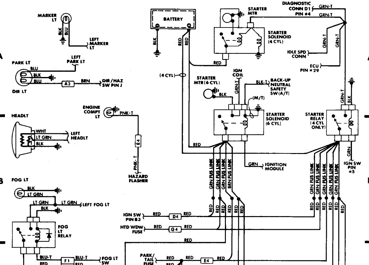
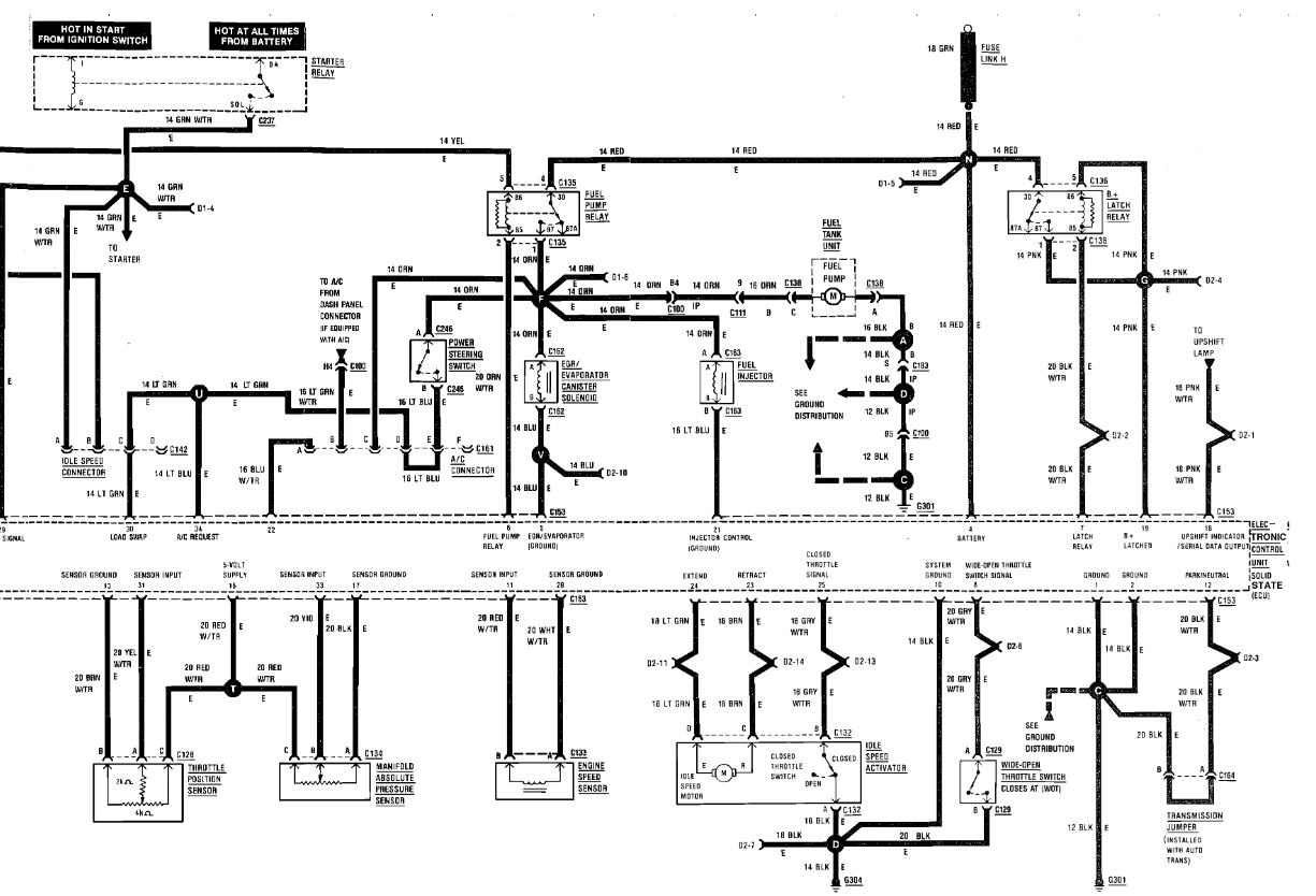
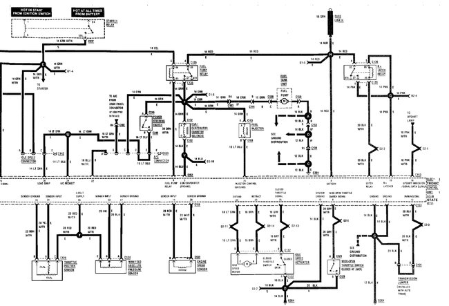
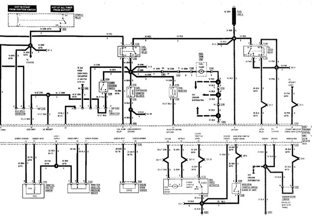
I recently replaced my engine. when I unhooked all the wiring harness to remove it I didn't pay close enough attention to the way it was plugged in. what I need is a wiring diagram that shows how to hook up the main engine harness. a lot of the plugs are the same size and I'm not sure what plugs into what. I will admit that wiring is not my strong suit so the idiots guide would be the best here. maybe a color coded drawing.
Jul 7, 2015 at 5:32 AM



